Sunday, April 3rd, 2011 AT 7:11 PM
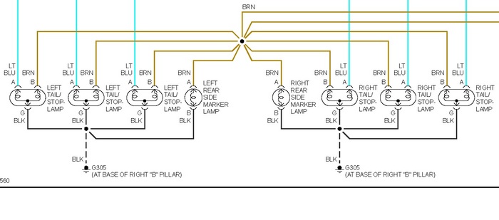
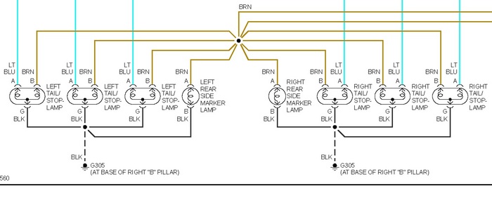
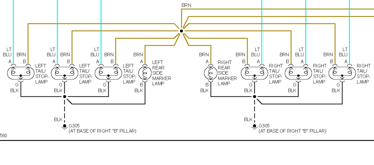
96 grand prix- No turn or tail lights. 12 volts at tail lights but no power at bulb when pluged in. Correct bulbs and all bulbs pass connuitiy test. What's up with this? Handyman



