Parking lights not coming on with start

Tiny
AFFAN
  • MEMBER
  • 2005 TOYOTA COROLLA
  • 4 CYL
  • 2WD
  • AUTOMATIC
  • 205,000 MILES
My parking lights do not come on when I start the car. However, once I hit the brake they come on. Any idea?
Thursday, December 27th, 2018 AT 8:05 AM

1 Reply

Tiny
KEN L
  • MASTER CERTIFIED MECHANIC
  • 55,538 POSTS
Hello,

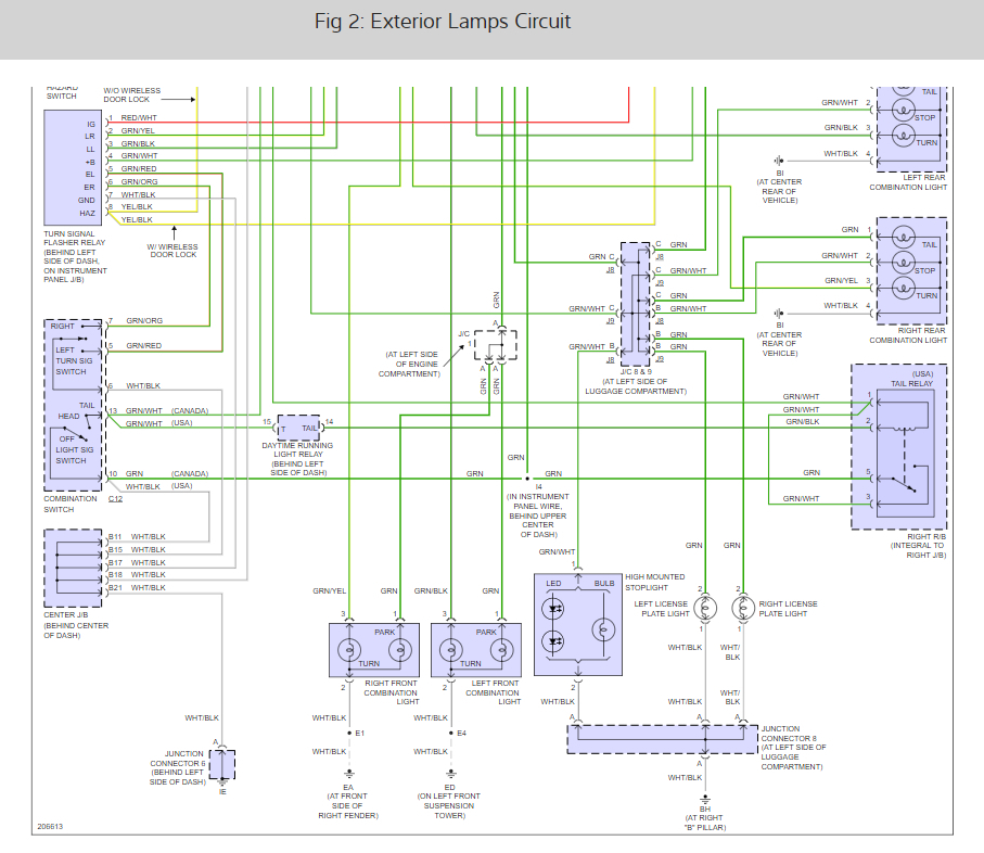
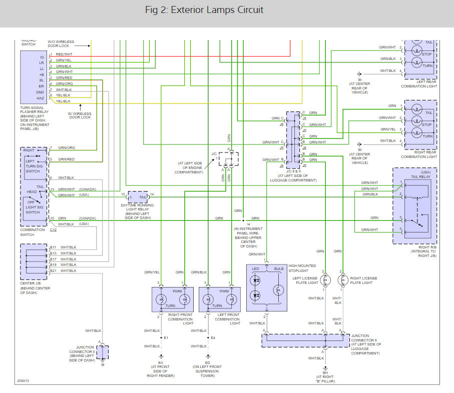
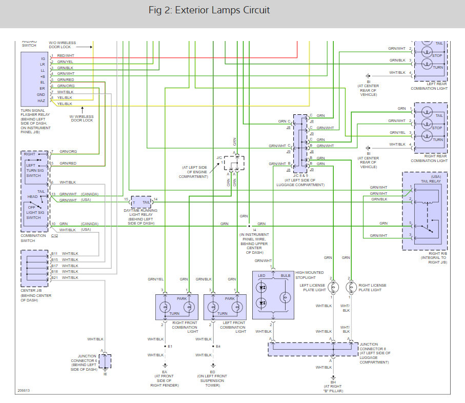
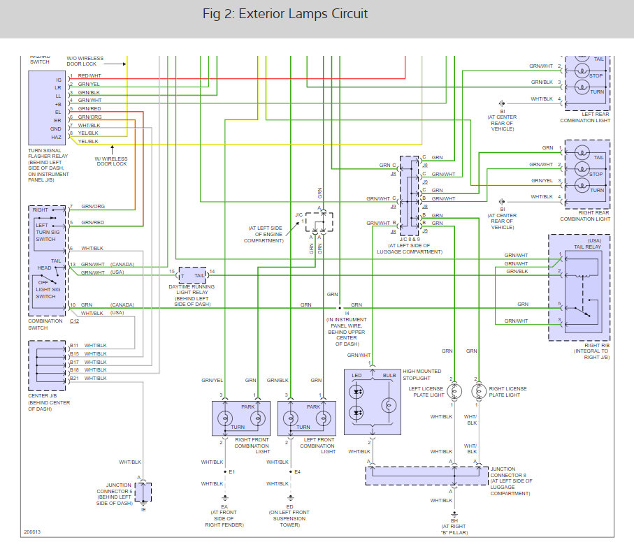
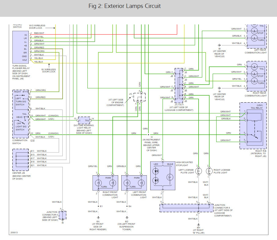
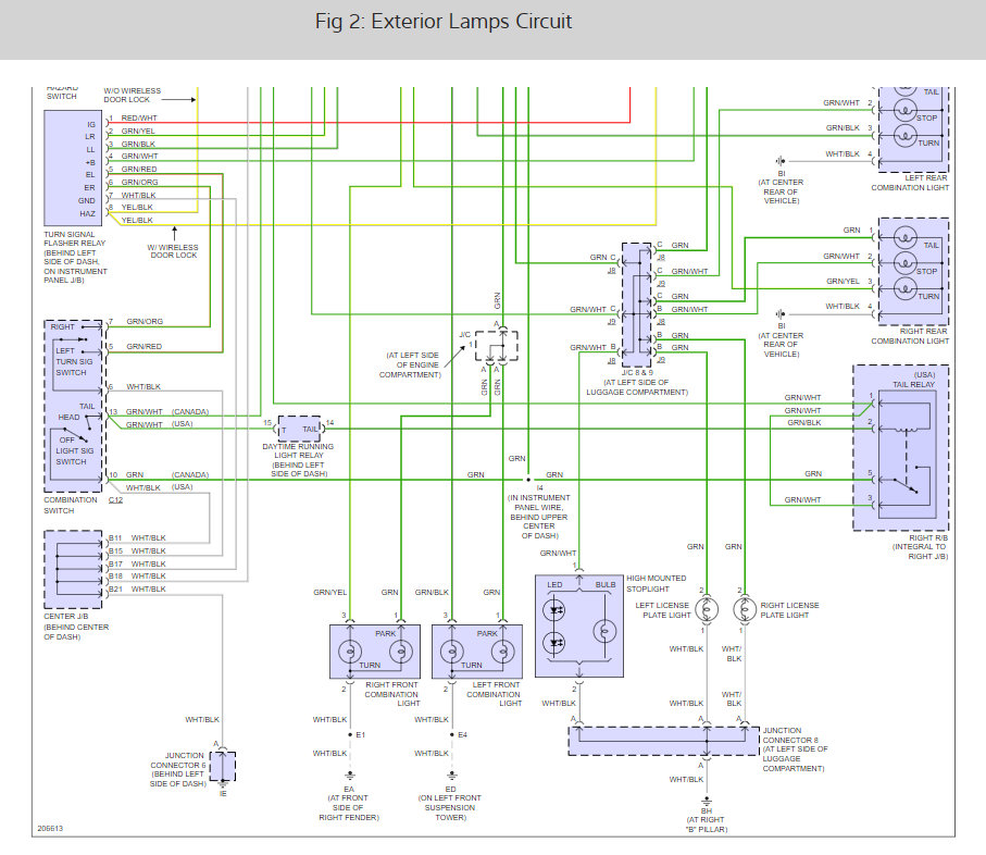
It sound like the flasher relay or the tail light relay is shorted out. here is the location of the flasher and relay so you can check it out and a guide to help test them with the tail light wiring diagrams so you can see how it works:

https://www.2carpros.com/articles/how-to-check-an-electrical-relay-and-wiring-control-circuit

Check out the diagrams (below). Please let us know what you find. We are interested to see what it is.

Was this
answer
helpful?
Yes
No
Friday, December 28th, 2018 AT 10:05 AM

Please login or register to post a reply.