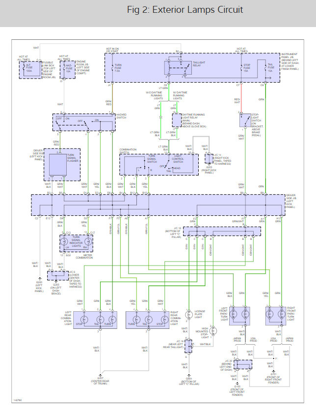
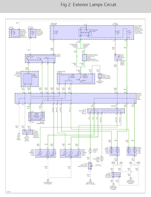
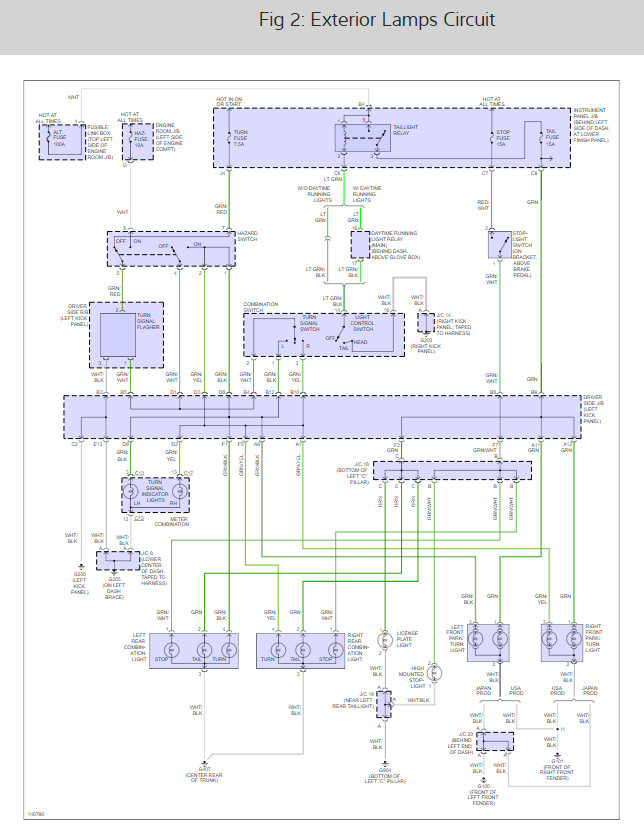
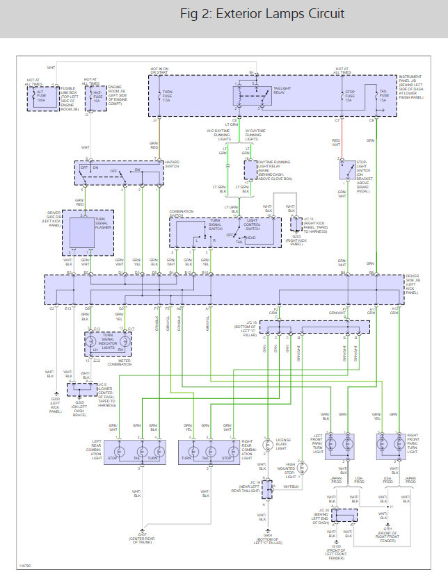
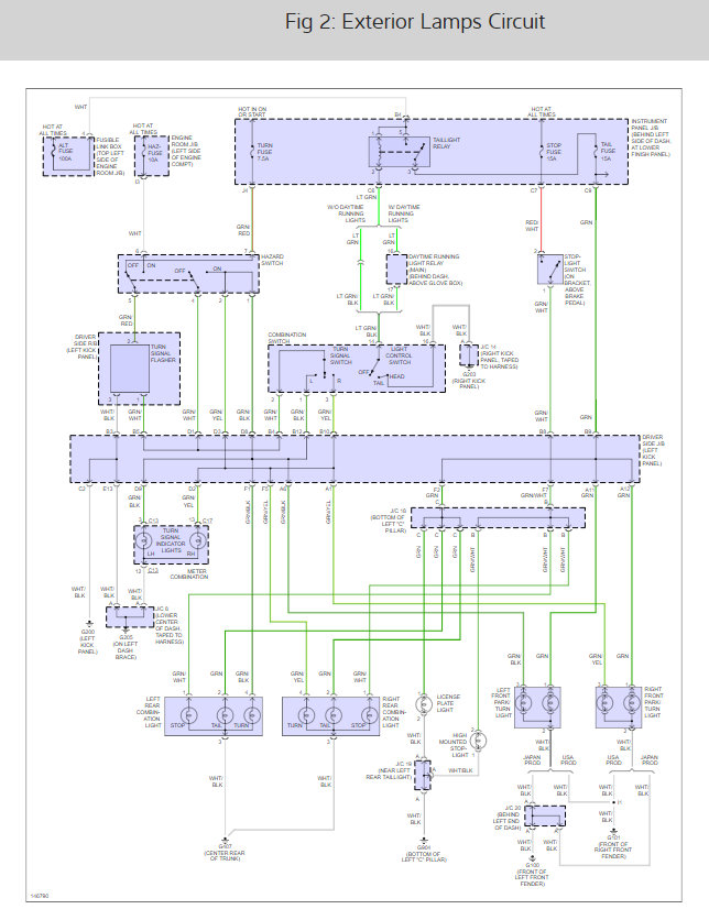
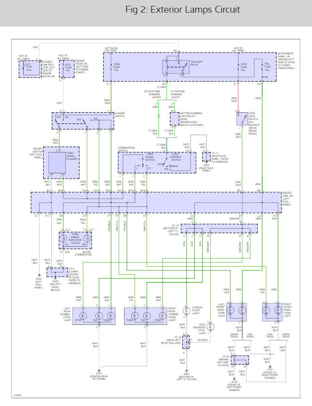
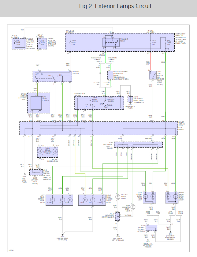
The parking lights on my car will not turn off even after I turn the car off. It drains my battery and I have no clue why this happening. It is not a DRL system car. If you guys have any suggestions as to how to fix this problem, please let me know.
Thursday, July 28th, 2016 AT 7:34 PM








