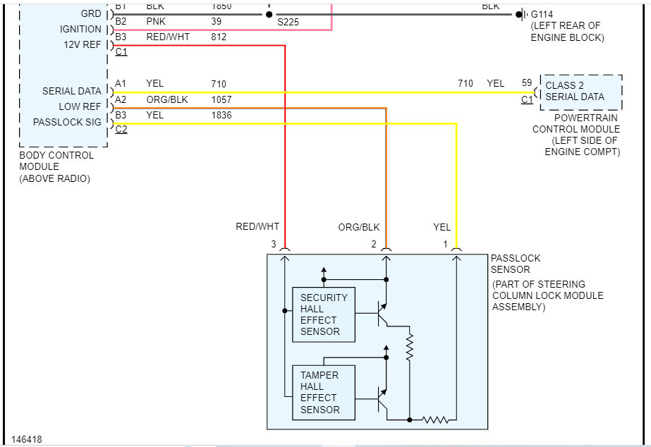
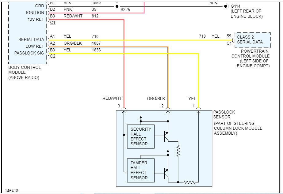
There is a splice pack under the dash between the data link connector and the relay box. You may want to consider checking the splice to see if there is anything causing the draw.
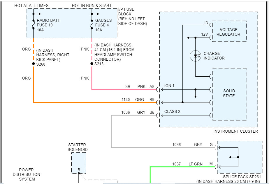
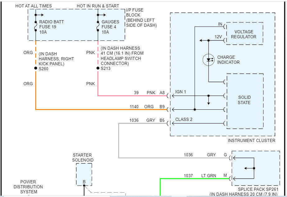
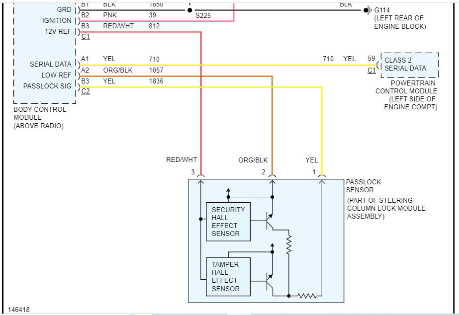
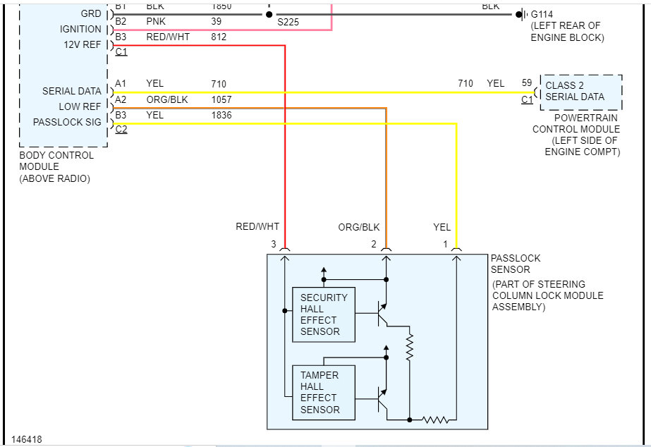
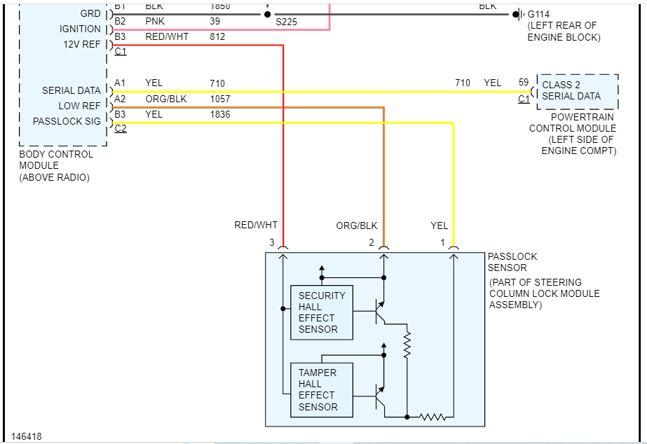
I attached the charging system schematic below.
Let me know.
Joe
Was this helpful?
Yes
No
Sunday, December 11th, 2022 AT 6:40 PM





