Saturday, March 7th, 2020 AT 10:22 PM
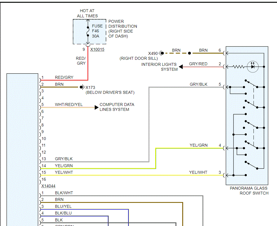
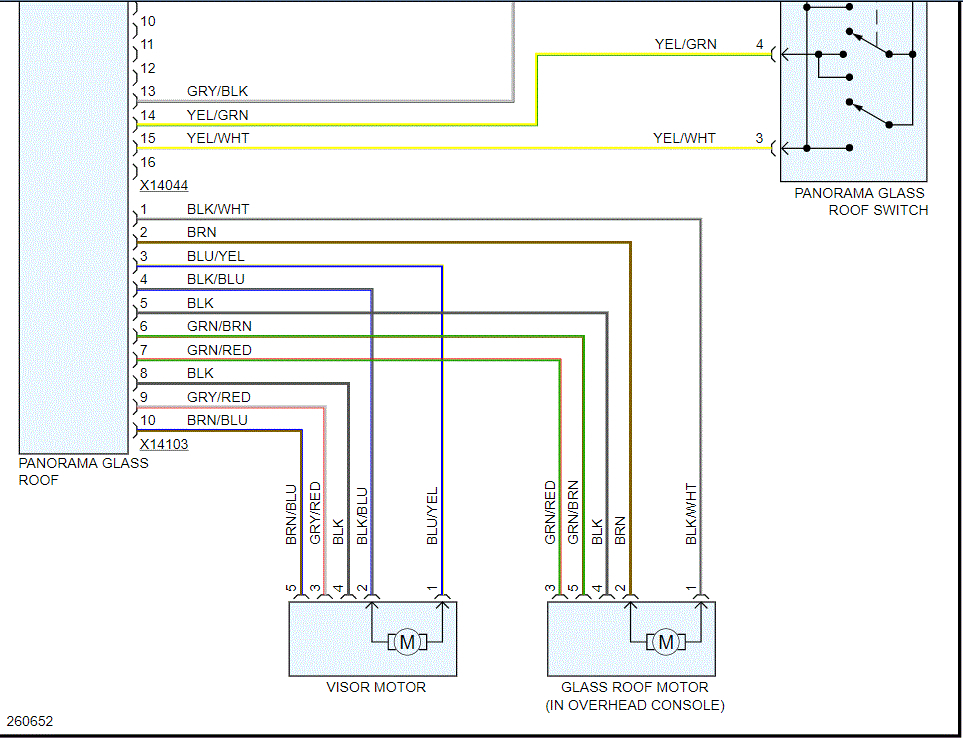
I just bought this car used. Everything is perfect but the sunroof won’t open or do anything. I don’t know if I need a new motor inside of the panel or maybe something wrong with the fuse or I would I need new tracks for the them?



