Code P1698, crank not start?

Tiny
JAMESD916
  • MEMBER
  • 2002 JEEP LIBERTY
  • 3.7L
  • V6
  • 4WD
  • AUTOMATIC
  • 183,000 MILES
Will not crank turns over but want fire
Says PCU nor talking to TCU.
I've replaced camshaft and crankshaft position sensors.
Wednesday, August 24th, 2022 AT 7:53 AM

1 Reply

Tiny
BORIS K
  • MECHANIC
  • 836 POSTS
Hello,

P1698 - No CCD Messages received from TCM

Bus communication failure to TCM. A Companion DTC was set in both the PCM and TCM.

DTC P1698: No BUS messages received from TCM

Monitor and Set Conditions
TCM is monitored for receiving BUS messages with ignition on and engine off and with engine running. DTC
may set if there is no communication with the TCM.

Possible Causes

* No Response To TCM
* Open CCD BUS Circuit From PCM To Data Link Connector
* Open CCD BUS (-) Circuit From PCM To Data Link Connector
* Open Ground Circuit
* TCM

I would suggest to first check 12V supply and ground at the TCM.
The TCM is located on the passenger side engine compartment, see image 5
The fuses are located in the Power Distribution Centre(PDC) at the left front of engine compartment, see image 1
Pin out at TCM
Pin 8, yellow/brown wire ignition in from fuse 28, 15A, in PDC
Pin 37+39, black/yellow wire ground
Pin 56, red/white wire constant 12V feed from fuse 5, 30A, in PDC
See image 2+3 below
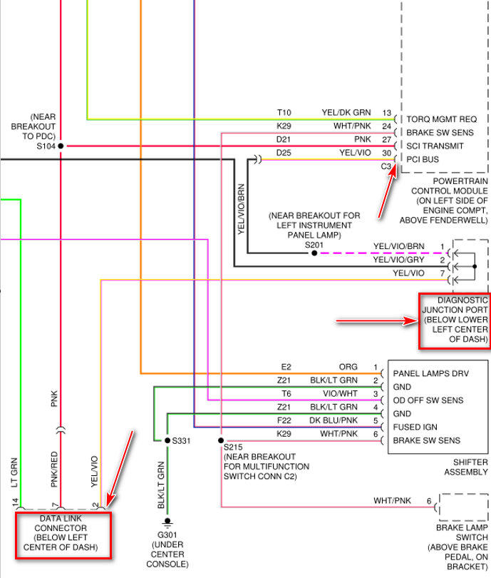
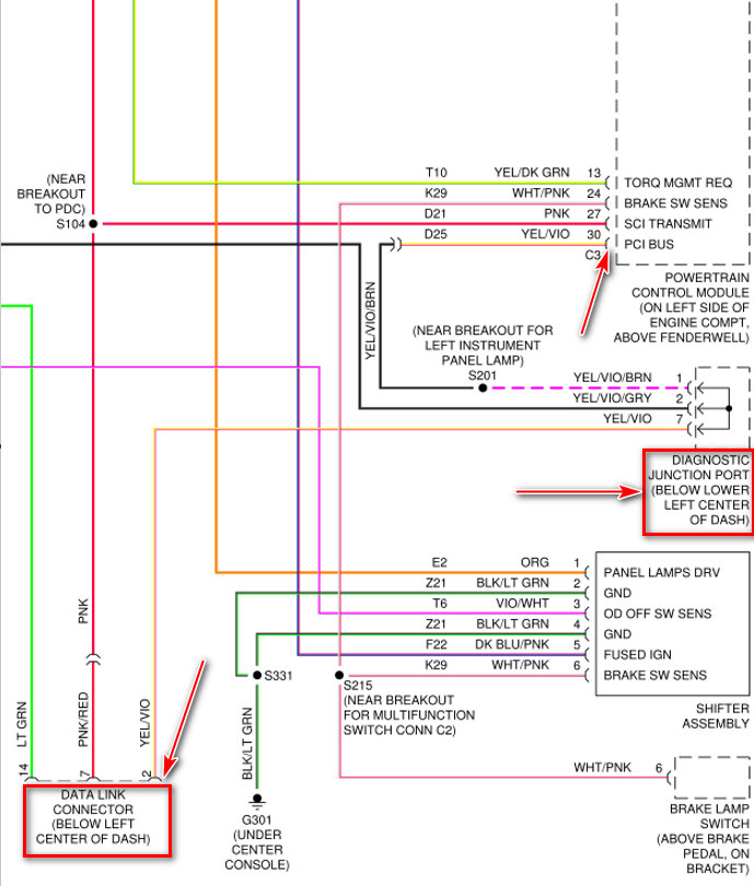
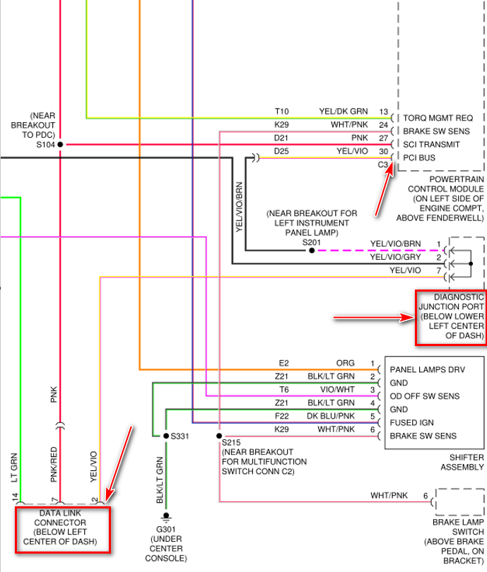
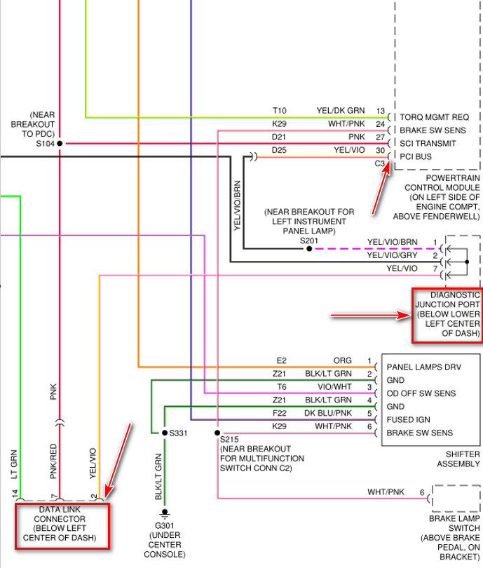
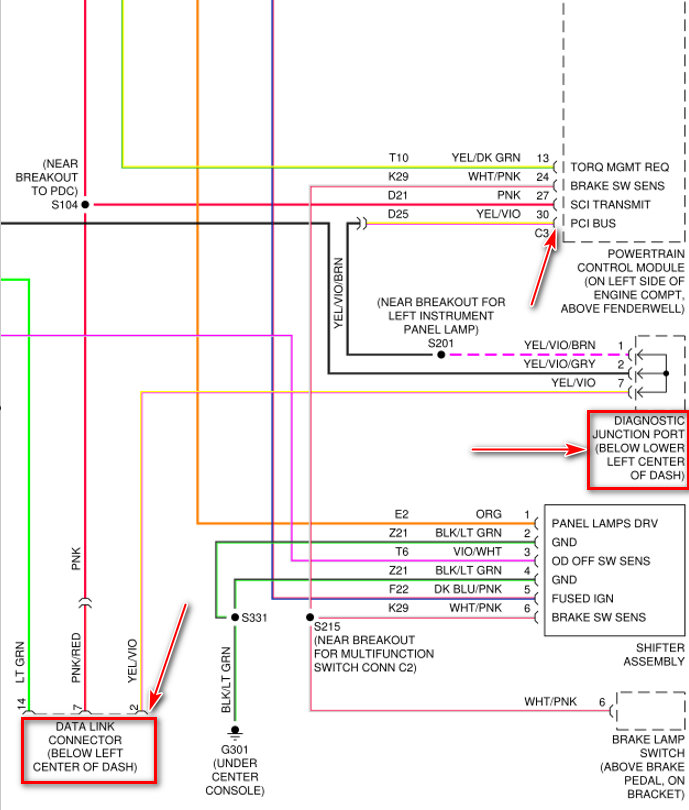
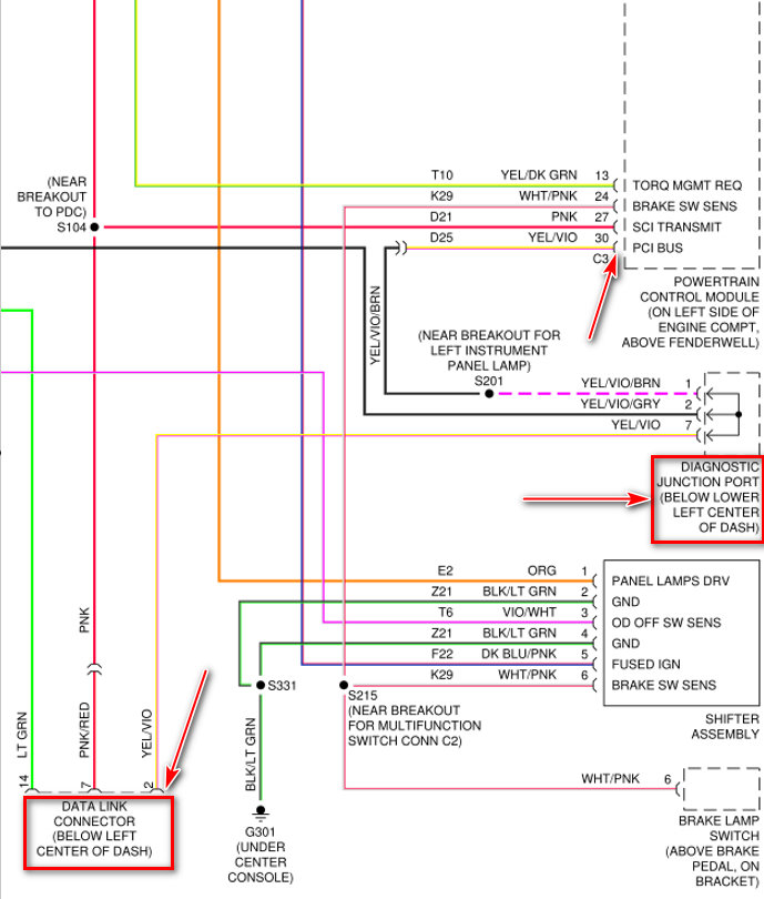
Pin 43, yellow/violet wire PCI bus to diagnostic junction port pin 2.
This then links up with PCM pin 30, connector C3, and the OBD connector pin 2
If the 12V supply and ground are good next check the PCI bus from pin 43 out to PCM and OBD connector, see image 4

The 12V and ground can be checked using either a test light or voltmeter
https://www.2carpros.com/articles/how-to-use-a-test-light-circuit-tester
and
https://www.2carpros.com/articles/how-to-use-a-voltmeter

How to test a fuse and wiring
https://www.2carpros.com/articles/how-to-check-a-car-fuse
and
https://www.2carpros.com/articles/how-to-check-wiring

Hope this helps.

Cheers, Boris

Was this
answer
helpful?
Yes
No
-1
Thursday, August 25th, 2022 AT 8:59 AM

Please login or register to post a reply.