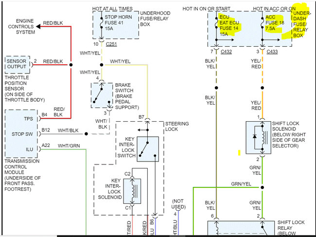
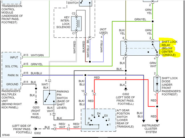
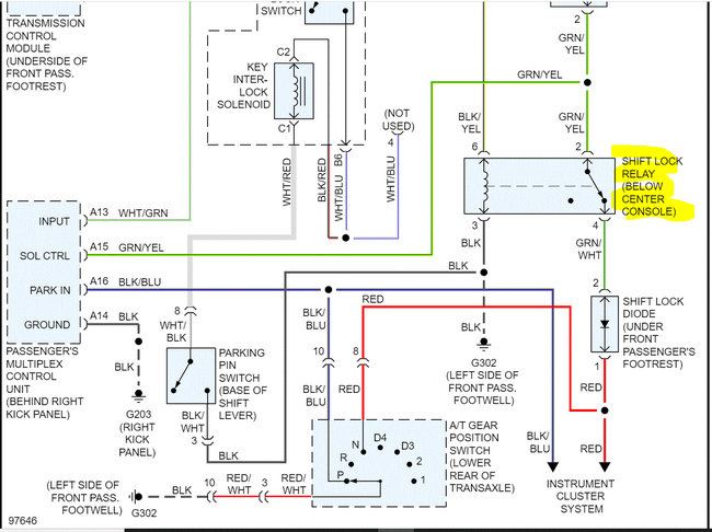
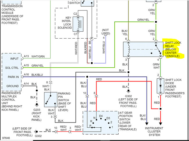
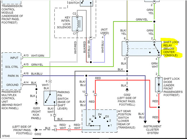
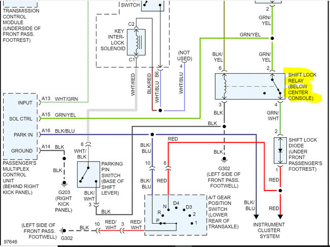
I disconnected the PCM 31-pin connector C and TCM 22-pin connector B and tested for continuity for connector C at terminal 30 and 31 to body ground. There was no continuity.
I then checked for continuity between terminal 30 on connector C and terminal 18 on connector B and got no continuity. Also, I checked between terminal 31 on connector C and terminal 19 on connector B, and got no continuity. I see no obvious signs of broken wires; I do not know exactly how far back these terminal wires go. Any tips on tracking down this issue?
Thursday, April 28th, 2022 AT 3:26 PM












