Check lamp is flashing and code P1135

Tiny
NEMANJA0710
  • MEMBER
  • 1999 LEXUS RX 300
  • 3.0L
  • V6
  • 4WD
  • AUTOMATIC
  • 100,000 MILES
'Check' lamp is flashing and it reports error whose code is P1135. Will I be able to completely resolve the issue if I swap air fuel sensor or there is anything else I need to pay attention to?
Friday, March 1st, 2019 AT 8:54 AM

2 Replies

Tiny
JACOBANDNICKOLAS
  • MECHANIC
  • 110,194 POSTS
Hi and welcome to 2CarPros.

The sensor is most likely the cause. However, wiring issues can cause the code as well. Here are the diagnostic flow charts for this code. Take a look through them and let me know if you have questions.

_____________________________

DTC P1135 A/F Sensor Heater Circuit Malfunction (Bank 1 Sensor 1)
DTC P1155 A/F Sensor Heater Circuit Malfunction (Bank 2 Sensor 1)

picture 1
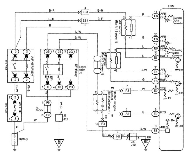
CIRCUIT DESCRIPTION
To obtain a high purification rate for the CO, HC and NOx components of the exhaust gas, a three-way catalytic converter is used, but for the most efficient use of the three-way catalytic converter, the air-fuel ratio must be precisely controlled so that it is always close to the stoichiometric air-fuel ratio.

The A/F sensor has the characteristic that provides output voltage* approximately proportional to the existing air-fuel ratio. The A/F sensor output voltage* is used to provide feedback for the ECM to control the air-fuel ratio.

By the A/F sensor output, the ECM can determine the deviation amount from the stoichiometric air-fuel ratio and control the proper injection time immediately. If the A/F sensor is malfunctioning, ECM is unable to perform accurate air-fuel ratio control.

The A/F sensor is equipped with a heater which heats the zirconia element. The heater is controlled by the ECM. When the intake air volume is low (the temp. of the exhaust gas is low), current flows to the heater to heat the sensor for accurate oxygen concentration detection.

*: The voltage value changes at the inside of the ECM only.

picture 2

DETECTING CONDITION

picture 3

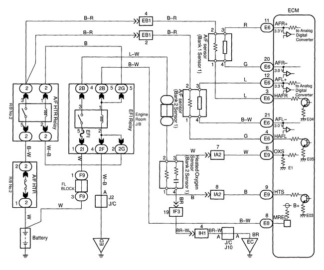
WIRING DIAGRAM

Step 1
picture 4

Step 2
picture 5

INSPECTION PROCEDURE

HINT: Read freeze frame data using LEXUS hand-held tester or OBD II scan tool. Because freeze frame records the engine conditions when the malfunction is detected, when troubleshooting it is useful for determining whether the vehicle was running or stopped, the engine warmed up or not, the air-fuel ratio lean or rich, etc. at the time of the malfunction.

Here are a few links you may find helpful:

https://www.2carpros.com/articles/how-to-use-a-test-light-circuit-tester

https://www.2carpros.com/articles/how-to-use-a-voltmeter

https://www.2carpros.com/articles/how-to-check-wiring

Let me know if this helps or if you have other questions.

Take care,

Joe

Was this
answer
helpful?
Yes
No
Friday, March 1st, 2019 AT 7:47 PM
Tiny
JIS001
  • MECHANIC
  • 3,412 POSTS
If your fault code is for just that one sensor then replacing it should take care of the problem. But keep in mind, an oxygen sensor is way cheaper then an air fuel sensor so replace it with the air fuel ratio sensor even though it is more expensive

Have seen people try to get away with the cheap price of the oxygen sensor only to have more problems and the check engine light not going away.
Was this
answer
helpful?
Yes
No
Monday, March 4th, 2019 AT 12:06 AM

Please login or register to post a reply.