Overheats when A/C is turned on

Tiny
MPOTTER21
  • MEMBER
  • 2004 HYUNDAI ELANTRA
  • 2.0L
  • 4 CYL
  • 2WD
  • AUTOMATIC
  • 129,000 MILES
So every time I drove my car when I turn on the A/C it will start to overheat. I'm trying to get this fixed because my windows do not work.
Saturday, May 2nd, 2020 AT 7:19 PM

7 Replies

Tiny
JACOBANDNICKOLAS
  • MECHANIC
  • 110,194 POSTS
Hi,

Do you hear the radiator cooling fan turn on when you turn on the A/C? When the engine gets hot, do you hear the fans? Does it only overheat if you are in stop and go traffic or does it happen at highway speeds as well? Has it ever overheated in the past with the A/C turned off?

If the fans are not turning on with the A/C, it could be a couple issues, a fan motor, a condenser fan relay, or a power issue.

IF that is the case (no fan at all), check the condenser fan relays in the under hood fuse box. You can simply switch them with a different relay having the same part number or here is a link which explains how to test one.

https://www.2carpros.com/articles/how-to-check-an-electrical-relay-and-wiring-control-circuit

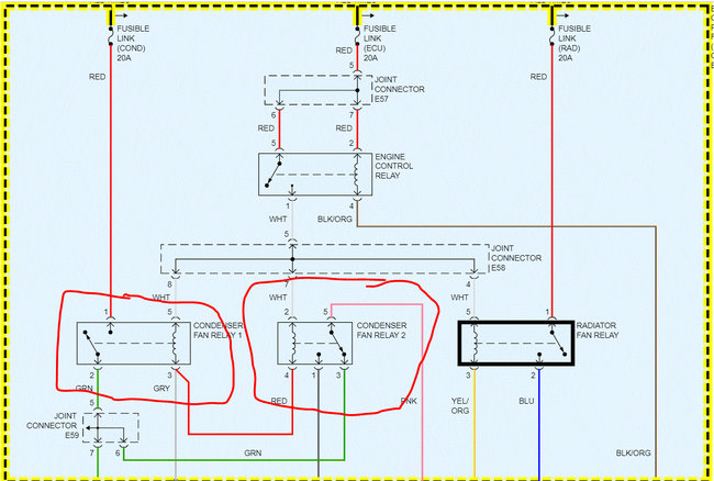
I attached two pics below. The first simply is a portion of the wiring schematic for the fans, relays, and fusible links. A fusible link functions like a fuse, but looks like a regular wire. We ill cross that road if they need checked.

The second pic is of the under hood fuse box. I highlighted the two relays that need checked. Do this and let me know if the fan starts working.

Take care,
Joe
Was this
answer
helpful?
Yes
No
Saturday, May 2nd, 2020 AT 7:34 PM
Tiny
MPOTTER21
  • MEMBER
  • 4 POSTS
I never had been in stop and go traffic it does it a highway speed. I have seen both fans going when it was parked and it overheated once before in the 6 months I have had it. I never used the A/C after that.
Was this
answer
helpful?
Yes
No
Saturday, May 2nd, 2020 AT 8:06 PM
Tiny
JACOBANDNICKOLAS
  • MECHANIC
  • 110,194 POSTS
Interesting. And it doesn't overheat when the A/C is off? Are there any strange sounds coming from the compressor when it's on? Do you notice a substantial power loss?

Without the A/C on, does the temperature gauge stay in the safe range or is it starting to go above?

If it is overheating just when it's on, the fans are working, and you are at highway speeds, something must be putting a heavy load on the engine. That's why I asked about power loss.

Let me know.
Joe
Was this
answer
helpful?
Yes
No
Saturday, May 2nd, 2020 AT 9:54 PM
Tiny
MPOTTER21
  • MEMBER
  • 4 POSTS
I don't notice any power loss and don't hear any weird noise, but it will go to red when it heats up.
Was this
answer
helpful?
Yes
No
Saturday, May 2nd, 2020 AT 10:24 PM
Tiny
JACOBANDNICKOLAS
  • MECHANIC
  • 110,194 POSTS
I have one more question. When it goes to red, does the engine seem like it truly is over heating? For example, do you see steam or anything like that?

I'm asking because everything is working as it should and this shouldn't happen just with the AC being on. At this point, I'm questioning if there is an electrical issue causing a false reading at the gauge when the AC is on.

I hope that makes sense. LOL

Joe
Was this
answer
helpful?
Yes
No
Sunday, May 3rd, 2020 AT 7:54 PM
Tiny
MPOTTER21
  • MEMBER
  • 4 POSTS
No smoke or steam but it will blow the coolant out of the radiator cap.
Was this
answer
helpful?
Yes
No
Sunday, May 3rd, 2020 AT 7:55 PM
Tiny
JACOBANDNICKOLAS
  • MECHANIC
  • 110,194 POSTS
Then it's certainly overheating.

Since everything electrical is functioning as far as the cooling fans, then we have to start looking at the cooling system itself. My first suggestion would be to flush the system and replace the thermostat.

Here are a couple links that explain how to flush the system and in general, how to replace the thermostat:

https://www.2carpros.com/articles/coolant-flush-and-refill-all-cars

https://www.2carpros.com/articles/replace-thermostat

I'm recommending the thermostat at the same time because the coolant will be drained for the flush.

Here are the directions specific to your vehicle for thermostat replacement. The attached pics correlate with the directions.

____________________________________

2004 Hyundai Elantra L4-2.0L
Procedures
Vehicle Engine, Cooling and Exhaust Cooling System Thermostat Service and Repair Procedures
PROCEDURES
THERMOSTAT

REMOVAL

NOTE: Removal of the thermostat would have an adverse effect, causing a lowering of cooling efficiency. Do not remove the thermostat, even if the engine tends to overheat.

1. Drain engine coolant so its level is below thermostat.

pic 1

2. Remove water inlet (A), gasket and thermostat.

INSPECTION

pic 2

1. Immerse the thermostat in water and gradually heat the water.
2. Check the valve opening temperature.
Valve opening temperature: 82°C (177°F)
Full opening temperature: 95°C (205°F)
If the valve opening temperature is not as specified, replace the thermostat.
3. Check the valve lift.
Valve lift: 8 mm (0.3 inch) or more at 95°C (205°F)
If the valve lift is not as specified, replace the thermostat.

INSTALLATION
1. Place thermostat in thermostat housing.
1. Install the thermostat with the jiggle valve up ward.

pic 3

2. Install a new gasket (A) to the thermostat (B).

pic 4

2. Install water inlet (A).
3. Fill with engine coolant.
4. Start engine and check for leaks.
____________________________________________________________________

Try this and let me know if it helps.

Take care,
Joe

Was this
answer
helpful?
Yes
No
Sunday, May 3rd, 2020 AT 8:20 PM

Please login or register to post a reply.