Overheats while idling

Tiny
TJORDAN6524
  • MEMBER
  • 2006 PONTIAC TORRENT
  • 181,800 MILES
I've replace radiator, thermostat, and new water pump and it still overheats. Previous owner sealed a leak in which I don't know where and Firestone believes the sealant is clogged somewhere. They did a test for the gaskets and it's fine. No smoke comes from the car or steam from under the hood the coolant just comes out of the reservoir. Any help on what could be causing it to over heat still?
Friday, August 7th, 2020 AT 12:18 PM

1 Reply

Tiny
4DRTOM
  • MECHANIC
  • 467 POSTS
Hello I'm Tom.

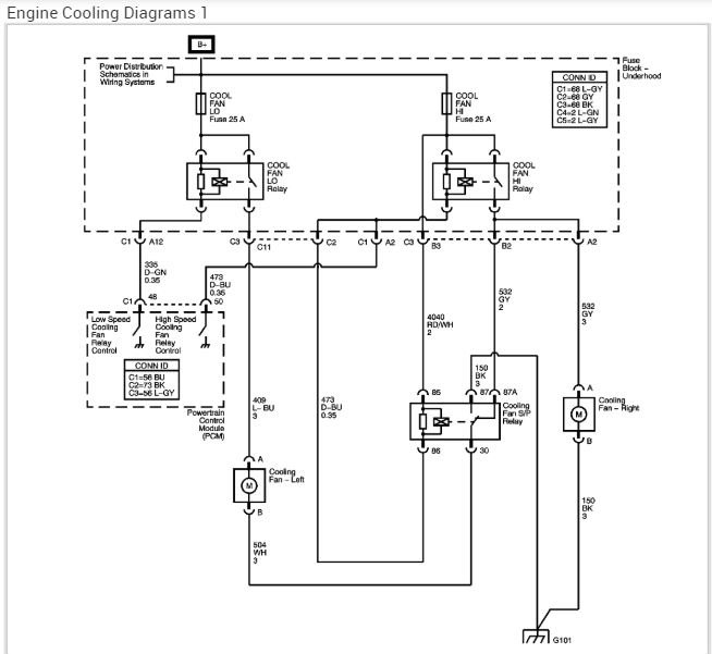
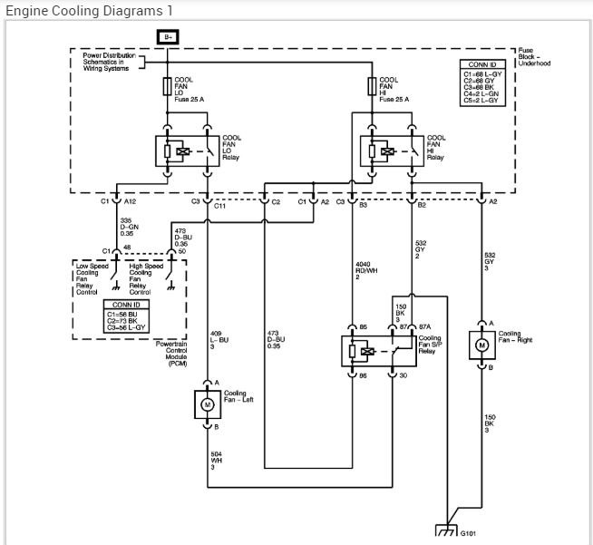
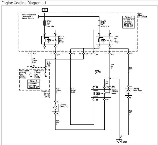
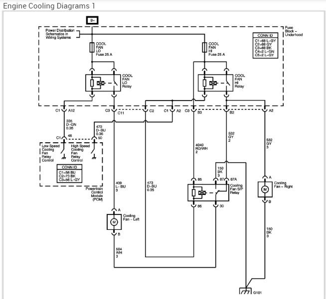
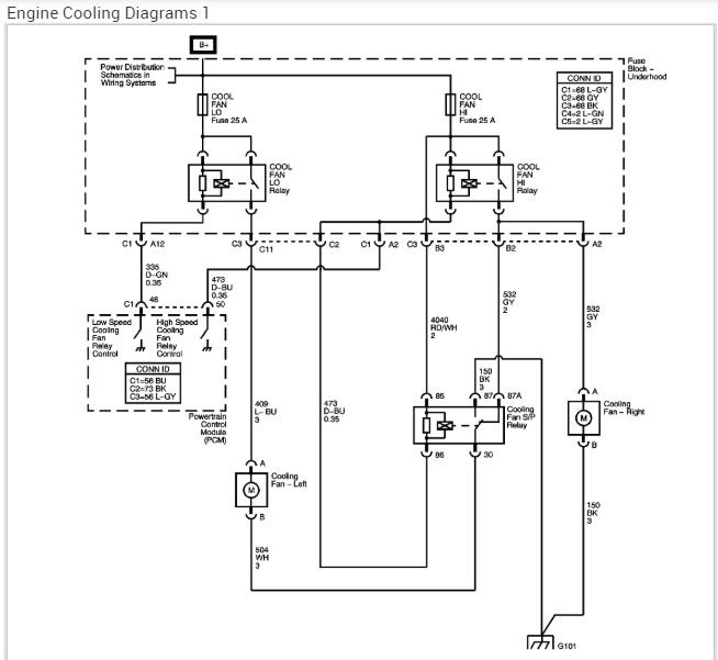
I'll give you a hand. So its only overheating at idle, you can drive around just fine but if your stopped at a light or something it will get hot? Is your gauge showing this before the coolant start to come out of the reservoir? There's not much left if you have changed the parts that you have list. You need to verify that the cooling fans are coming on. Below I have attached a diagram for the fans and the harness that connects to the relay that runs it. You will need a test light to check it. First though start the car and watch it warm up feel the upper radiator hose once the thermostat opens the hose should get hot. While your doing this keep checking the temp gauge before the temp gauge starts to go up and read hot the cooling fans should come on. If they don't start to do the test I mentioned above. Starting with making sure the flasher has power going into it. It should click and the fans should go on, make sure the heat inside is off. Right when the gauge starts to move, turn on the heat and then the A/C on for a minute when you do this the fans should also turn on, if they don't we will have to look farther into that part. If they do, turn off the heating or A/C off and wait for the car to get close to overheating if the fans don't go on shut off he car. This will tell us if your issue has to do with them. The relay or fuse is the common issue not the fans themselves. Below is a pic of the fan area and the harness that show the relay in question and the wiring diagram for this circuit.
Let me know what happens
Tom
Was this
answer
helpful?
Yes
No
-1
Friday, August 7th, 2020 AT 9:10 PM

Please login or register to post a reply.