Monday, July 27th, 2015 AT 2:15 PM
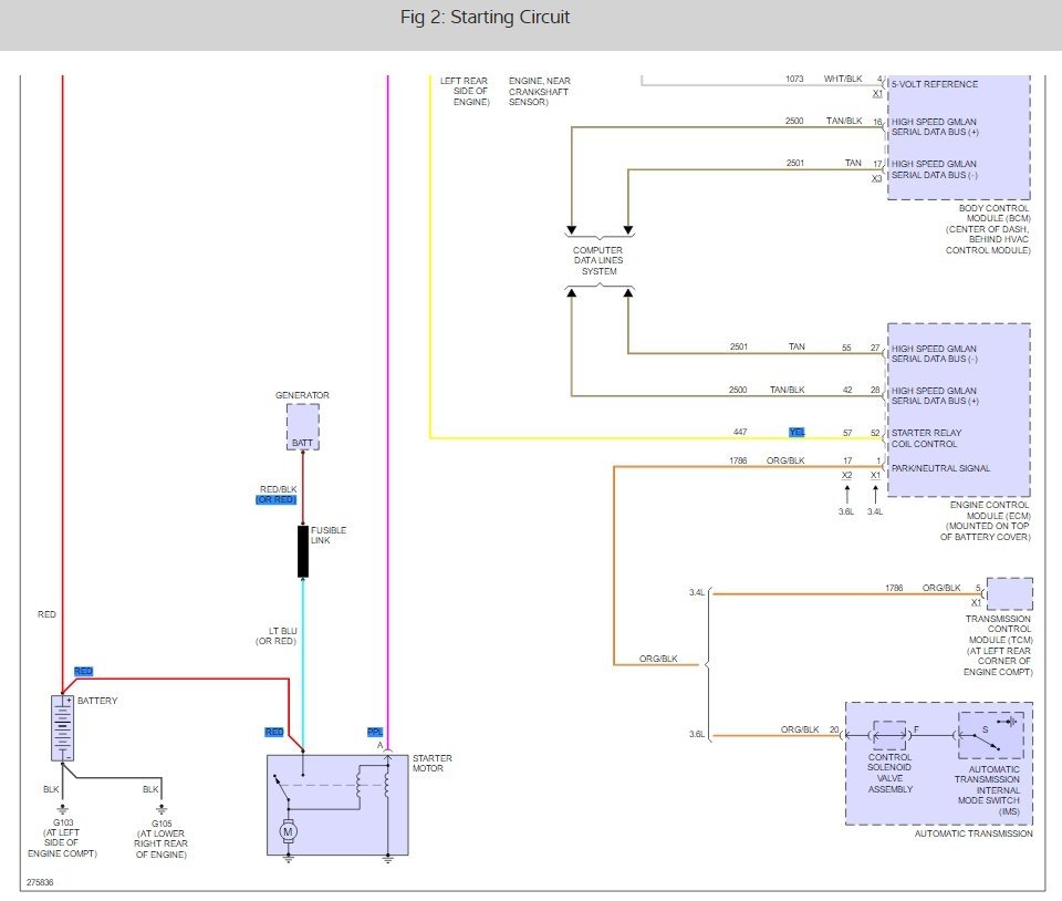
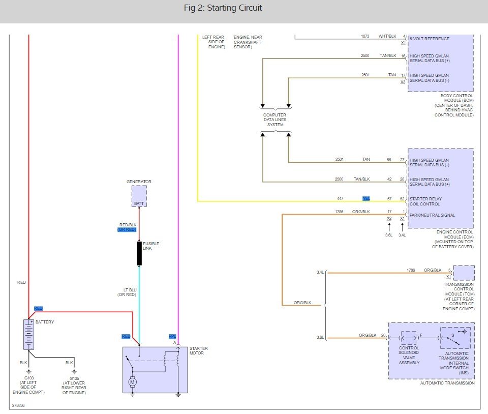
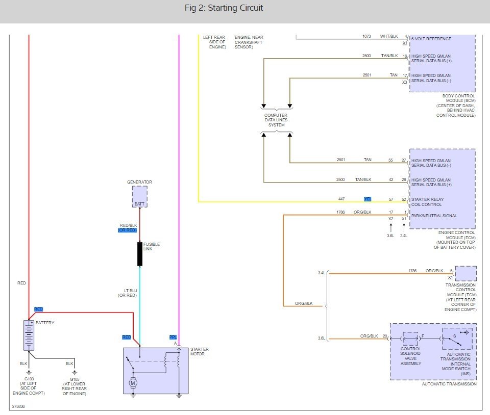
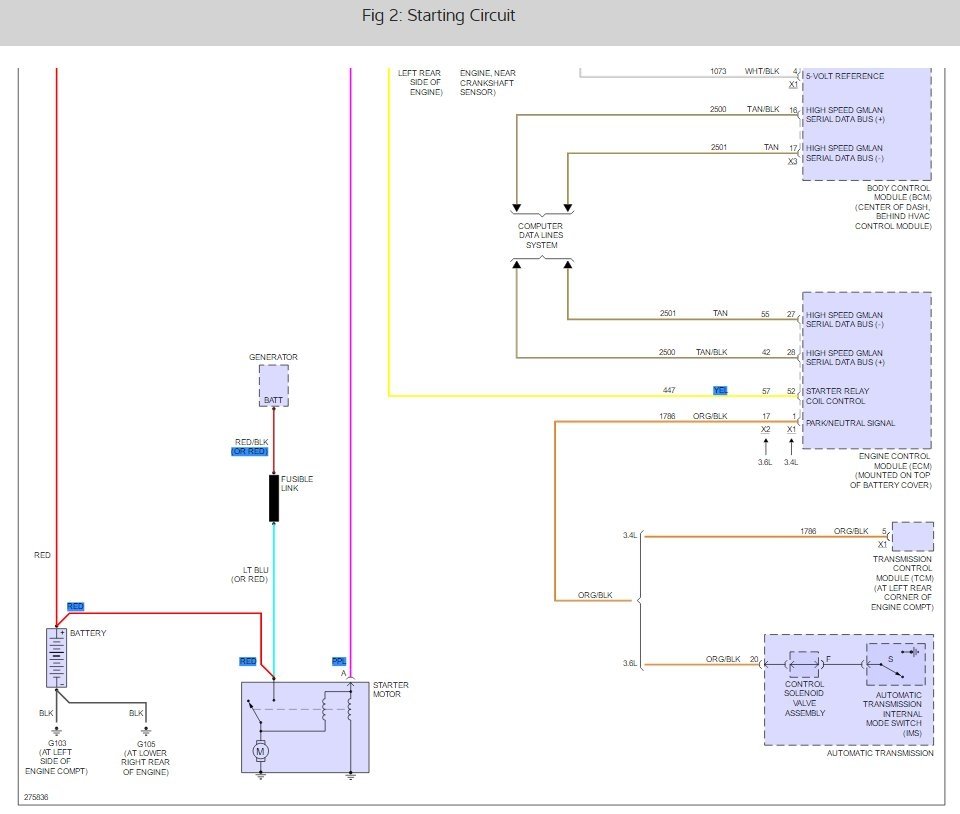
Have battery power. My husband said he smelled a burning plastic type smell in the way to the grocery store. He parked and went in. When he came back out the car would not start or turnover. Still have lights and power, just no ignition start. Thinking a fuse? Anyone know which one or how to check? We are super broke right now, can't afford a mechanic or tow :( any help would be so much appreciated! !



