Overheating

Tiny
MTORRES227
  • MEMBER
  • 1997 CHEVROLET LUMINA
  • 3.1L
  • V6
  • 2WD
  • AUTOMATIC
  • 115,000 MILES
It will overheat if A/C is off, what can it be? I. Checked relays, they're fine, new water pump, hasn't been overheated.
Thursday, February 24th, 2022 AT 4:13 AM

1 Reply

Tiny
WENDY W
  • MECHANIC
  • 86 POSTS
Hello!

It sounds like at least one of the cooling fans may have failed or may not be energizing whenever the air conditioning is not switched on. There also could be a problem within the cooling system circuits that is preventing the fans from running.

Here are a couple of repair guides and a video tutorial that may help you further diagnose the overheating issue:

https://youtu.be/Hlna_kUt7As

https://www.2carpros.com/articles/engine-overheating-or-running-hot

https://www.2carpros.com/articles/how-an-electric-cooling-fan-works

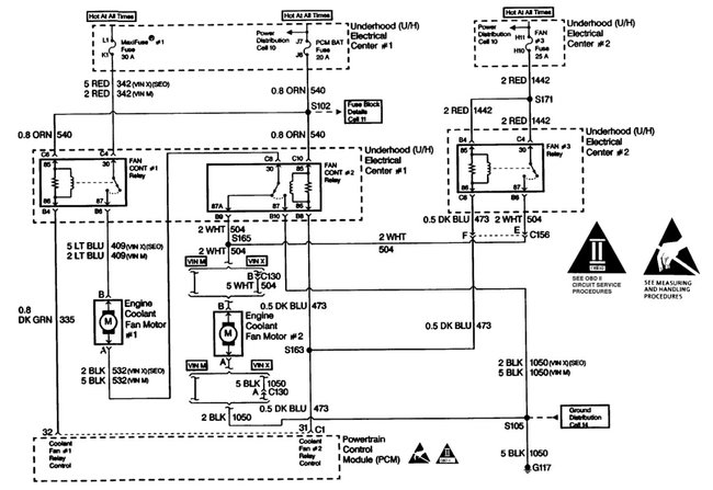
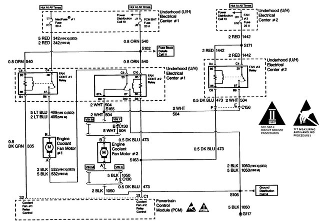
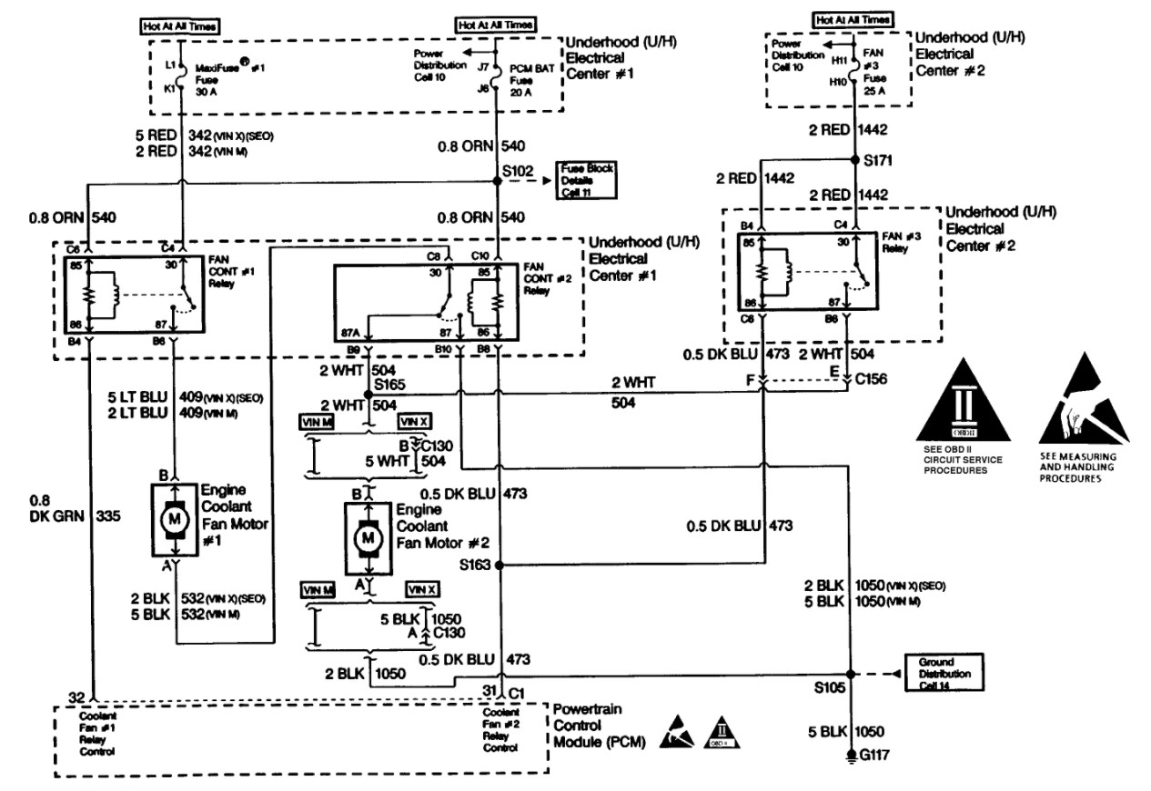
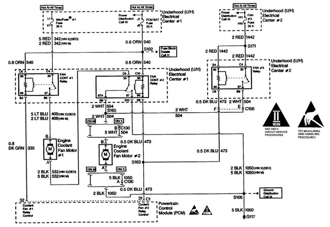
I've attached a schematic for the cooling fans and relays, along with removal and installation instructions for the cooling fans, if needed (below).

Please let us know what you find.

Thanks, Wendy W
Was this
answer
helpful?
Yes
No
Thursday, February 24th, 2022 AT 1:26 PM

Please login or register to post a reply.