It still wants to overheat?

Tiny
TRAVIS BUTLER2
  • MEMBER
  • 2005 CHEVROLET CLASSIC
  • 2.2L
  • 4 CYL
  • 2WD
  • AUTOMATIC
  • 191,589 MILES
Okay I've replaced the coolant temperature sensor I've done a coolant flush on it and still it doesn't want to kick the fan on to cool it down I've main line to the fans to the battery it comes on I ordered a relay haven't got that in quite yet but it still wants to overheat what could possibly be the problem it happened on a trip back from Curlew Washington to Yakima Washington
Tuesday, May 2nd, 2023 AT 9:29 PM

62 Replies

Tiny
BRENDON S
  • MECHANIC
  • 653 POSTS
Good morning, TRAVIS BUTLER2,

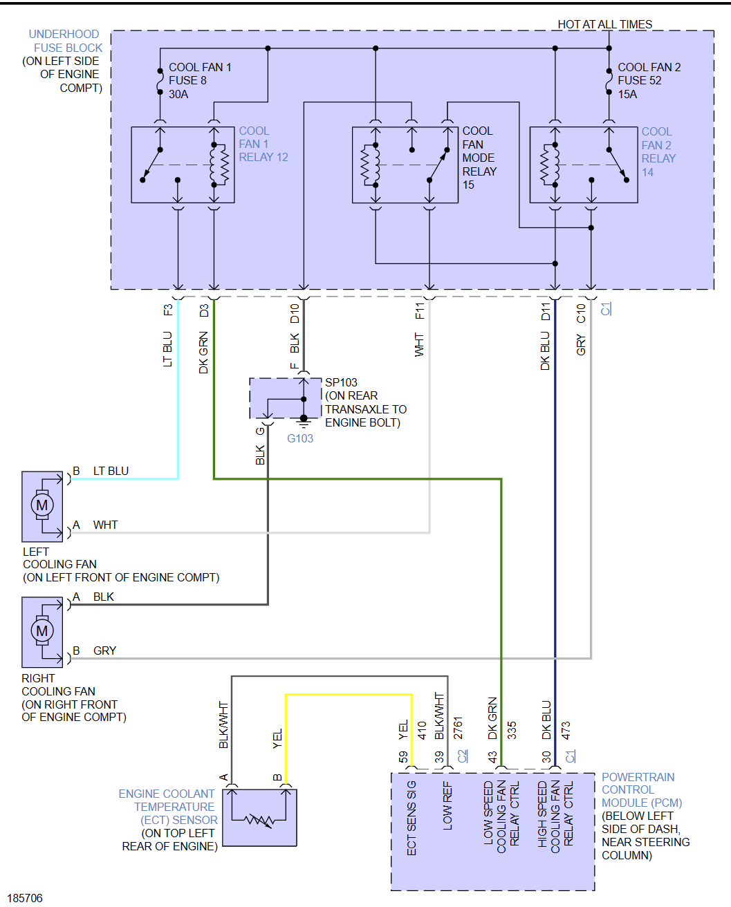
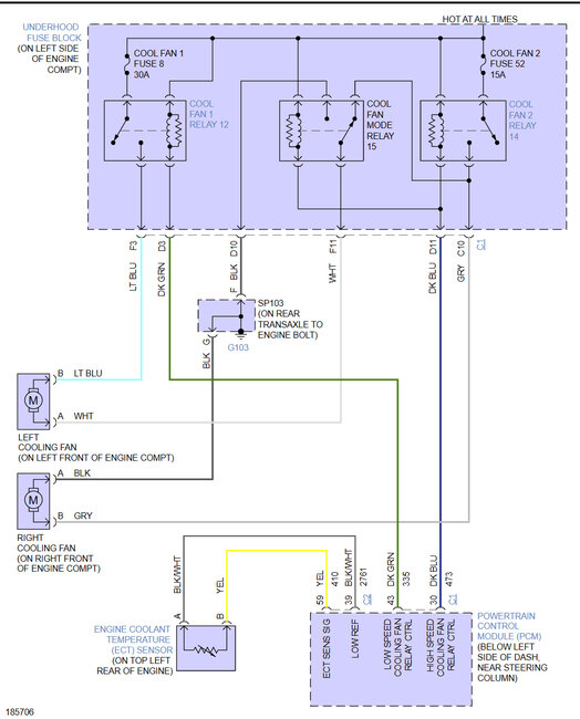
I have included a wiring diagram for the cooling fan circuit as well as a fuse box diagram. There are 2 fuses (marked in yellow) and 3 relays (marked in green).

I would check the fuses first with them still installed with a test light. Here is an article that will show you how to do that:
https://www.2carpros.com/articles/how-to-check-a-car-fuse

Next, I would test all 3 relays. Here is an article that will show you how to do that:
https://www.2carpros.com/articles/how-to-check-an-electrical-relay-and-wiring-control-circuit

Both articles have a lot of great information in them.

I have added an image of a typical 4 wire relay and a 5-wire relay because you have both in this circuit.

This time I would take a test light and hook it to battery negative. Your relays should have wiring diagrams on them. Remove the relays one at a time and see if you have power on terminal 30 on fuse box for all 3 relays.

If the fuses were good, this final test will tell us everything from the fuses to the relays are good.

Let me know what you find from these 3 tests, and we can go from there, testing the rest of the circuit.

Thank you,
Brendon
Was this
answer
helpful?
Yes
No
Wednesday, June 7th, 2023 AT 5:48 AM
Tiny
TRAVIS BUTLER2
  • MEMBER
  • 83 POSTS
Okay, I checked fuses they are ok I replaced 12 relay others haven't been able to check yet. I also replaced water pump and thermostat it still wants to overheat.
Was this
answer
helpful?
Yes
No
Thursday, June 8th, 2023 AT 12:04 PM
Tiny
TRAVIS BUTLER2
  • MEMBER
  • 83 POSTS
I forgot to mention it don't leak and coolant isn't going into oil.
Was this
answer
helpful?
Yes
No
Thursday, June 8th, 2023 AT 12:05 PM
Tiny
BRENDON S
  • MECHANIC
  • 653 POSTS
Hello TRAVIS BUTLER2,

Looks like relays 14 and 15 are the same, at least on my end. I would try switching them and see if the fans come on.

If nothing changes, I would test the relays to make sure they are good and if so put them back for now.

You can also test the ECT circuit to make sure it is functioning properly. I know you replaced the sensor, but the reading depends on a low voltage reference from the PCM. If the PCM isn't getting the right signal, because it isn't sending out the right voltage in the first place, it will not turn on the fans.

The best way to check this is with a scan tool, do you have one? If so, you can bring up the engine temperature and the signal voltage.

If not, another way is to use a multimeter. There are 2 wires coming out of the ECT Sensor. The yellow wire is the signal wire that is being sent to the PCM. We want to measure the voltage on the wire. I have attached a wiring diagram for you.

You will need to back probe the connector with a pin on the yellow wire.
Put black lead on ground on battery negative and red lead on the pin. You should have a signal voltage of roughly 0.5 to 4.5 volts. You should never see 0 or 5.0volts.

This sensor is simply a resistor. 5 volts is sent from the PCM to the sensor. The sensors resistance increases as temperature increases, which lowers the voltage signal the PCM receives. The lower the signal wire voltage the hotter the vehicle should be.

This will tell us the PCM is sending the right voltage to the sensor and the right signal to the PCM. Key needs to be on but not started.

I will add a picture of the multimeter I have. If you don't have one you can pick one up at the auto parts store or Home Depot has them too. That's where I got mine from.

I am also adding the pins I use to back probe connectors. You can get them at Walmart in the craft section. You may also use a sewing needle and bend the end 90 degrees so you can push it into the connector.

So, I would try switching 14 and 15 and see if anything changes and check the voltage signal from the sensor on the yellow wire. Then test the other 2 relays to make sure they are good.

Here is a good article about a multimeter that will help:
https://www.2carpros.com/articles/how-to-use-a-voltmeter

Here is a video on how to back probe correctly:
https://youtu.be/Spy8AXlxVT0

Then we can rule out all of those as possible issues.

Please let me know if you need any help testing.

Thank you,
Brendon
Was this
answer
helpful?
Yes
No
Thursday, June 8th, 2023 AT 1:10 PM
Tiny
TRAVIS BUTLER2
  • MEMBER
  • 83 POSTS
Yes, I have a scan tool. What exactly am I supposed to look for I'm in the live data powertrain?
Was this
answer
helpful?
Yes
No
Saturday, June 10th, 2023 AT 2:38 PM
Tiny
BRENDON S
  • MECHANIC
  • 653 POSTS
Hello TRAVIS BUTLER2,

You are going to want to pull up the engine coolant temperature and see if you can get an ect voltage reading as well.

Also see if you have an option to turn on the cooling fans and see if it will let you turn them on manually.

Did you try switching relays 14 and 15 and see if that changed anything or get around to testing them?

Thank you,
Brendon
Was this
answer
helpful?
Yes
No
Saturday, June 10th, 2023 AT 4:52 PM
Tiny
TRAVIS BUTLER2
  • MEMBER
  • 83 POSTS
One is 4 prong the other is 5 n it won't let me turn them on manually other than how I turn them on with a toggle switch and I don't have the stuff to test them atm.
Was this
answer
helpful?
Yes
No
Monday, June 12th, 2023 AT 5:16 PM
Tiny
BRENDON S
  • MECHANIC
  • 653 POSTS
Hello TRAVIS BUTLER2,

Did your scan tool not have the option, or did you try commanding the fans on, but they didn't come on?

You should have two 5 prong relays and one 4 prong relay. Can you verify this for me?

I am re-sending the fuse box diagram, 14 and 15 should be both 5 prong.

I just want to make sure my info is correct.

If they are, and look exactly the same, try switching the two and see if the fans will come on. Sometimes a good way to find a bad relay is by switching it with one that is exactly the same.

Also, where you able to pull up a voltage for the ECT with your scan tool? If so, what did you get key on engine off? What about with it running and up to temp? What did you get for voltage?

Thank you,
Brendon
Was this
answer
helpful?
Yes
No
Monday, June 12th, 2023 AT 5:43 PM
Tiny
TRAVIS BUTLER2
  • MEMBER
  • 83 POSTS
K14 is a four-prong 15 is 5 prong I tried switching 14 with the HVAC blower and 15 with the one that I bought when I hooked up my scan tool it don't have that option but the voltage with the motor off cold says o2sb1s1 0.445 volts it won't tell me the ECT voltage it just says 77°, but that's the only one that tells me volts on my scan tool and that's in through the live data section I haven't tried it getting it up to temperature yet to see what the voltage is.
Was this
answer
helpful?
Yes
No
Tuesday, June 13th, 2023 AT 6:11 AM
Tiny
TRAVIS BUTLER2
  • MEMBER
  • 83 POSTS
When I switched the relays nothing happens still.
Was this
answer
helpful?
Yes
No
Tuesday, June 13th, 2023 AT 6:11 AM
Tiny
BRENDON S
  • MECHANIC
  • 653 POSTS
Hello TRAVIS BUTLER2,

Okay. So, you only have 2 relays? So, the diagram I sent you isn't what your fuse box looks like?

Can you send me a photo of the fuse/relay panel you have? I keep pulling up diagrams with 3 relays for this vehicle.

I need to make sure my information is accurate so I can help you.

If you can snap a couple good photos for me really quickly and send them over so I can compare it to my information, I would really appreciate it.

Can you verify your vehicles details for me also?
I have:
2005 Chevy Classic with 2.2L, Front Wheel Drive, Automatic

Is this correct?

Sorry for the confusion and thank you for your patience.

Thank you,
Brendon
Was this
answer
helpful?
Yes
No
Tuesday, June 13th, 2023 AT 6:59 AM
Tiny
BRENDON S
  • MECHANIC
  • 653 POSTS
Hello TRAVIS BUTLER2,

Also getting it up to operating temperature and seeing what the scan tool is saying the temperature is, is definitely a good idea.

We know the sensor is good cause it's new. But if there is something going on that is dropping the reading when the PCM gets the info, like extra resistance in the circuit or the computer isn't supplying the full 5-volt low reference signal, the computer isn't going to turn on the fan because it will think it is cooler than it actually is.

So, I would definitely warm it up and see what it says and send some pics of the fuse box if you can.

Thank you,
Brendon
Was this
answer
helpful?
Yes
No
Tuesday, June 13th, 2023 AT 7:18 AM
Tiny
TRAVIS BUTLER2
  • MEMBER
  • 83 POSTS
Okay, I got the key on engine off and it's at 180° but it's still saying 0.445 volts for the 02sb1s1 and my phone is being retarded it won't upload a video or picture, it's saying that it's the wrong format.
Was this
answer
helpful?
Yes
No
Tuesday, June 13th, 2023 AT 10:22 AM
Tiny
TRAVIS BUTLER2
  • MEMBER
  • 83 POSTS
But my fuse box looks exactly like the one you sent me it's just number 14 is a four-prong and 15 is a five.
Was this
answer
helpful?
Yes
No
Tuesday, June 13th, 2023 AT 10:23 AM
Tiny
BRENDON S
  • MECHANIC
  • 653 POSTS
Hello TRAVIS BUTLER2,

Okay. That's too bad your phone won't send them. It must not be a supported file type. No big deal we will work around it.

O2sb1s1-That sounds like the data pid for upstream O2. If so that data isn't going to help us. Key on you should have voltage there. When running if that is the upstream O2 then it will fluctuate between 0.1 to 0.9. I would remove this data from your live stream if you can, to avoid confusion.

Does your temperature gauge on the car match the scan tool?

See if you can get the temp up higher.

When you tried to command on the fans, did the scan tool not have the option or does it have the option, but it wouldn't work? Can you clarify this for me?

Do you have this circuit hook back up the way it was or is it still connected to the battery?

If it is still hooked to the battery the fans aren't going to kick on. You will need to hook it back up the way it was. But let's find this 3rd relay if we can.

You said your fuse box is the same, but you say you only have 2 relays; you should have 3.

I have added the diagram again. Do you have a relay in position 12 that I have circled?

I need to know so we can move on because that is the relay for half the circuit.

We need to check the control side of this circuit. You going to have to get it up to temp which should be right around 210 degrees Fahrenheit. Fans should turn on around 195 degrees Fahrenheit. At this point the PCM should be commanding on the fans.

If it is then we will have power on terminal 87, more likely on the low side first. Which is the relay number 12.

So, I need to know if you have relay number 12. Please compare diagram and see if that relay is there.

Thank you,
Brendon
Was this
answer
helpful?
Yes
No
Tuesday, June 13th, 2023 AT 11:29 AM
Tiny
BRENDON S
  • MECHANIC
  • 653 POSTS
Hello TRAVIS BUTLER2,

What we know:
The fans operate, so their good.
Fuses checked, their good.
ECT replaced, so that's good.
So far, we know at least one relay is good.

So, the last part of the puzzle is a wiring issue. To check for wiring issues, we need to isolate and test all parts of the circuit and eliminate them one at a time.

If on all relays we have power at terminal 30 on each relay position. This terminal should have power at all times.

Terminal 86 on each relay should have power when the PCM gets the signal from the ECT and once it hits a certain temperature, will put power to this terminal. So when the vehicle reads on the scan tool above about 195 degrees it should turn on at least one of those relays at terminal 86.

So, we will use a test light to battery negative and see if any relays have power at terminal 86.

Also, when you wired the fans, I am assuming you took power and ground to battery?

Thank you,
Brendon
Was this
answer
helpful?
Yes
No
Tuesday, June 13th, 2023 AT 11:43 AM
Tiny
TRAVIS BUTLER2
  • MEMBER
  • 83 POSTS
I hooked positive to battery ground to frame went to 2 way toggle switch with inline fuse.
Was this
answer
helpful?
Yes
No
Tuesday, June 13th, 2023 AT 9:03 PM
Tiny
TRAVIS BUTLER2
  • MEMBER
  • 83 POSTS
N I did get it up to 213 degrees still no fan
Was this
answer
helpful?
Yes
No
Tuesday, June 13th, 2023 AT 9:05 PM
Tiny
BRENDON S
  • MECHANIC
  • 653 POSTS
Good morning, TRAVIS BUTLER2,

Are the fans still hooked up to the cooling fan circuit and you just ran additional wires from fans to battery and frame or are they completely disconnected from the cooling fan circuit?

Also do you have a multi-meter?

Thank you,
Brendon
Was this
answer
helpful?
Yes
No
Wednesday, June 14th, 2023 AT 4:56 AM
Tiny
TRAVIS BUTLER2
  • MEMBER
  • 83 POSTS
Sorry, I didn't see that u replied until I searched for the messages but yes I have a multimeter and the fans are still hooked up to the circuit I just added extra wires go from battery to inline fuse to toggle from there to fan n ground goes to frame but I forgot to mention that if I have the fan on n try turning on the ac it will blow my inline fuse idk if that helps at all.
Was this
answer
helpful?
Yes
No
Saturday, July 22nd, 2023 AT 8:40 AM

Please login or register to post a reply.