My radiator cooling fan is not working why?

Tiny
HYDRO605
  • MEMBER
  • 2 POSTS
  • 1997 BUICK CENTURY
Radiator fans do not work. I have replaced all 3 relays, as well as the coolant temperature sensor. The fans do come on when connected to direct power as well as coming on when the a/c is is turned on, but they only operate at a low speed with the a/c. Any ideas?
Was this
answer
helpful?
Yes
No
Wednesday, May 26th, 2021 AT 12:19 PM (Merged)
Tiny
KEN L
  • MASTER CERTIFIED MECHANIC
  • 55,322 POSTS
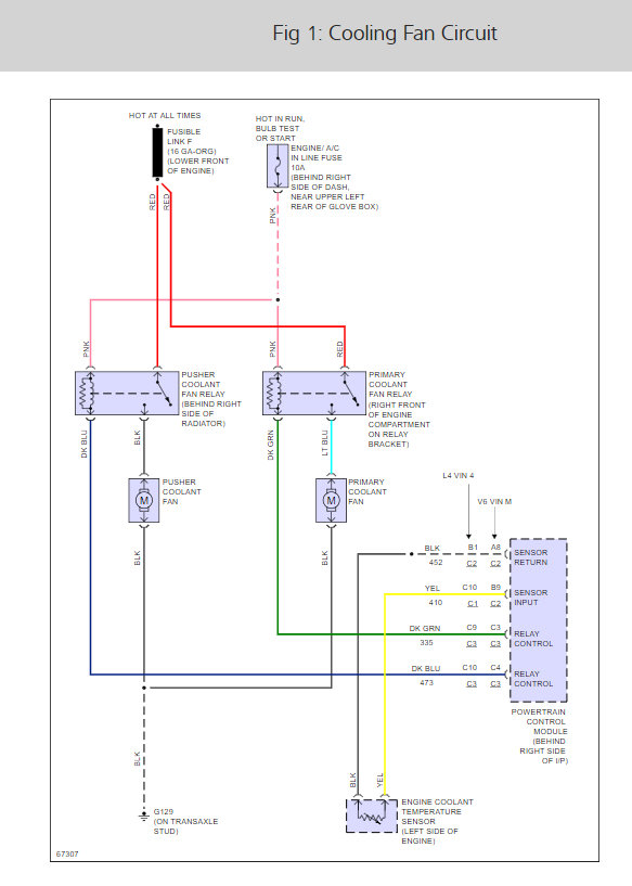
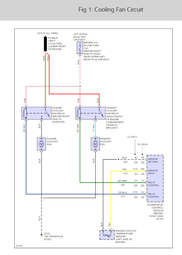
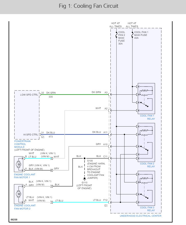
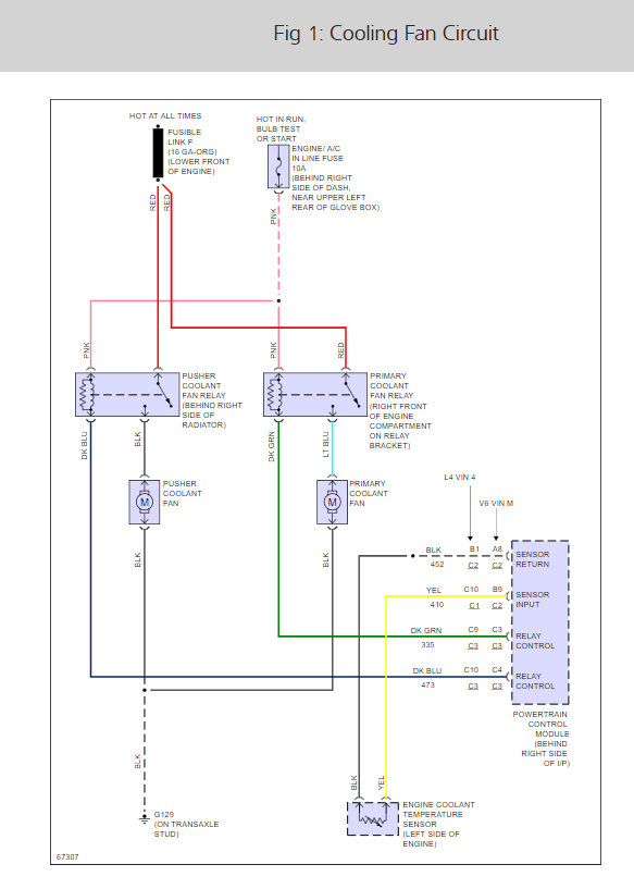
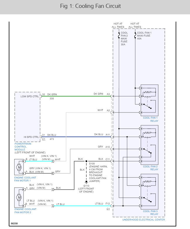
You have two main power fuses, 30 and 40 amp in the main fuse panel, check these first, then check for power/ground at the relay, if all checks out you will need to check the electrical wires step by step with a wiring diagram below.

https://www.2carpros.com/articles/how-to-check-wiring

Check out the diagrams (Below). Please let us know what you find. We are interested to see what it is.
Was this
answer
helpful?
Yes
No
+1
Wednesday, May 26th, 2021 AT 12:19 PM (Merged)
Tiny
DALICH
  • MEMBER
  • 7 POSTS
  • 1995 BUICK CENTURY
I have recently replaced the ECM thinking it is bad b/c the cooling fan and AC fan are not coming on. Even when turning on the AC, no fans or compressor. The new ECM made no difference.

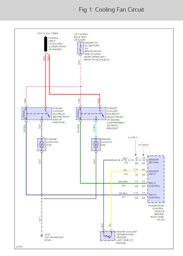
The relays and fans are fine. I believe that the cooling fan relay "should" have a hot link to the relay and the ECM then grouns the other side causing the relay to close. I did not have the "hot" side on the relay and when I cut and jumped this wire to Hot, the cooling fan will turn on and off with engine temp.

Is there a fusible link in the wiring harness that supplies the hot side to the cooling fan relay? If so, where is it and what are the wire colors? I was told to look for a real along side the steering column but cannot find anything inside the passenger compartment.

In summary, ac compressor, fan and cooling fan not working. Fuses in fuse block are fine. No hot wire to cooling fan relay. Is there a fuse somewhere inline?
Was this
answer
helpful?
Yes
No
Wednesday, May 26th, 2021 AT 12:19 PM (Merged)
Tiny
JDL
  • MECHANIC
  • 16,098 POSTS
Here is the fan wiring diagrams and the relay location and a guide to help you test the relay.

https://www.2carpros.com/articles/how-to-check-an-electrical-relay-and-wiring-control-circuit

Check out the diagrams (Below). Please let us know what you find. We are interested to see what it is.

Cheers
Was this
answer
helpful?
Yes
No
+4
Wednesday, May 26th, 2021 AT 12:19 PM (Merged)
Tiny
DALICH
  • MEMBER
  • 7 POSTS
Okay, judging by the wiring diagram it is looking like the 10A in-line fuse (behind the right side of dash near upper left rear of glovebox). The fuse center is located in the glovebox. I removed the glovebox where I can see all the way back to the firewall. I cannot find this inline fuse. There are a bunch of pink wires, but I cannot find this inline fuse. It is a 1995 Buick Century 4 cylinder 2.2L

I have a very good view, I just do not see this inline fuse.

Never mind. Just found it. 3 fused links were taped together out of sight. Felt like a plug but when unwrapped I found the fuses. 10A, pink wires, blown. All fixed! Thanks I love this site.

Thanks,
Dan
Was this
answer
helpful?
Yes
No
Wednesday, May 26th, 2021 AT 12:19 PM (Merged)
Tiny
JDL
  • MECHANIC
  • 16,098 POSTS
Nice work, we are here to help, please use 2CarPros anytime.

Cheers
Was this
answer
helpful?
Yes
No
+1
Wednesday, May 26th, 2021 AT 12:19 PM (Merged)
Tiny
CHASENDRAKE
  • MEMBER
  • 2 POSTS
  • 1994 BUICK CENTURY
  • 6 CYL
  • 2WD
  • AUTOMATIC
  • 160,000 MILES
I am trying to figure out why the cooling fans do not work and the car overheats, there are 2 fans on the radiator ands niether work, I replaced one fan motor and the thermostat seams to be working but the fans won't come on when engine gets warm, can you help with this problem? Thx
Was this
answer
helpful?
Yes
No
Wednesday, May 26th, 2021 AT 12:19 PM (Merged)
Tiny
LEGITIMATE007
  • MECHANIC
  • 5,121 POSTS
Is there an engine light on, does the fan come on when you turn the a/c on or turn the defroster on?
Was this
answer
helpful?
Yes
No
+2
Wednesday, May 26th, 2021 AT 12:19 PM (Merged)
Tiny
CHASENDRAKE
  • MEMBER
  • 2 POSTS
There is no light on and when I turn the air conditioner on, no fan works, the guy at the auto parts store said it may be the relay or the fuse under the hood but I do not know where these are located if you could help with the location of these items and if you think this is the problem please let me know thx
Was this
answer
helpful?
Yes
No
+1
Wednesday, May 26th, 2021 AT 12:19 PM (Merged)
Tiny
DOCHAGERTY
  • MECHANIC
  • 9,603 POSTS
The relays are behind the right headlight and the fuse box is in the glove box.
Was this
answer
helpful?
Yes
No
+2
Wednesday, May 26th, 2021 AT 12:19 PM (Merged)

Please login or register to post a reply.