Saturday, October 23rd, 2010 AT 12:28 PM
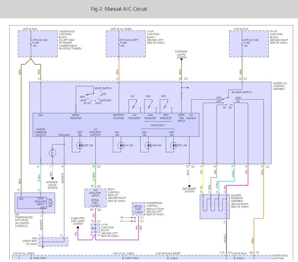
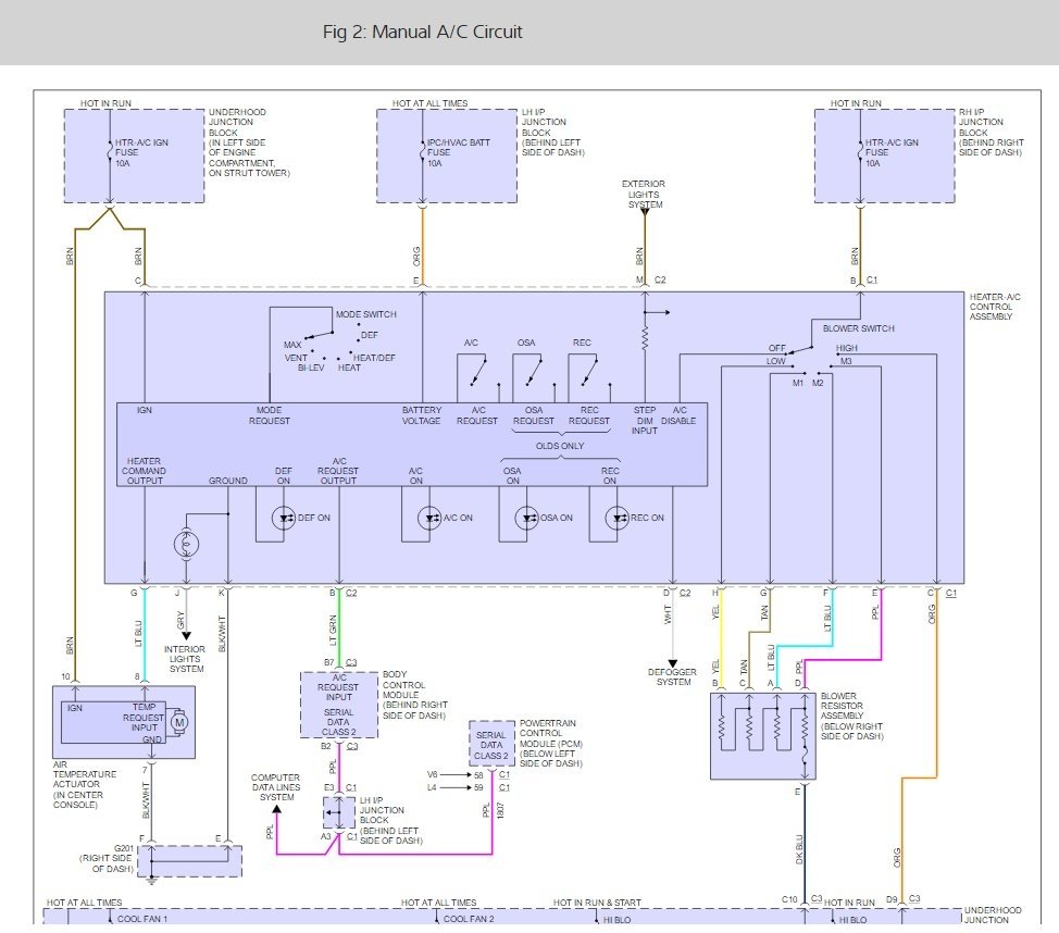
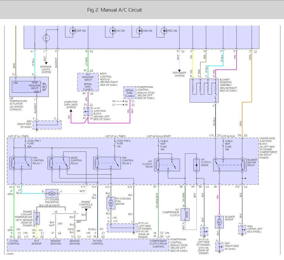
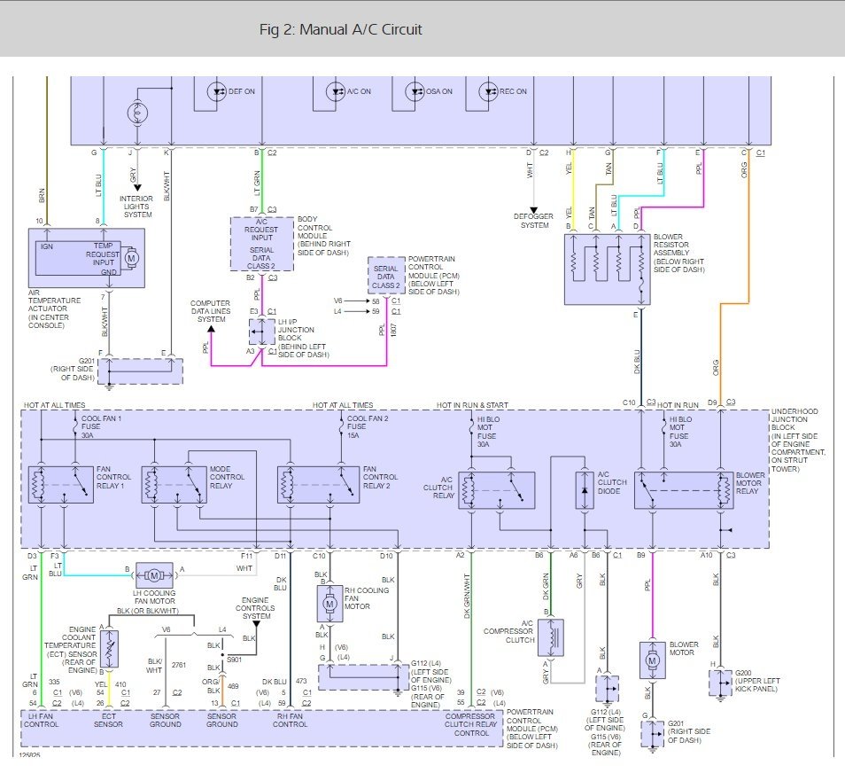
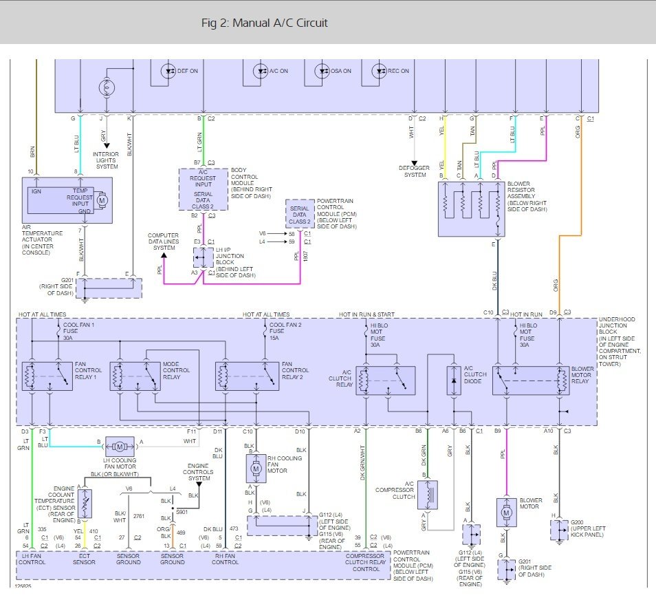
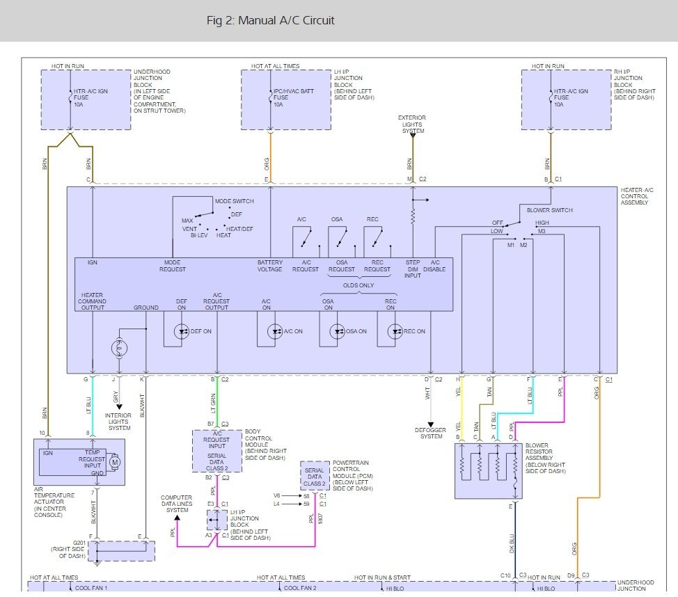
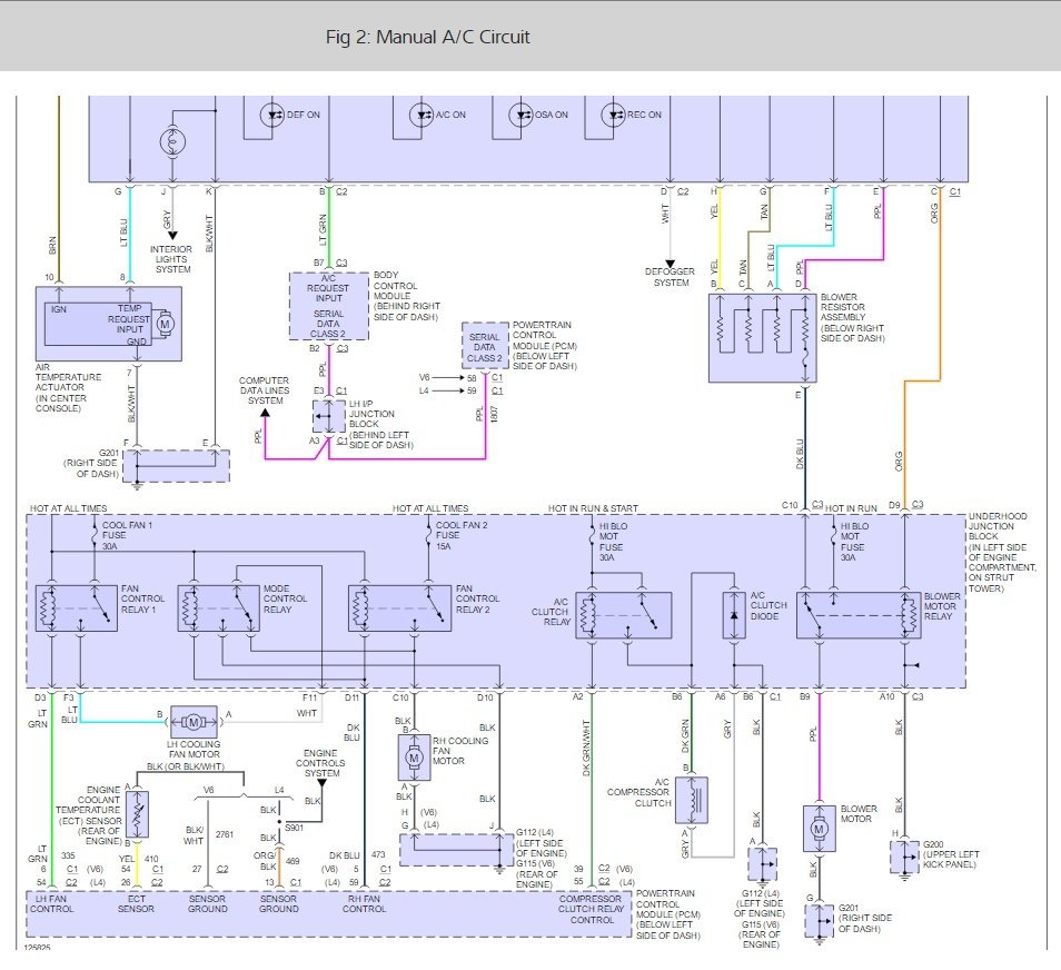
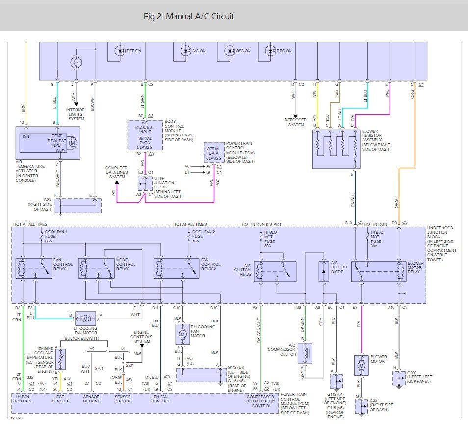
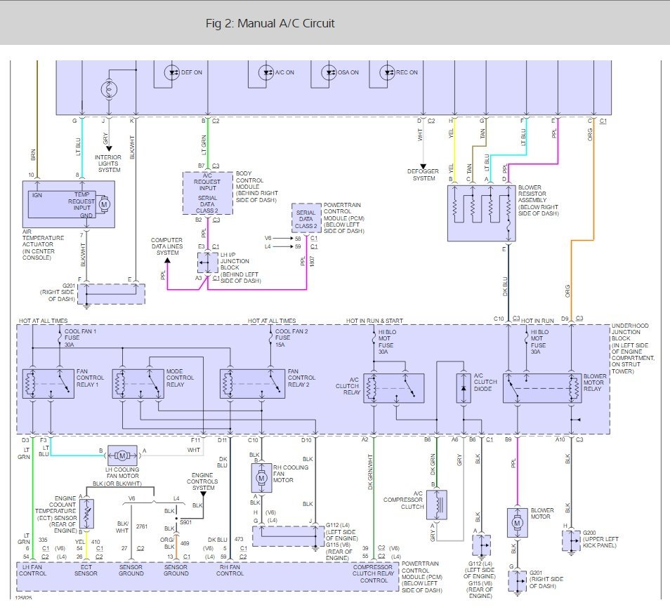
My car starting over heating so I checked under the hood and notice I had lost antifreeze from the surge tank. I added more antifreeze, started the engine and noticed the cooling fans were not running. Do they turn on only when needed or is there a problem with a fuse or relay? Thanks for the help!


