When you turn the key the only thing that comes on is the check engine light?

Tiny
04COLORADOZ714X4
  • MEMBER
  • 2004 CHEVROLET COLORADO
  • 3.5L
  • 5 CYL
  • 4WD
  • AUTOMATIC
  • 350,000 MILES
When you open the door there is no chime, when you turn the key the only thing that comes on is the check engine light. You can hear a click on the top of the motor, like a pump priming. I changed the ignition, I have had trouble with it before. But that didn't fix it. BCM? Also, I had my windshield replaced and it leaks pretty bad, would that help fail the BCM? The truck was running and driving, shut it down to change transmission lines. And the truck sat for 6 months with the windshield leaking. I tried to shop vac it out and put a dehumidifier in my truck. No codes from obd2.

I have also taken out the bcm and inspected it, clean and nothing looked burnt or discolored. Hooked up the battery and tried the key and just the check engine light nothing else. No turn or start. Disconnected the wiring harness right below the bcm, (i think it runs to the back of the truck running along the running panel), and when I tried the key again there was no check engine light or anything else?

Any help will be much appreciated.

Thank you.
Thursday, August 3rd, 2023 AT 8:15 AM

26 Replies

Tiny
KEN L
  • MASTER CERTIFIED MECHANIC
  • 55,512 POSTS
It sounds like the battery is low so please make sure it is charged with the battery cables clean and tight. This guide can help us.

https://www.2carpros.com/articles/everything-goes-dead-when-engine-is-cranked

If this is not the problem the water damage to the BCM could be causing it but to be sure we need to do a CAN scan, you can get a CAN scanner (Controller Area Network) which will work on most cars from Amazon.

here is a video to show you how:

https://youtu.be/u-4syLc-ifQ

Here is how to change the BCM out, you can get a preprogrammed unit by searching Google or Ebay. You might want to try to dry out the electrical connectors as well.
Was this
answer
helpful?
Yes
No
Thursday, August 3rd, 2023 AT 2:13 PM
Tiny
04COLORADOZ714X4
  • MEMBER
  • 26 POSTS
I got the Autel al319 today and ran a test, but I am not too sure what I am looking for. The unit did not come with an instruction manual? So, I am going to try looking on the net.
Was this
answer
helpful?
Yes
No
Saturday, August 5th, 2023 AT 10:57 AM
Tiny
04COLORADOZ714X4
  • MEMBER
  • 26 POSTS
Do you know what I would be looking for?

Thanks,
Aric
Was this
answer
helpful?
Yes
No
Saturday, August 5th, 2023 AT 10:58 AM
Tiny
04COLORADOZ714X4
  • MEMBER
  • 26 POSTS
I ran the Autel al319 and it shows that there are no codes, and the readiness test states that evap, cat, hrt and 02s are not ready?
Was this
answer
helpful?
Yes
No
Saturday, August 5th, 2023 AT 11:26 AM
Tiny
KEN L
  • MASTER CERTIFIED MECHANIC
  • 55,512 POSTS
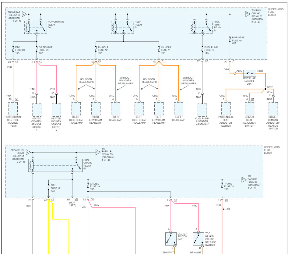
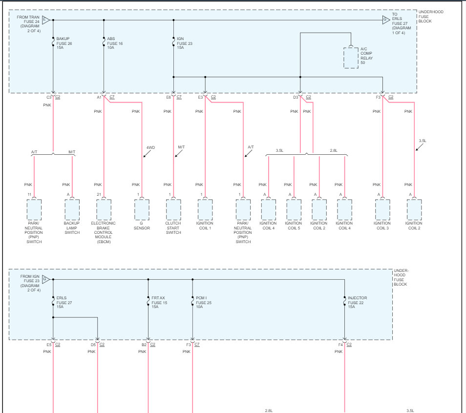
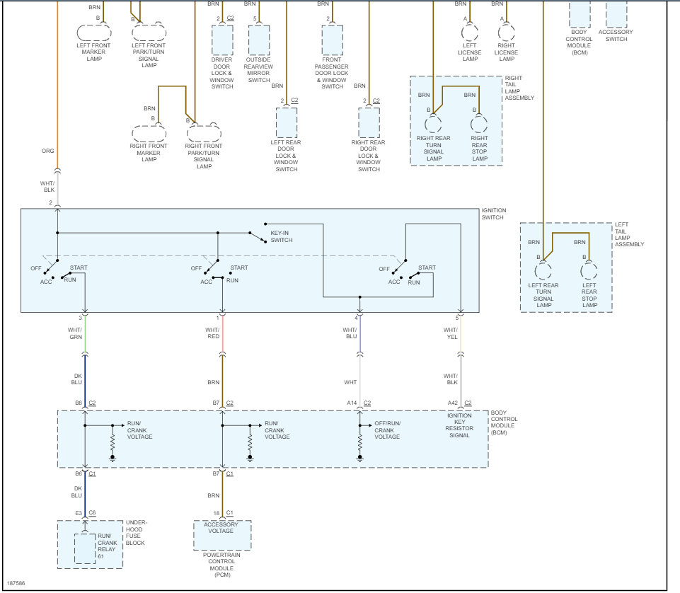
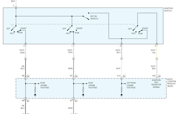
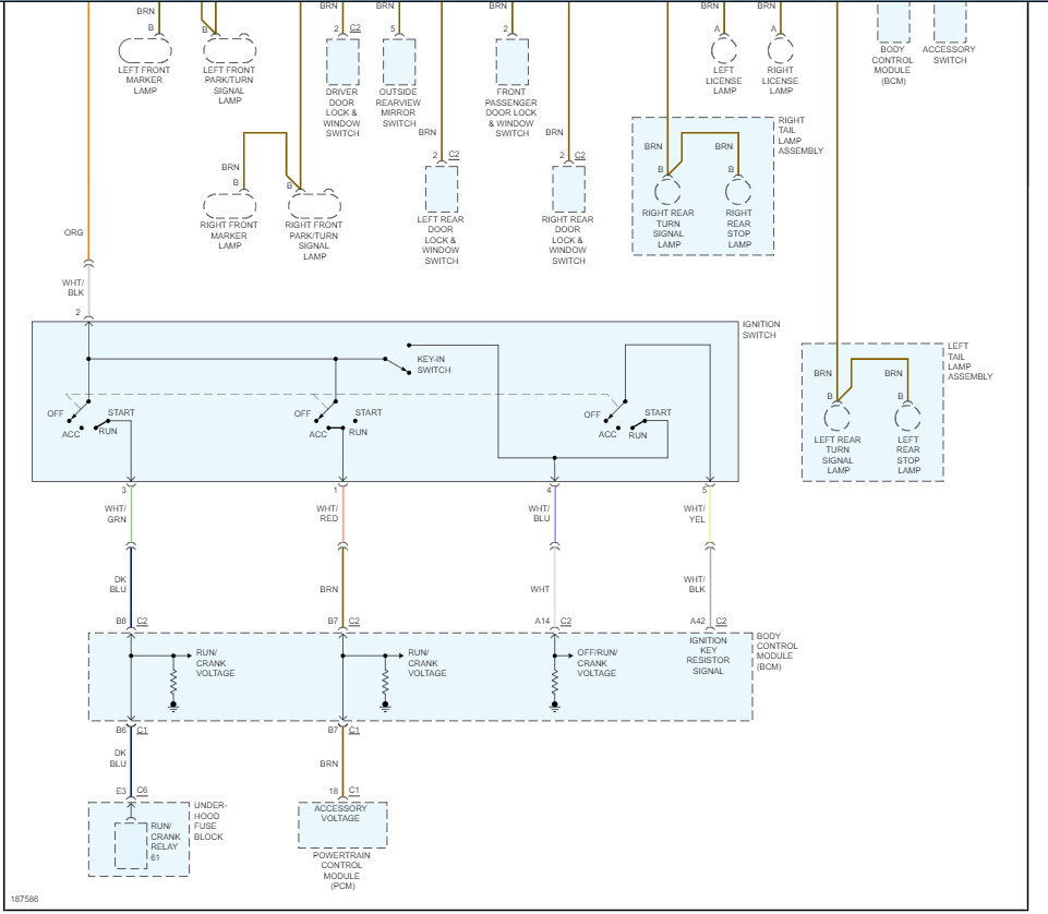
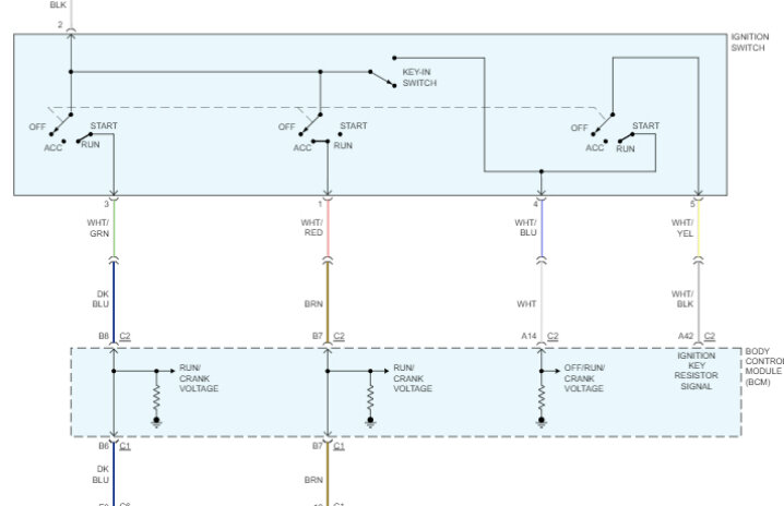
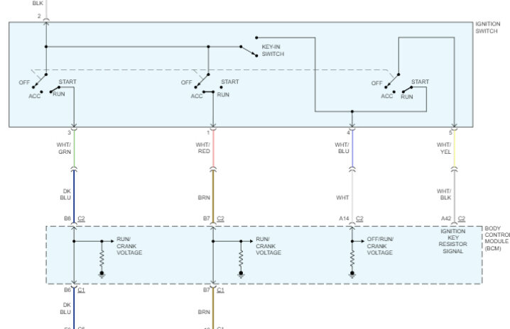
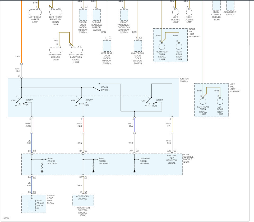
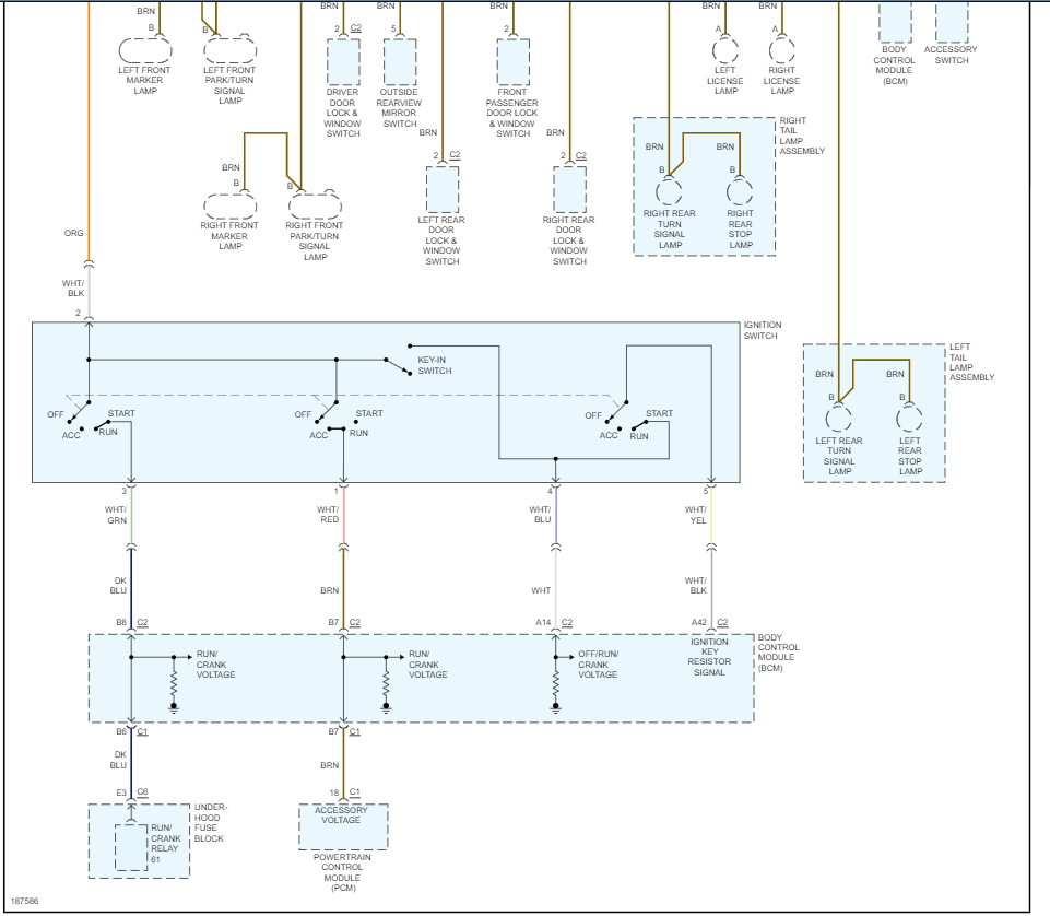
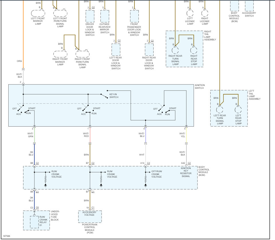
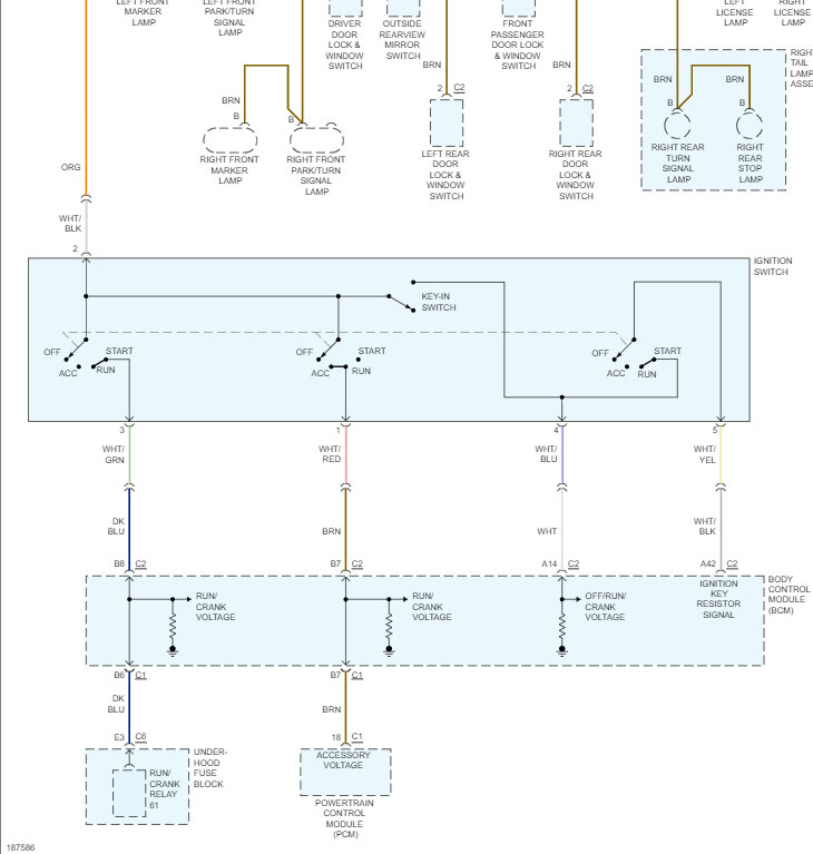
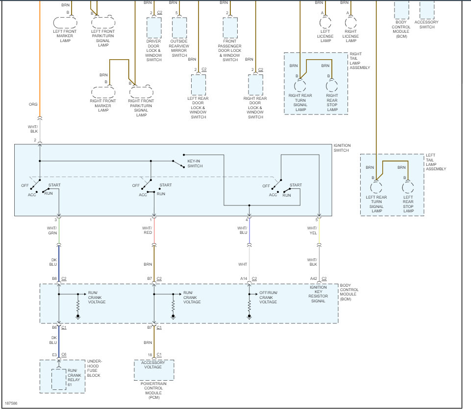
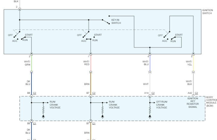
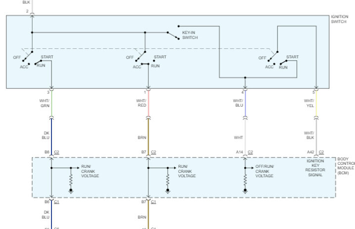
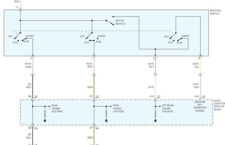
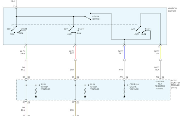
Okay, did you check the main power fuses? And if they are okay, it could be the ignition switch. Let's use this guide to help test for power input and output when the key is on.

https://www.2carpros.com/articles/how-to-use-a-test-light-circuit-tester

See if you have power to the orange wire, and then turn the switch on and test the outputs. Check out the images (below). Please let us know how it goes.
Was this
answer
helpful?
Yes
No
Monday, August 7th, 2023 AT 9:37 AM
Tiny
04COLORADOZ714X4
  • MEMBER
  • 26 POSTS
I just installed a new ignition.
Was this
answer
helpful?
Yes
No
Monday, August 7th, 2023 AT 10:33 AM
Tiny
04COLORADOZ714X4
  • MEMBER
  • 26 POSTS
I know there is power at the white with blackline wire. I will check all of them and let you know. So test with key to on, correct?
Was this
answer
helpful?
Yes
No
Monday, August 7th, 2023 AT 10:34 AM
Tiny
04COLORADOZ714X4
  • MEMBER
  • 26 POSTS
There is power to all except blue and yellow.
Was this
answer
helpful?
Yes
No
Monday, August 7th, 2023 AT 11:55 AM
Tiny
04COLORADOZ714X4
  • MEMBER
  • 26 POSTS
Also, I forgot to mention I found out that a wrench had touched both terminals, with a big spark happened while sitting.
Was this
answer
helpful?
Yes
No
Monday, August 7th, 2023 AT 11:57 AM
Tiny
04COLORADOZ714X4
  • MEMBER
  • 26 POSTS
I have checked all the fuses and none were bad. Have power on both sides of mega fuse.
Was this
answer
helpful?
Yes
No
Monday, August 7th, 2023 AT 11:57 AM
Tiny
04COLORADOZ714X4
  • MEMBER
  • 26 POSTS
Also, I have the airbag off of the steering wheel, does that matter?
Was this
answer
helpful?
Yes
No
Monday, August 7th, 2023 AT 11:58 AM
Tiny
KEN L
  • MASTER CERTIFIED MECHANIC
  • 55,512 POSTS
No that should not matter, do you have power at the orange / blk/white wire going into the ignition switch? Here are the entire wiring diagrams so you can see where the main power comes from, I think this is your issue. Please make sure the battery is in good shape. There are several main fuses you need to test. Check out the images (below). Please let us know how it goes.
Was this
answer
helpful?
Yes
No
Tuesday, August 8th, 2023 AT 10:14 AM
Tiny
04COLORADOZ714X4
  • MEMBER
  • 26 POSTS
One the driver side of the ignition is a black cap with the plug. The white wire with black line has power.
Was this
answer
helpful?
Yes
No
Thursday, August 10th, 2023 AT 2:42 PM
Tiny
KEN L
  • MASTER CERTIFIED MECHANIC
  • 55,512 POSTS
Okay, with the key on the remainder of the wires should have power can you please test them? Check out the images (below). Please let us know what you find.
Was this
answer
helpful?
Yes
No
Friday, August 11th, 2023 AT 10:10 AM
Tiny
04COLORADOZ714X4
  • MEMBER
  • 26 POSTS
No power at white and blue and white and yellow.
Was this
answer
helpful?
Yes
No
Friday, August 11th, 2023 AT 1:36 PM
Tiny
KEN L
  • MASTER CERTIFIED MECHANIC
  • 55,512 POSTS
It looks like you have found the problem, here is how to change the switch out. Check out the images (below). Please let us know if you need anything else to get the problem fixed.
Was this
answer
helpful?
Yes
No
Saturday, August 12th, 2023 AT 9:05 AM
Tiny
04COLORADOZ714X4
  • MEMBER
  • 26 POSTS
It did this with the old ignition and with one I just installed new.
Was this
answer
helpful?
Yes
No
Saturday, August 12th, 2023 AT 12:03 PM
Tiny
04COLORADOZ714X4
  • MEMBER
  • 26 POSTS
Does anyone know where to buy just the switch?
Was this
answer
helpful?
Yes
No
Saturday, August 12th, 2023 AT 12:16 PM
Tiny
04COLORADOZ714X4
  • MEMBER
  • 26 POSTS
How can I test the BCM?
And I just replaced the ignition assembly because my truck was just having the check engine light on and nothing else working, so upon installing the new ignition, I still have the problem?
Was this
answer
helpful?
Yes
No
Sunday, August 13th, 2023 AT 2:23 PM
Tiny
04COLORADOZ714X4
  • MEMBER
  • 26 POSTS
There is power on the blue wire to the BCM, but I do not know how to test if it is coming out, does the white/yellow wire from the ignition receive 5 volts from the BCM to then activate the white/blue to the run/crank?Or does 5 volts. Come from the ignition to the BCM? So stressed out.
Was this
answer
helpful?
Yes
No
Sunday, August 13th, 2023 AT 3:47 PM

Please login or register to post a reply.