When the headlights are on the brake and taillights do not work?

Tiny
GIL00006
  • MEMBER
  • 1993 JEEP GRAND CHEROKEE
  • 4.0L
  • 6 CYL
  • 4WD
  • AUTOMATIC
  • 40 MILES
Taillights and brake lights don’t work when headlights are turned on.
I’ve checked fuses, bulbs relays.
Still nothing.
Any suggestions?

Gil
Tuesday, September 12th, 2023 AT 4:28 PM

1 Reply

Tiny
JACOBANDNICKOLAS
  • MECHANIC
  • 110,192 POSTS
Hi,

Do the brake lamps work when the lights are not on? I ask because they are tied into a different circuit than the parking lights.

Additionally, do the license plate lamps work?

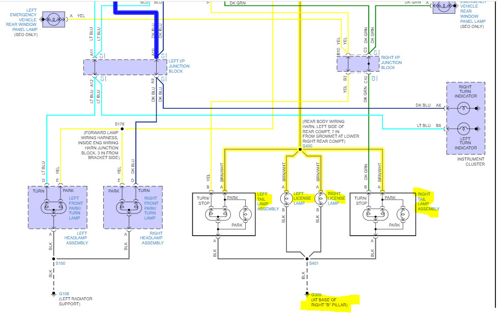
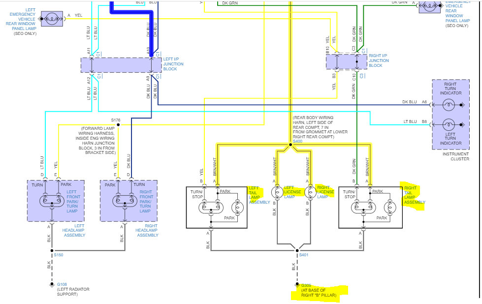
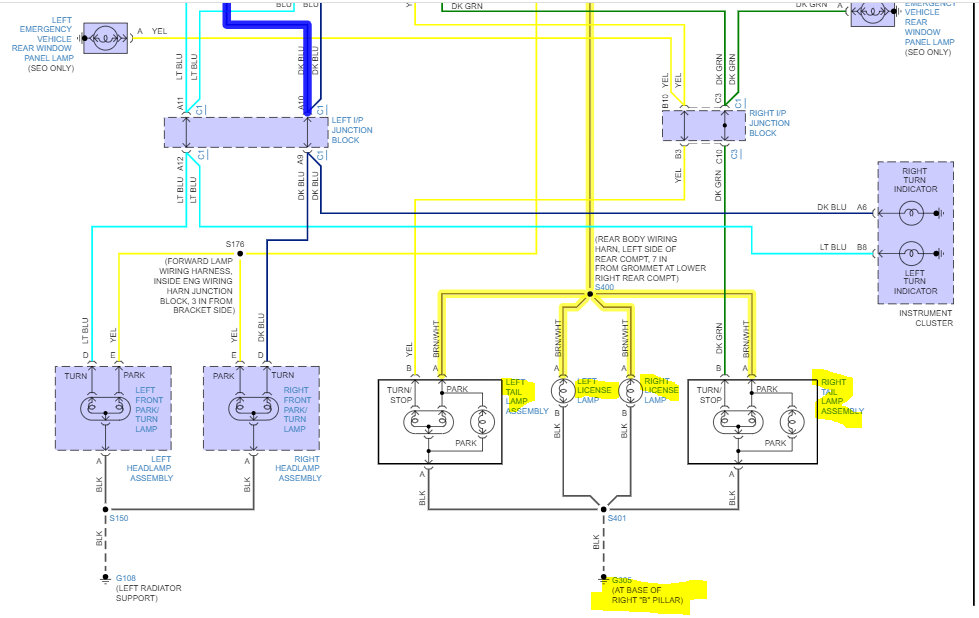
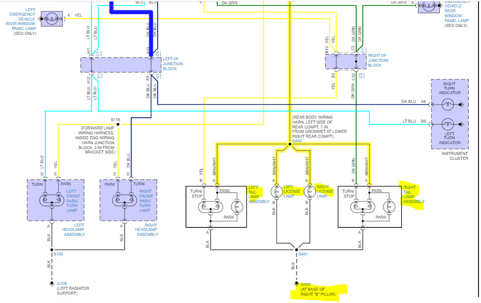
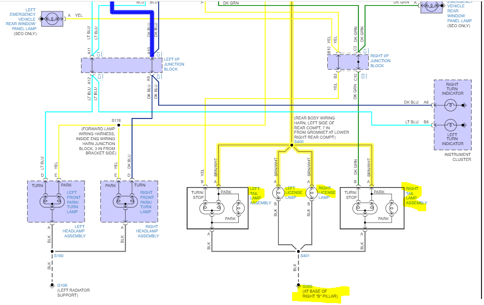
I attached the wiring schematic below for the circuit. When you checked the fuses, did you confirm there is power to them?

Take a look at this link:

https://www.2carpros.com/articles/how-to-check-a-car-fuse

If there was power present, go to the brake light switch at the top of the brake pedal. Confirm there is power to the orange wire. If there is, depress the brake pedal and check for power out from the switch via the white wire.

As far as the tail lamps are concerned, power is supplied through the turn signal switch. Again, that is power from a different circuit than the brake lamps. So, here is what I need:

If none of the tail lamps work and they all failed at the same time, it may be the result of a loss of body ground. So, check the black wires for continuity to ground.

Here is a link you may find helpful:

https://www.2carpros.com/articles/how-to-check-wiring

Let me know what you find. Also, let me know if anything works with the lights off and how you tested the relay.

Take care,

joe

See pics below: Note that I had to cut the schematic in half to make it readable. I did overlap the two so you can follow from one to the next.
Was this
answer
helpful?
Yes
No
Tuesday, September 12th, 2023 AT 7:13 PM

Please login or register to post a reply.