Tuesday, January 17th, 2017 AT 3:10 PM
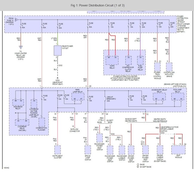
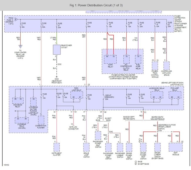
My brake light, the two in taillight assembly do not work. Checked both fuse boxes and they are good. Checked bulbs all good. Cleaned the bulb assembly connections with small wire brush (with battery still connected) and that got them working. The problem is now since I fixed that the A/C, the coolant fan, and the blinkers quit working. What did I do? I have 6, 10amp fuses not working on inside fuse box. And the fuses are good. How could cooling fan, ac, blinkers all quit at once? And 6 fuses not be getting power at all




