No start when hot?

Tiny
CAPTAIN KURTZ
  • MEMBER
  • 42 POSTS
Ordering a new PCM today, hopefully that's the fix, AutoZone says if it's not the fix and I keep it clean then I can bring it back. It would make sense that its internal, and it is the closest thing to the hood that is affected most by sunlight and outside temperature.
Was this
answer
helpful?
Yes
No
Monday, March 18th, 2024 AT 11:08 AM
Tiny
AL514
  • MECHANIC
  • 5,596 POSTS
If you want to ship the PCM over to me, I'll open it up and check all the solder joints, I can fix any that are cracked. I work on electronics as well; I'll fix it up and send it back. That way you'll have a spare. There's no charge, just pay about 10 dollars to mail the module. I've had one shipped over from Hawaii once and that was only $10 surprisingly. Just leave me your email and I'll contact you on the side. I'd be interested to see what the fault is inside.
Was this
answer
helpful?
Yes
No
+1
Monday, March 18th, 2024 AT 11:37 AM
Tiny
CAPTAIN KURTZ
  • MEMBER
  • 42 POSTS
Captainkurtz@tutanota. Com
Was this
answer
helpful?
Yes
No
Monday, March 18th, 2024 AT 2:17 PM
Tiny
CAPTAIN KURTZ
  • MEMBER
  • 42 POSTS
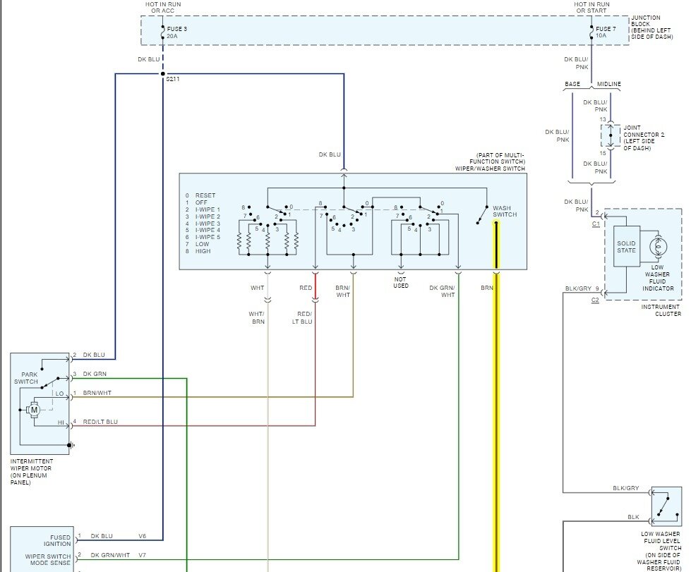
While I'm waiting for the new PCM I figured I'd replace and repair a few little things on the van. Would you have the wiring diagram for the windshield washer, the fuse is good, wipers and blinkers work, I checked for power to the washer and found none.
Was this
answer
helpful?
Yes
No
Monday, March 18th, 2024 AT 2:24 PM
Tiny
AL514
  • MECHANIC
  • 5,596 POSTS
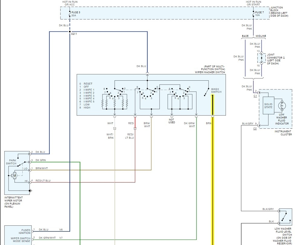
Yeah, there's this junction connector where power splits off. Left side of dash, so driver side. I'll see if I can find its location.
Was this
answer
helpful?
Yes
No
+1
Monday, March 18th, 2024 AT 2:41 PM
Tiny
AL514
  • MECHANIC
  • 5,596 POSTS
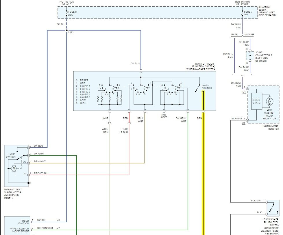
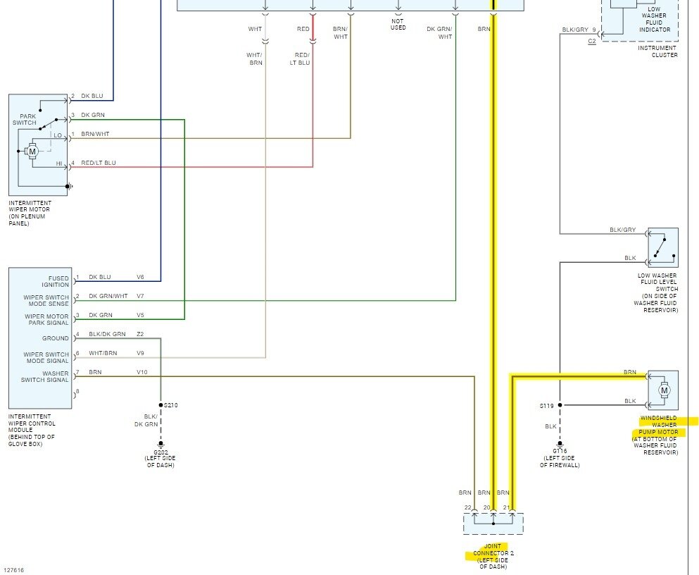
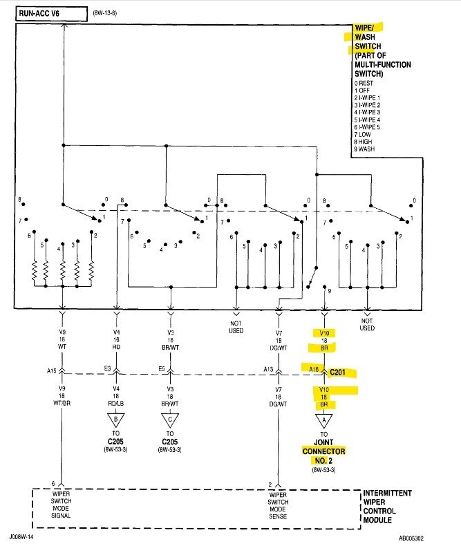
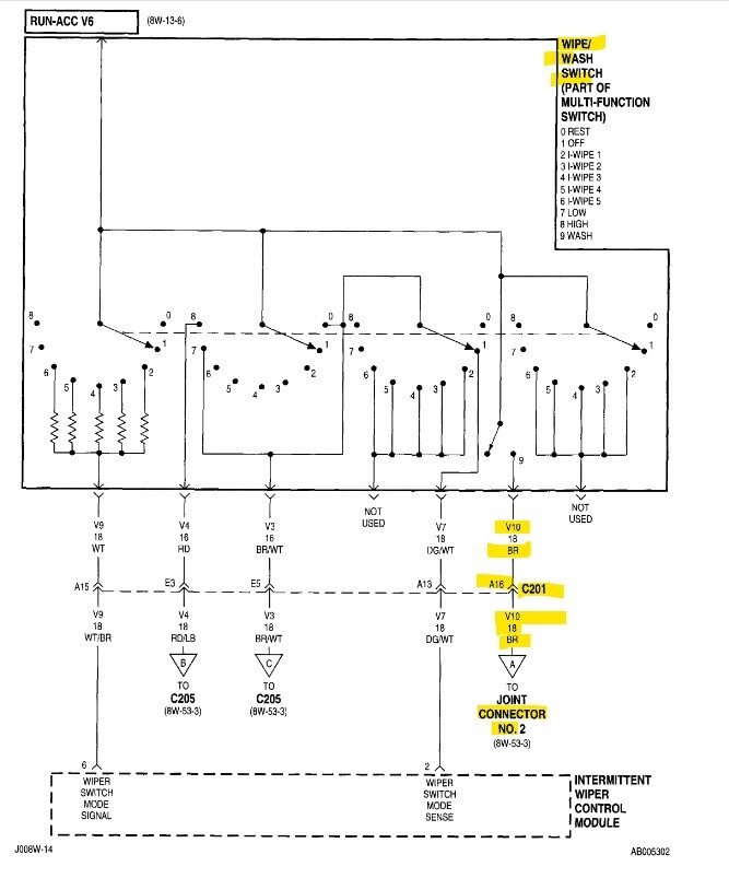
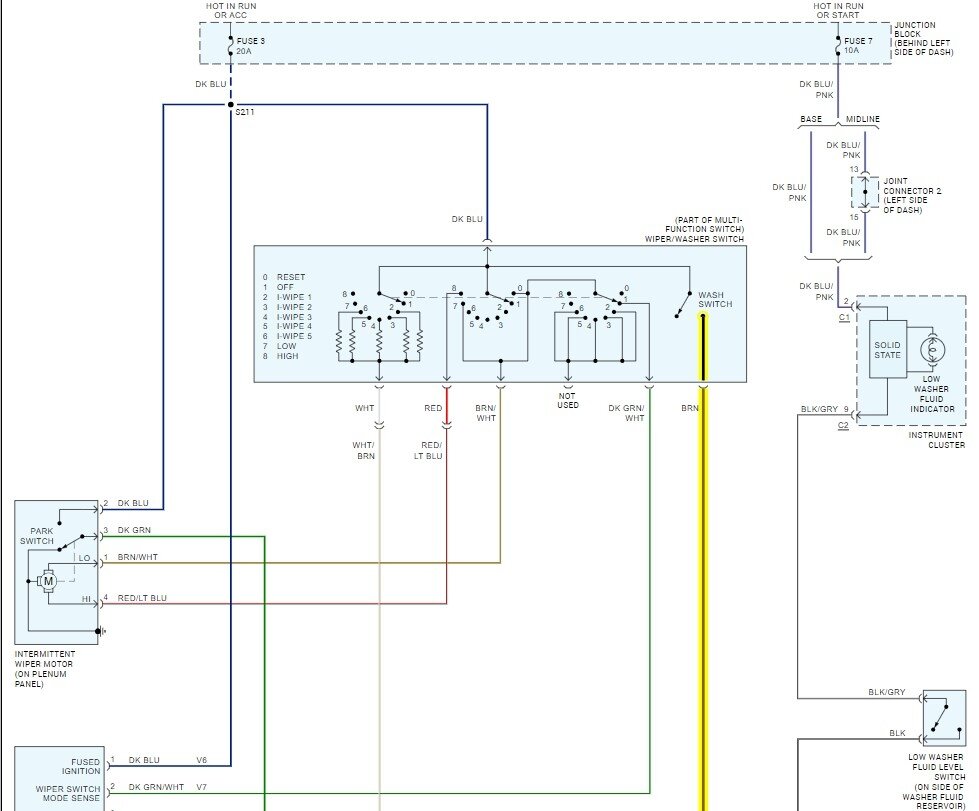
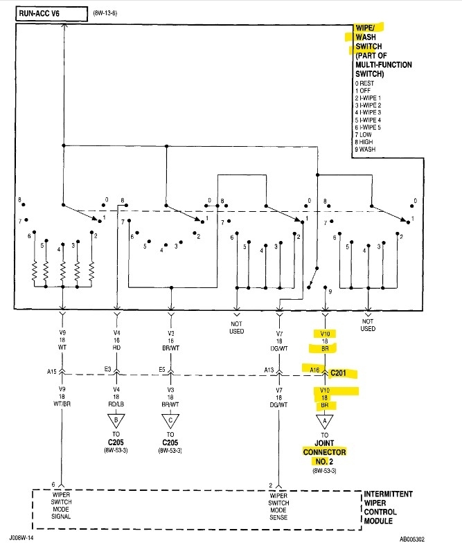
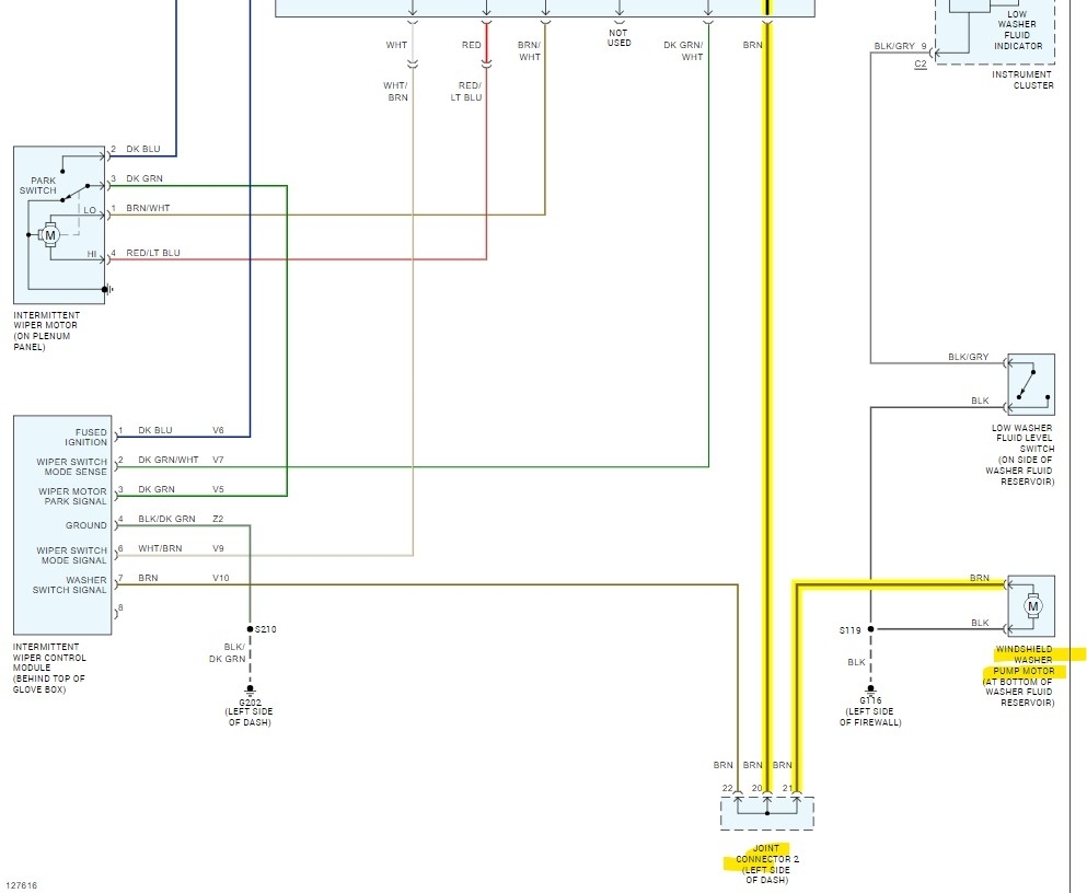
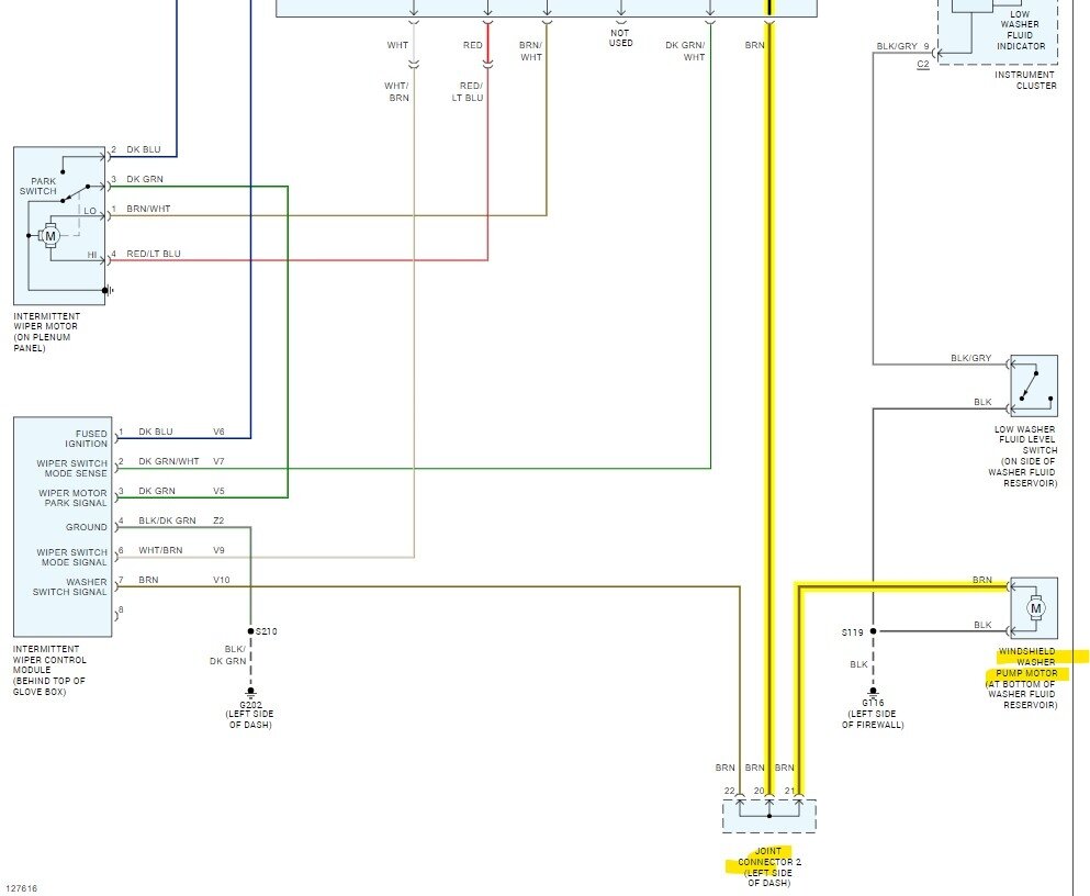
So, in the OEM diagram the washer pump's power feed comes from connector C205 next, which is just below the data link connector, it's still a brown wire there, pin 35. Then goes to that Joint Connector No. 2 which is probably on the steering column going towards the switch.
The 6th diagram is as far as they go with that connector, it's a white connector and should have 3 brown wires, but it might actually be plugged into the fuse block on the driver side dash, because they have the brown wires labelled as pins 20, 21, 22, so if power is missing a C205, I'd go to the back of that Fuse Block.
Was this
answer
helpful?
Yes
No
+1
Monday, March 18th, 2024 AT 3:01 PM
Tiny
AL514
  • MECHANIC
  • 5,596 POSTS
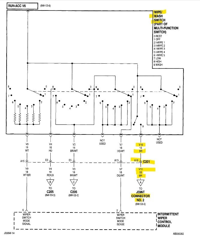
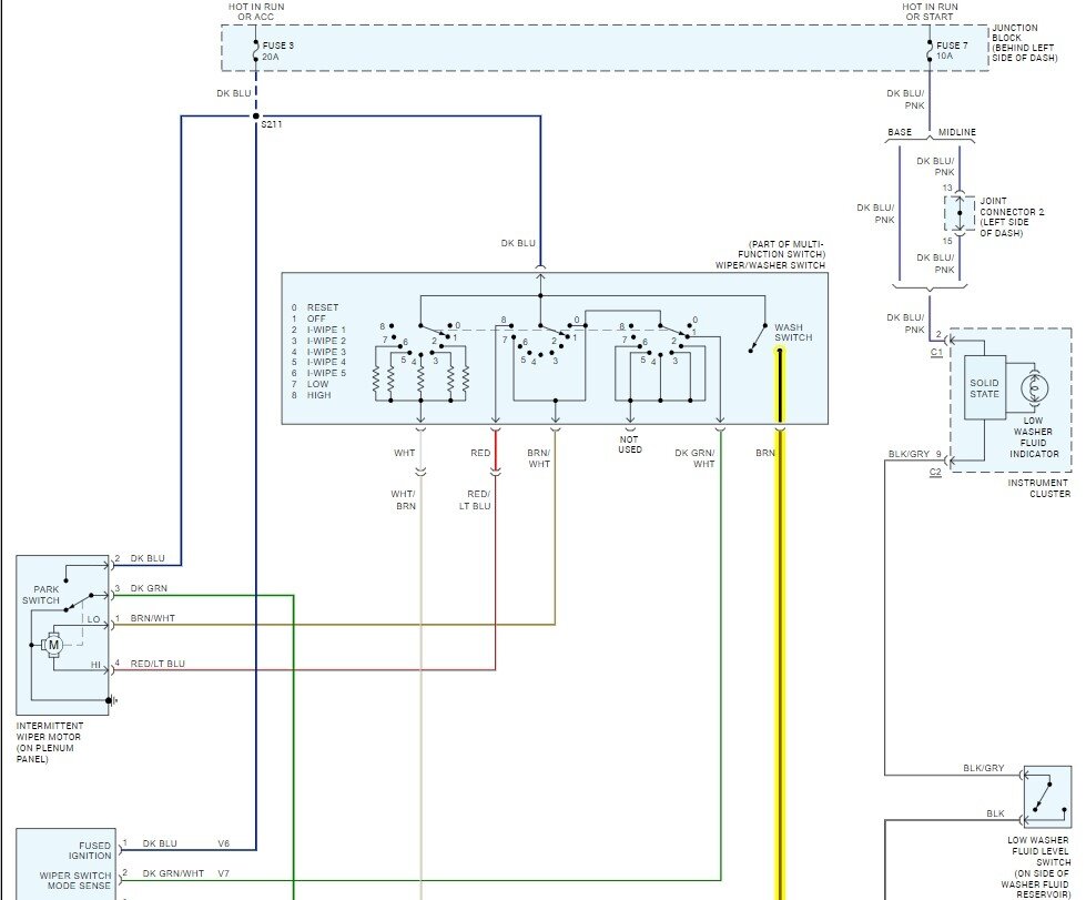
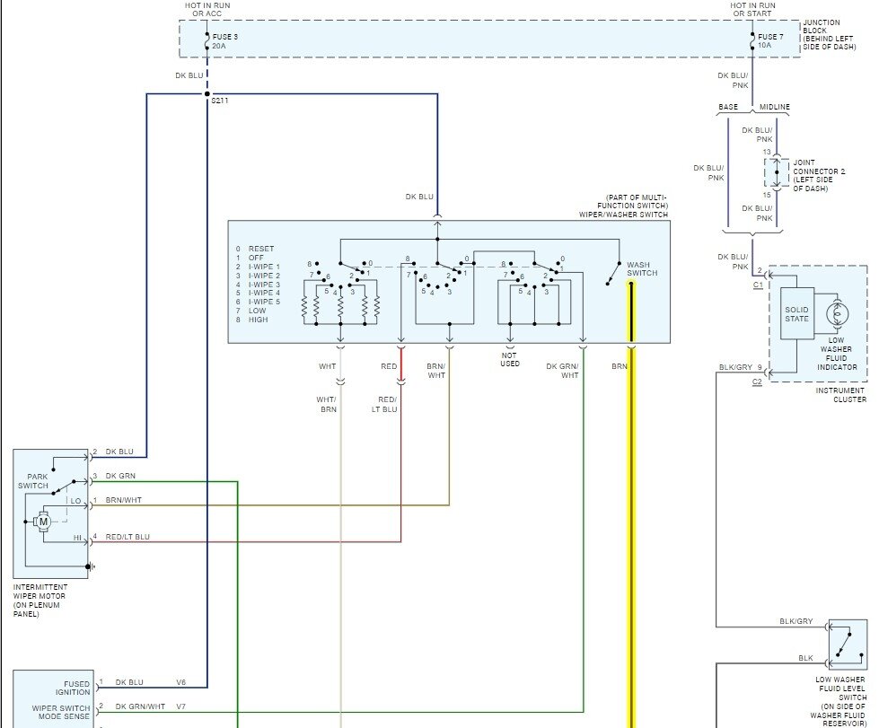
Actually, after C205 the brown wire runs to C201, its pin A16 circuit V10 still a brown wire. Thats the washer pump feed still. And C201 ends at the Multifunction Switch, so it can be traced all the way back to there.
It's still circuit V10 brown wire all the way to the switch.
Was this
answer
helpful?
Yes
No
+1
Monday, March 18th, 2024 AT 3:16 PM
Tiny
AL514
  • MECHANIC
  • 5,596 POSTS
Just FYI, service info requires a VIN to be programmed into a new PCM using a capable scan tool. I'm not sure what options they gave you at the auto parts store, or where you ordered it from. But if you order from Flagship One, they can preprogram the VIN for you, so the module is plug and play.
Was this
answer
helpful?
Yes
No
+1
Monday, March 18th, 2024 AT 3:30 PM
Tiny
CAPTAIN KURTZ
  • MEMBER
  • 42 POSTS
Update, plugged in new PCM and all issues appear to be solved, all dash gauges and lights work and van is running good, has not given me any no starts. Windshield washer had been plugged in backwards so that was an easy fix. Thank you for all of your time and knowledge, Al with 2carpros is the Best!
Was this
answer
helpful?
Yes
No
Saturday, March 23rd, 2024 AT 11:45 AM

Please login or register to post a reply.