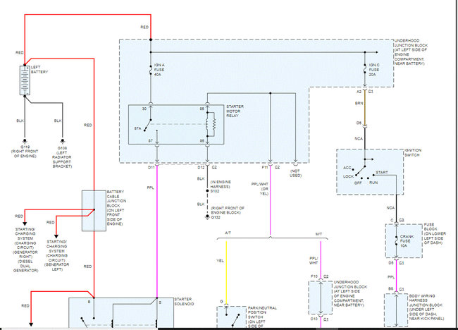
I looked to see what codes I had, if any, and the code that popped up was P0335 for a crankshaft position sensor. I ordered a new one and replace it. When cranking to see if that fixed it, it sputtered like it was about to start (first time it has done this since the last time it ran) but then it stopped cranking after a bit and would not crank anymore.
I had to remove the starter to get to the crankshaft position sensor. I tested the starter relay but none of the fuses yet. I had the battery and starter tested at AutoZone and they both came back with good results. What should I try next?
Also, I tested the fuel pressure after the fuel pump replacement did not fix it to make sure I did not get a bad pump and that was reading 50-55 PSI when I was cranking but now with this new issue, there is barely any pressure on the line and I am wondering if this is an electrical issue that is impacting power to the fuel pump as well?
Thanks in advance for any help that you can provide.
Monday, June 21st, 2021 AT 9:07 AM





