Friday, April 10th, 2020 AT 9:09 AM
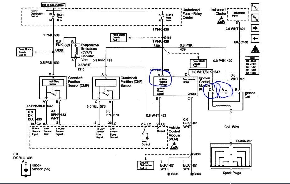
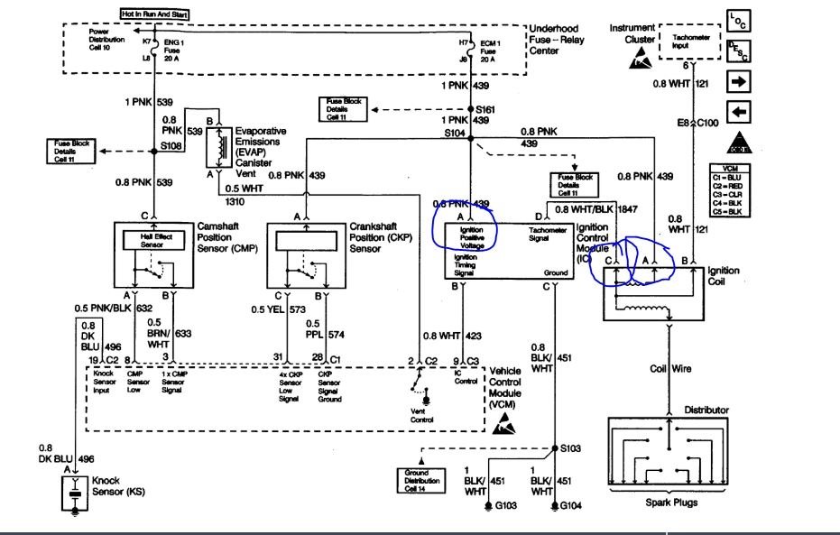
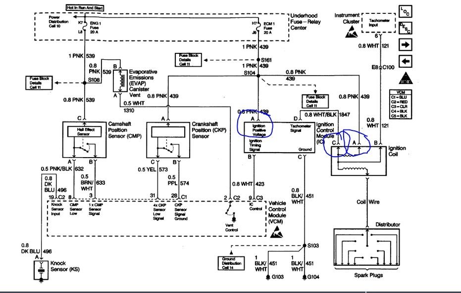
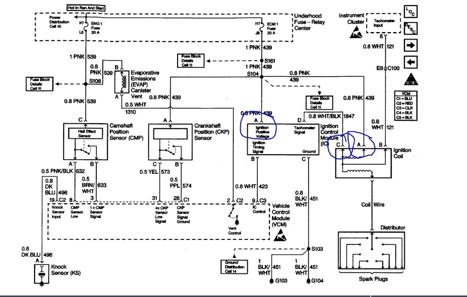
I replaced my distributor cap and rotor a couple months ago and truck hasn’t started since. I noticed the top of the distributor was rusty but was told that shouldn’t cause it to not start. Starter is new, but when trying to turn over it feels like it doesn’t even attempt to create a spark. Any ideas where I should start on this issue? Plugs and wires or ignition coil? Thanks in advance.
