No start?

Tiny
GEORGEH3256
  • MEMBER
  • 2006 CHRYSLER SEBRING
  • 4 CYL
  • 2WD
  • AUTOMATIC
  • 89,000 MILES
Replaced battery replaced ignition switch. Turnkey on to start nothing happen. Also, no wipers, no turn signals, no radio. Convertible top will not work. Also checked all fuses. Can someone please help?
Wednesday, November 1st, 2023 AT 11:18 AM

1 Reply

Tiny
JACOBANDNICKOLAS
  • MECHANIC
  • 110,192 POSTS
Hi,

We have a power loss at some point. Does anything electrical work on the vehicle? For example, do the headlamps or brake lights work?

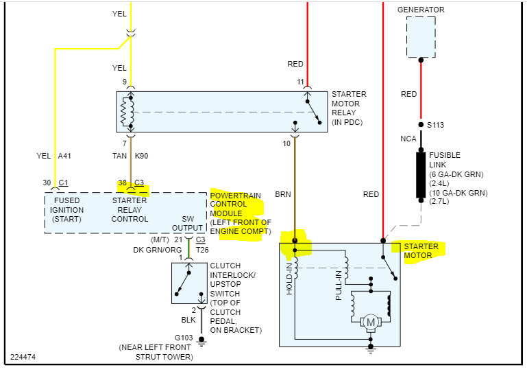
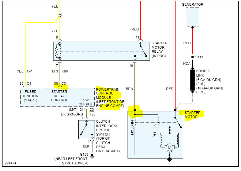
If you look below, I attached the wiring schematic for the starter circuit. First, check fuse 8 in the power distribution center (PDC) under the hood. In addition to checking the fuse, it is very important to check if there is power to and from it. Here is a link explaining how it's done. Also, the fuse should have power at all times, regardless if the ignition key position.

https://www.2carpros.com/articles/how-to-check-a-car-fuse

If that fuse checks good, I need you to also check fuse 10 in the PDC. See pic 3 below. That fuse sends power to the ignition switch. Also, the power supply to fuse 10 powers many other fuses and circuits, so again, it is very important to check for power.

Start with this and let me know what you find. Additionally, let me know if the battery and ignition replacement was the result of a different issue or the same as you presently experience.

Take care,

joe

See pics below.
Was this
answer
helpful?
Yes
No
Wednesday, November 1st, 2023 AT 8:43 PM

Please login or register to post a reply.