Tuesday, April 12th, 2022 AT 6:35 PM
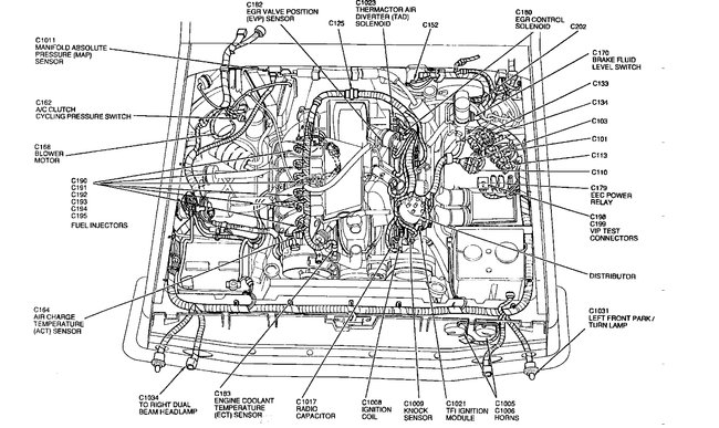
Drove this truck the other day about twenty miles and it ran fine. Got home and left idling to check the cows, got back in a few minutes later and it shut off when trying to accelerate. Started back up fine but would shut off under load. The next day it would not start at all. Fuel pressure is okay, but no spark. Tested it using a timing light. Had a pre-existing check engine light (just bought this truck a few weeks ago) so I checked the codes. The codes showed 113 (ACT), 116 (ECT) and 636 (Transmission oil temperature out of range). I tested the ICM wire to the coil and it read 0 volt so I replaced it. Now it reads 0.4 volts but still no start. Every once in a while, it will kick over like it tried to fire but will not start.


