Tuesday, January 7th, 2020 AT 6:19 PM
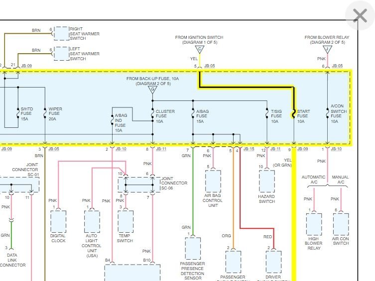
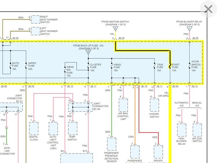
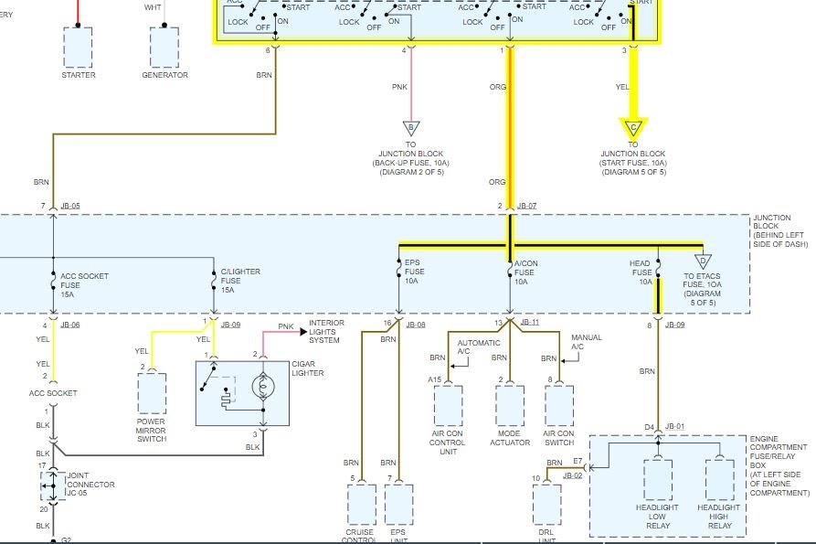
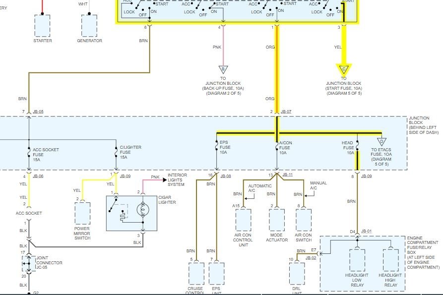
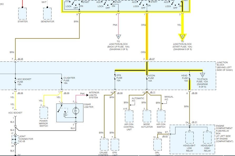
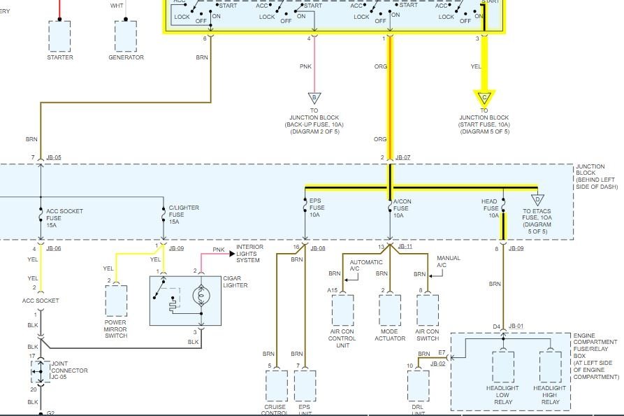
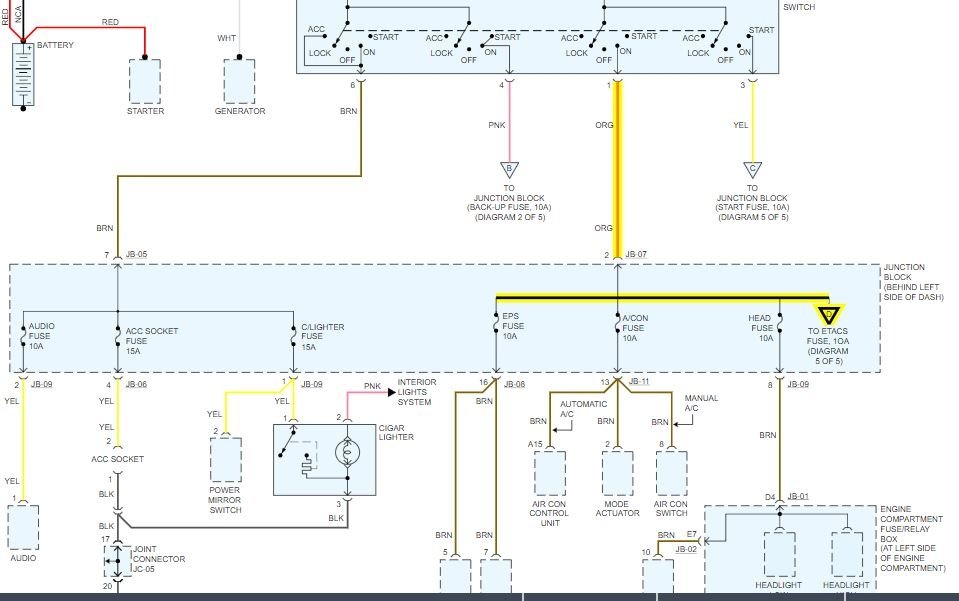
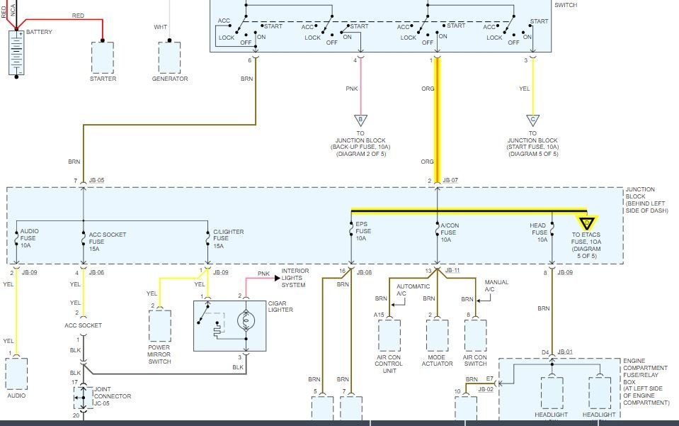
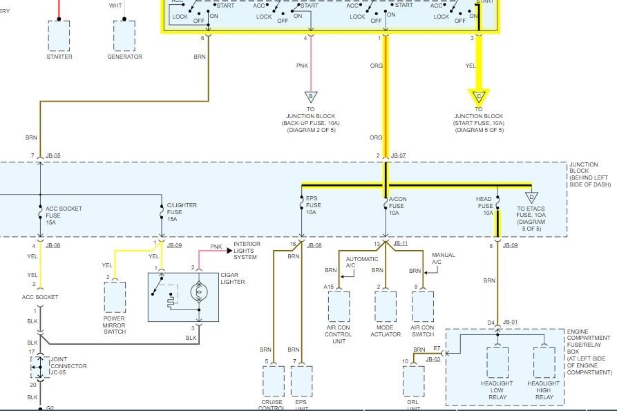
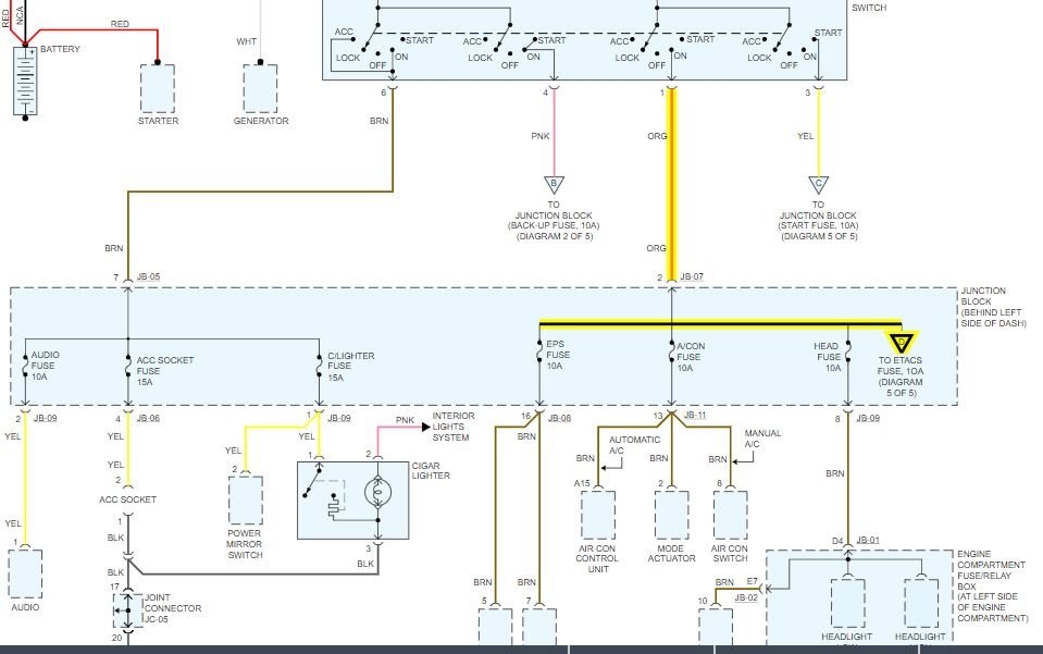
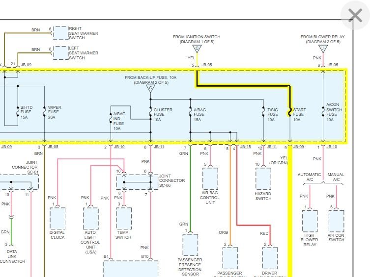
I have wiring issue if you can help. Driver side front quarter panel area was damaged before I had. Need to replace inner liners that protects wiring there, I did wrap and cover. This may have happened before I taped and covered wiring in wheel well area while I was fixing a shorted etacs and a/con issue or even removing and replacing battery hitting against harnesses, I am not sure. This I am not blowing fuses but I have no power now to three 10A fuses under dash: START, A/CON SW and RR HTD IND. It started and ran before now the car now does not start of course and shifter won't move, but after I turned steering wheel back and forth I did get shifter to move, steering wheel doesn't lock. Not sure where to start with this, perhaps I touched or moved wiring that was already weak or damaged. Is that A/CON SW fuse related to issue I thought was fixed or start fuse and not sure what RR HTD IND is? Any help you can offer is appreciated. Thanks







