The Injector Pulse was continuous and always flood the engine?

Tiny
MALLYBOY
  • MEMBER
  • 2000 INFINITI I30
  • 3.0L
  • V6
  • 2WD
  • AUTOMATIC
  • 75,000 MILES
Overhauled this engine after severe overheating that blew the radiator and when I begin to crank, I notice that the ignition coil spark once and stopped whereas the Injector Pulse was continuous and always flood the engine. What could be the cause of this no spark on plug?
Wednesday, November 10th, 2021 AT 11:08 AM

34 Replies

Tiny
ASEMASTER6371
  • MECHANIC
  • 52,796 POSTS
Good afternoon,

Do you mean the injector pulse is not a pulse signal but a constant signal?

https://www.2carpros.com/articles/car-cranks-but-wont-start

Can you verify voltage to the ignition coil connector to verify battery voltage with the key on?

https://www.2carpros.com/articles/how-to-check-wiring

I attached a wiring diagram for you to view the coils.

Keep me updated with the results.

Roy
Was this
answer
helpful?
Yes
No
Wednesday, November 10th, 2021 AT 3:27 PM
Tiny
MALLYBOY
  • MEMBER
  • 338 POSTS
Do you mean the injector pulse is not a pulse signal but a constant signal? It is a pulse-signal.

Can you verify voltage to the ignition coil connector to verify battery voltage with the key on, I have checked it and its 12-volts, I also use test lamp and it illuminate brightly.
The issue of sparking once is where the problem is, if the spark would be continuous as the Injector Pulse, the vehicle will start.
Was this
answer
helpful?
Yes
No
Thursday, November 11th, 2021 AT 1:47 AM
Tiny
ASEMASTER6371
  • MECHANIC
  • 52,796 POSTS
The injector signal is a pulse signal.

The ECM is what controls the spark based on conditions.

Make sure the crank sensor is connected and you have an RPM signal while cranking.

If you have that, it sounds like the ECM is a failure.

Roy
Was this
answer
helpful?
Yes
No
Thursday, November 11th, 2021 AT 4:32 AM
Tiny
MALLYBOY
  • MEMBER
  • 338 POSTS
If there's no RPM signal while cranking, there will be no Injector Pulse signal.
Again, I want to first use another set of coils to check and if it did not solve it, I will now test the ECM by using test-lamp to probe terminal 1 and 3 of ignition coil connector and briefly crank the vehicle, if the test lamp did not blink, I will look for another ECM.
Was this
answer
helpful?
Yes
No
Thursday, November 11th, 2021 AT 12:11 PM
Tiny
ASEMASTER6371
  • MECHANIC
  • 52,796 POSTS
That was the next step to verify the ECM is not firing the coils.

Roy
Was this
answer
helpful?
Yes
No
Thursday, November 11th, 2021 AT 3:13 PM
Tiny
MALLYBOY
  • MEMBER
  • 338 POSTS
Thank you so far for your assistance.
I have replaced 6-coil packs and crank, then the spark blink twice and stopped. Next was to probe terminal 1 and 3 using test-lamp and illuminates while I briefly crank it, it was not blinking but remain steady.
Finally, I use multimeter set to voltage and I probe positive lead to terminal 1 of coil connector and negative lead to engine ground, unfortunately it did not read any voltage but infinite reading instead of giving me 0.5volts, I have removed the ECM for replacement.
Was this
answer
helpful?
Yes
No
Friday, November 12th, 2021 AT 2:51 PM
Tiny
ASEMASTER6371
  • MECHANIC
  • 52,796 POSTS
Keep me updated with the results.

Roy
Was this
answer
helpful?
Yes
No
Saturday, November 13th, 2021 AT 7:42 AM
Tiny
MALLYBOY
  • MEMBER
  • 338 POSTS
Alright!
Was this
answer
helpful?
Yes
No
Monday, November 15th, 2021 AT 10:50 PM
Tiny
ASEMASTER6371
  • MECHANIC
  • 52,796 POSTS
We will be here if you have any other questions.

Roy
Was this
answer
helpful?
Yes
No
Tuesday, November 16th, 2021 AT 12:47 PM
Tiny
MALLYBOY
  • MEMBER
  • 338 POSTS
Yes! Thank you once again. I have succeeded to get another two ECMs but unfortunately it was doing the same thing of no spark on plug. Now I think of replacing the crankshaft position and reference sensor, if that didn't solve it, I will go back to recheck the timing.
Was this
answer
helpful?
Yes
No
Tuesday, November 16th, 2021 AT 5:59 PM
Tiny
ASEMASTER6371
  • MECHANIC
  • 52,796 POSTS
If it were timing, it would show low compression. Even if it were timing, you would still have sparked all the time.

https://www.2carpros.com/articles/crankshaft-angle-sensor-replacement

I attached the location of the sensor for you.

Roy
Was this
answer
helpful?
Yes
No
Wednesday, November 17th, 2021 AT 6:15 AM
Tiny
MALLYBOY
  • MEMBER
  • 338 POSTS
Even if it was timing, you would still have sparked all the time. Yes, you are correct, it is true.
From your own reasoning, what do you think that can cause this issue of No spark?
Was this
answer
helpful?
Yes
No
Wednesday, November 17th, 2021 AT 1:09 PM
Tiny
ASEMASTER6371
  • MECHANIC
  • 52,796 POSTS
Do you have an RPM reading on the tachometer while cranking? That will tell you if the crank sensor is working.

Beyond that, we are talking about the ECM.

Roy
Was this
answer
helpful?
Yes
No
Wednesday, November 17th, 2021 AT 3:54 PM
Tiny
MALLYBOY
  • MEMBER
  • 338 POSTS
Do you have an RPM reading on the tachometer while cranking? That will tell you if the crank sensor is working. Yes I used my scanner (BlueDriver) to check it while cranking and it read from 0-112RPM, showing that the sensors are good.
Was this
answer
helpful?
Yes
No
Thursday, November 18th, 2021 AT 1:56 PM
Tiny
ASEMASTER6371
  • MECHANIC
  • 52,796 POSTS
Then this sounds like you have a failed ECM. It controls the spark based on the input from the crank sensor.

Roy
Was this
answer
helpful?
Yes
No
Friday, November 19th, 2021 AT 6:06 AM
Tiny
MALLYBOY
  • MEMBER
  • 338 POSTS
Hello!
Good evening,
I am back to update you on how far I had gone with the vehicle. I brought 3-ECM and programmed it, and it was still doing the same. Then I put back the ECM of the vehicle and programmed it back. Then I scanned it and it was giving out these codes P0115-Engine coolant sensor and P1611-Start permission code error. So, what will I do to solve the situation?
Was this
answer
helpful?
Yes
No
Friday, January 28th, 2022 AT 9:28 AM
Tiny
JACOBANDNICKOLAS
  • MECHANIC
  • 110,194 POSTS
Hi,

The issue is likely because the new ECM hasn't been fully initialized with the security system. Only IVIS (NATS) ignition keys with ID numbers that have been registered into the ECM and the IMMU allow the engine to run.

The idea that you replaced the ECM indicates it needed to be initialized. Have you performed initialization with CONSULT-II or equal and re-register all IVIS (NATS) ignition key IDs? That is what the P1611 indicates and is preventing the vehicle from starting, but I don't know if you have the tooling.

Let's see what Roy indicates as well, but I believe there is no way to relearn the key codes without dealer tools.

Let us know.
Was this
answer
helpful?
Yes
No
Sunday, January 30th, 2022 AT 8:03 PM
Tiny
MALLYBOY
  • MEMBER
  • 338 POSTS
Hi,

Longest time!
I had used several ECM on the vehicle but still doing that same, I had used several scanners to diagnose the vehicle to see if I will get fault code relating to this problem but I didn't get any fault code. Is there a circuit that's short causing the spark to cease?
Was this
answer
helpful?
Yes
No
Tuesday, July 12th, 2022 AT 6:57 AM
Tiny
JACOBANDNICKOLAS
  • MECHANIC
  • 110,194 POSTS
Hi,

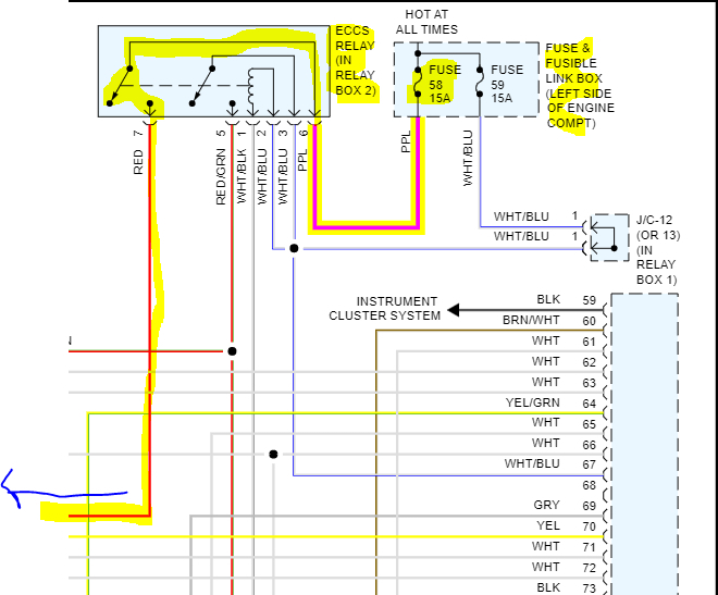
The coils all receive power from the ECCS relay, which in turn gets power to the secondary side of the relay from fuse 58. If you look at each coil, you will see a red wire. Those are the power supply. At the cylinder 3 coil, there is a splice which is what sends power to all the coils. With the key on, check for power at each of the coils' red wires.

So, if fuse 58 is faulty, that would prevent it. Also, a faulty ECCS relay can cause the issue. Or the primary side of the relay may not have power or ground. Power to the primary side is from the PCM. Once that power is sent and the ground is provided, the primary side of the relay's electromagnetic coil causes the secondary side to close and send power to the coils. Once the key is on, each coil should have 12v at the red wire. From that point, the ECM provides a ground path to each coil at specific times for fire the spark plug.

If you haven't already, check the fuse and relay I mentioned. If you have and both are good, use a test light to confirm power to and from fuse 58. If that is good, remove the ECCS relay. With the key on, two of the pins will have power. Confirm that for me. If they do, then check the relay itself.

Here is a link that explains how to check for power at the fuse and how to check a relay:

https://www.2carpros.com/articles/how-to-check-a-car-fuse

https://www.2carpros.com/articles/how-to-check-an-electrical-relay-and-wiring-control-circuit

Note: fuse 58 is in the under-hood fuse box on the left side of the engine compartment. The ECCS relay is in relay box 2. See pic 3 for location and pics 1 and 2 for schematic.

Let me know what you find.

Take care,

joe

See pics below.
Was this
answer
helpful?
Yes
No
Tuesday, July 12th, 2022 AT 6:47 PM
Tiny
MALLYBOY
  • MEMBER
  • 338 POSTS
Note: fuse 58 is in the under-hood fuse box on the left side of the engine compartment. The ECCS relay is in relay box 2. See pic 3 for location and pics 1 and 2 for schematic.
I have checked the fuses, it all has power and I re-diagnosed it, it was showing 00: initial start, I have check the fault code on Alldata but I didn't see it. What could this mean?
Was this
answer
helpful?
Yes
No
Monday, September 12th, 2022 AT 10:47 AM

Please login or register to post a reply.