Friday, October 26th, 2018 AT 1:05 PM
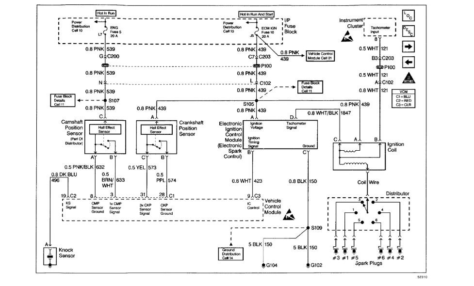
My vehicle shut off while driving the other day. It cranks but does not start. Battery is perfect. Dashboard gauges will not move at all and will not shift out of park.


