No spark?

Tiny
NWM2019
  • MEMBER
  • 2007 CHEVROLET SILVERADO
  • 6.0L
  • V8
  • 2WD
  • AUTOMATIC
  • 180,000 MILES
I just put a new motor in my truck. Due to a blown motor. I've put a long block in. Got everything put back and tried to start but will not fire. Have fuel but no fire.
Monday, February 10th, 2020 AT 6:53 PM

48 Replies

Tiny
JACOBANDNICKOLAS
  • MECHANIC
  • 110,194 POSTS
Hi,

Have you tried pulling diagnostic codes? Have you checked the crankshaft position sensor connector? Did you use the old crank sensor?

Do you have a live data scanner? If so, plug it in and see if there is an RPM signal when cranking.

Next, I am seeing more and more a ground issue related to ignition spark loss. All of the coils have a common ground that is located on the driver's side of the engine about 3/4 of the way down toward the front of the engine. It should be a black wire that bolts to the side of the engine block. Make sure that is connected and not broken or damaged.

Let me know what you find.

Joe
Was this
answer
helpful?
Yes
No
+5
Monday, February 10th, 2020 AT 7:44 PM
Tiny
NWM2019
  • MEMBER
  • 2 POSTS
I do not have a live scanner and yes I have used the old crank and cam sensors.
Was this
answer
helpful?
Yes
No
+2
Monday, February 10th, 2020 AT 8:55 PM
Tiny
JACOBANDNICKOLAS
  • MECHANIC
  • 110,194 POSTS
Hi,

Without a scanner, we need to start checking things one at a time. I know there are two fuses related to the coils / injectors, fuses 14 and 25 in the under hood power box. Check both. See pics below.

Also, did you check the ground on the engine block I mentioned?

Let me know.
Joe
Was this
answer
helpful?
Yes
No
+5
Tuesday, February 11th, 2020 AT 6:51 PM
Tiny
GPANKA
  • MEMBER
  • 5 POSTS
  • 2005 CHEVROLET SILVERADO
  • 5.3L
  • V8
  • 4WD
  • AUTOMATIC
  • 200,000 MILES
I have the truck listed above 1500. I have lost all spark on every cylinder. I had the truck idling in the driveway and it shut off all of sudden. Went out to restart and I don't get a fire or any pop at all. Put a spark tester on multiple cylinders and identified that I indeed have no spark anywhere. I started by testing to make sure I have good voltage and ground at the plugins for each coil which I do. Then I replaced the crankshaft position sensor (which it wasn't throwing a code for it but replaced it anyway) and it still has no spark. The only thing I could think of left that could be bad would be my PCM. I decided to order a new PCM with my VIN programmed into it. Received it in a few days. Installed it and went through the re-learn procedure, still no spark, replaced the camshaft sensor, still no spark. Checked the wiring going to the crankshaft and camshaft positioning sensor for a good ground and good voltage and everything looks good there. Decided to replace the ignition switch underneath the steering column just for giggles and still no spark. I am absolutely stumped here. Any help would be appreciated.

PS: the truck isn't throwing any codes and hasn't been through this whole ordeal at all other than my normal 02 codes.
Was this
answer
helpful?
Yes
No
+6
Monday, October 5th, 2020 AT 10:07 AM (Merged)
Tiny
ASEMASTER6371
  • MECHANIC
  • 52,796 POSTS
Good afternoon,

Did you verify voltage to the pink wires at the coils?

I attached the diagram for you and the location of the fuse to check for power.

Roy
Was this
answer
helpful?
Yes
No
+3
Monday, October 5th, 2020 AT 10:07 AM (Merged)
Tiny
GPANKA
  • MEMBER
  • 5 POSTS
Yes, I have good voltage and good continuity to ground at the coils.
Was this
answer
helpful?
Yes
No
+2
Monday, October 5th, 2020 AT 10:07 AM (Merged)
Tiny
ASEMASTER6371
  • MECHANIC
  • 52,796 POSTS
What is the voltage? The ground is controlled by the ECM. How did you check that?

Roy
Was this
answer
helpful?
Yes
No
Monday, October 5th, 2020 AT 10:07 AM (Merged)
Tiny
GPANKA
  • MEMBER
  • 5 POSTS
I had 12 volts on the pink, main hot lead for ignition. I checked continuity to ground by checking resistance at the ground on the coil plug with one test lead and other test lead on the ground to battery.
Was this
answer
helpful?
Yes
No
Monday, October 5th, 2020 AT 10:07 AM (Merged)
Tiny
GPANKA
  • MEMBER
  • 5 POSTS
I do not know what I am supposed to have on the two signal wires when in run or cranking.
Was this
answer
helpful?
Yes
No
-1
Monday, October 5th, 2020 AT 10:07 AM (Merged)
Tiny
ASEMASTER6371
  • MECHANIC
  • 52,796 POSTS
You cannot measure the other wires as they a pulse width modulated. You need to make sure the connections are good at the ECM. You may have a failed ECM.

Roy
Was this
answer
helpful?
Yes
No
-2
Monday, October 5th, 2020 AT 10:07 AM (Merged)
Tiny
HOMERHOME442
  • MEMBER
  • 2 POSTS
  • 2005 CHEVROLET SILVERADO
  • 4.3L
  • 6 CYL
  • 2WD
  • MANUAL
  • 199,345 MILES
The truck cranks but I am not getting spark. I put new cap, rotor and coil and just put control module and still getting nothing.
Was this
answer
helpful?
Yes
No
+1
Monday, October 5th, 2020 AT 10:07 AM (Merged)
Tiny
JACOBANDNICKOLAS
  • MECHANIC
  • 110,194 POSTS
Welcome to 2CarPros.

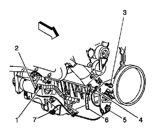
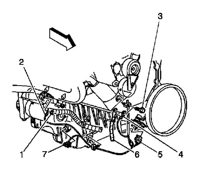
First, have you replaced the crankshaft position sensor? I attached two pictures showing location. I circled the part in picture 2. If you haven't, we need to check that. When I do it, I use a live data scanner and check for an PRM signal while cranking. Take a look through these links. They discuss how it works and its purpose, symptoms, and in general how one is replaced.

https://www.2carpros.com/articles/how-a-crank-shaft-angle-sensor-works

https://www.2carpros.com/articles/symptoms-of-a-bad-crankshaft-sensor

https://www.2carpros.com/articles/crankshaft-angle-sensor-replacement

If you find it is bad, here are the directions specific to your vehicle for replacement. Also, the attached pictures correlate with the directions. Additionally, I added the relearn procedure after the directions.

________________________________________________

CRANKSHAFT POSITION (CKP) SENSOR REPLACEMENT

REMOVAL PROCEDURE

IMPORTANT: The crankshaft position (CKP) system variation learn procedure will need to be performed whenever the CKP sensor is removed or replaced.

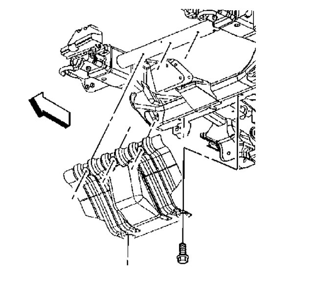
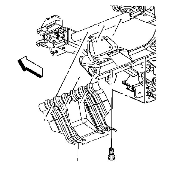
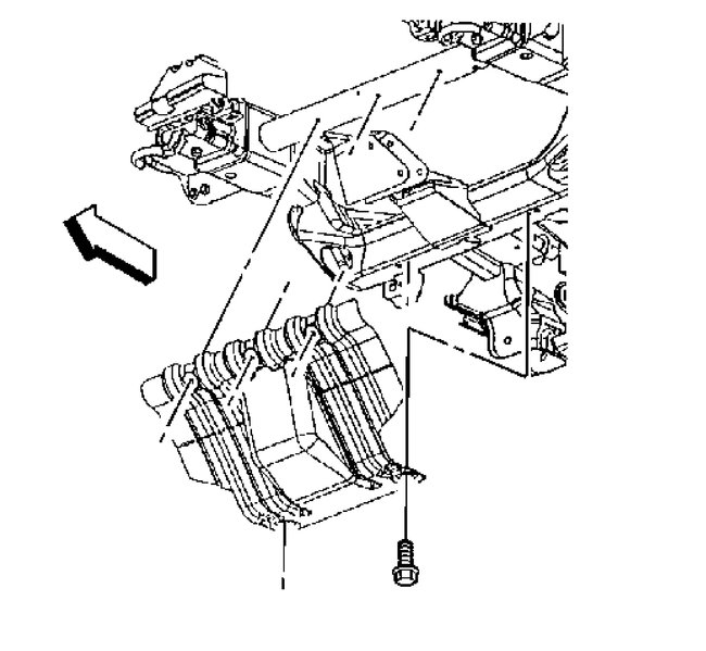
pic 3

1. Raise and suitably support the vehicle. Refer to Vehicle Lifting.
2. If equipped, remove the engine shield bolts.
3. Remove the engine shield.

pic 4

4. Disconnect the CKP sensor electrical connector (5).

pic 5

5. Remove the CKP sensor bolt.

pic 6

6. Remove the CKP sensor.

INSTALLATION PROCEDURE

IMPORTANT: When installing the CKP sensor, make sure the sensor is fully seated before tightening the bolt. A poorly seated CKP sensor may perform erratically and may set false diagnostic trouble codes (DTCs).

pic 7

1. If installing the old CKP sensor, install a NEW O-ring seal.

IMPORTANT: Do not reuse the original O-ring seal.

2. Lubricate the O-ring seal with clean engine oil.
3. Install the CKP sensor.

pic 8

4. Install the CKP sensor bolt.

NOTE: Refer to Fastener Notice in Service Precautions.

Tighten the bolt to 9 N.m (80 lb in).

pic 9

5. Connect the CKP sensor electrical connector (5).

pic 10

6. Install the engine shield.
7. Install the engine shield bolts.

Tighten the bolts to 20 N.m (15 lb ft).

8. Perform the CKP system variation learn procedure. See: Vehicle > Programming and Relearning

_______________________________________

Variation Relearn

CKP SYSTEM VARIATION LEARN PROCEDURE

1. Install a scan tool.
2. Monitor the powertrain control module (PCM) for DTCs with a scan tool. If other DTCs are set, except DTC P0315, refer to Diagnostic Trouble Code (DTC) List - Vehicle in Vehicle DTC Information for the applicable DTC.
3. Select the crankshaft position variation learn procedure with a scan tool.
4. The scan tool instructs you to perform the following:
1. Accelerate to wide open throttle (WOT).
2. Release throttle when fuel cut-off occurs.
3. Observe fuel cut-off for applicable engine.
4. Engine should not accelerate beyond calibrated RPM value.
5. Release throttle immediately if value is exceeded.
6. Block drive wheels.
7. Set parking brake.
8. DO NOT apply brake pedal.
9. Cycle ignition from OFF to ON.
10. Apply and hold brake pedal.
11. Start and idle engine.
12. Turn the A/C OFF.
13. Vehicle must remain in Park or Neutral.
14. The scan tool monitors certain component signals to determine if all the conditions are met to continue with the procedure. The scan tool only displays the condition that inhibits the procedure. The scan tool monitors the following components:
- Crankshaft position (CKP) sensors activity-If there is a CKP sensor condition, refer to the applicable DTC.
- Camshaft position (CMP) signal activity-If there is a CMP signal condition, refer to the applicable DTC.
- Engine coolant temperature (ECT)-If the engine coolant temperature is not warm enough, idle the engine until the engine coolant temperature reaches the correct temperature.
5. Enable the CKP system variation learn procedure with the scan tool.
6. Accelerate to WOT.

IMPORTANT: While the learn procedure is in progress, release the throttle immediately when the engine starts to decelerate. The engine control is returned to the operator and the engine responds to throttle position after the learn procedure is complete.

7. Release throttle when fuel cut-off occurs.
8. The scan tool display reads Test In Progress.
9. The scan tool displays Learn Status: Learned this ignition. If the scan tool indicates that DTC P0315 ran and passed, the CKP variation learn procedure is complete. If the scan tool indicates DTC P0315 failed or did not run, refer to DTC P0315. If any other DTCs set, refer to Diagnostic Trouble Code (DTC) List - Vehicle in Vehicle DTC Information for the applicable DTC.
10. Turn OFF the ignition for 30 seconds after the learn procedure is completed successfully.
11. The CKP system variation learn procedure is also required when the following service procedures have been performed, regardless of whether or not DTC P0315 is set:
- An engine replacement
- A PCM replacement
- A harmonic balancer replacement
- A crankshaft replacement
- A CKP sensor replacement
- Any engine repairs which disturb the crankshaft to CKP sensor relationship.

________________________________________

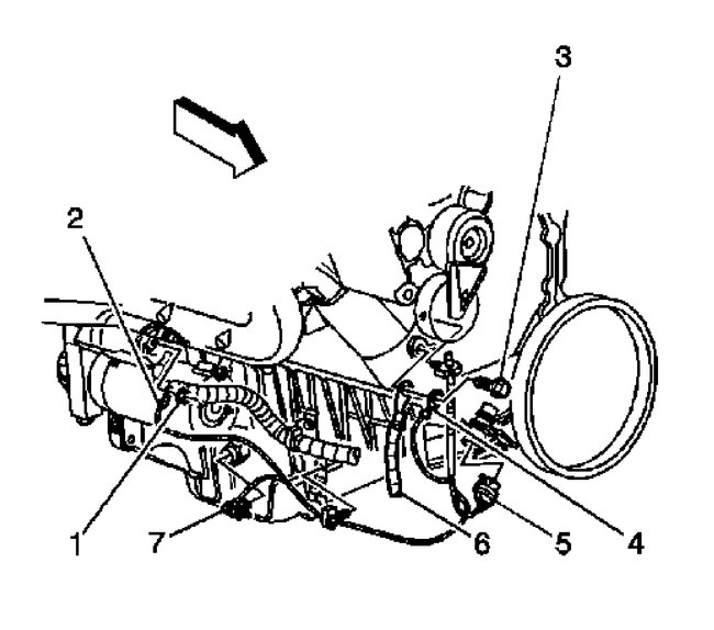
Now, before you replace the sensor, there is one more thing I want you to check. It is the ground for the coils and module. They all have 1 common ground. This ground is pron to fail after miles and years, so I strongly recommend checking it. Even though it may look attached at the engine block, make sure the connector is not ready to break, it is tight, and there isn't a corrosion issue. I learned this the hard way. Same conditions as your truck and couldn't find the problem. Touched the ground and it fell off. LOL

I attached a picture of the coils and ground. I circled the ground location. Make sure you also check the splice in the harness if the ground is good. Also, note that it can show continuity but fail when a load is placed on it. That's why I didn't suspect it.

Let me know if any of this helps or if you have other questions.

Take care,
Joe
Was this
answer
helpful?
Yes
No
Monday, October 5th, 2020 AT 10:07 AM (Merged)
Tiny
GPANKA
  • MEMBER
  • 5 POSTS
I already explained in the very beginning that I have replaced the PCM and yes the connections are good.
Was this
answer
helpful?
Yes
No
Monday, October 5th, 2020 AT 10:07 AM (Merged)
Tiny
ASEMASTER6371
  • MECHANIC
  • 52,796 POSTS
It still could be the PCM. Buying one preprogrammed does not always work.

Do you have a scan tool to read live data?

Roy
Was this
answer
helpful?
Yes
No
-1
Monday, October 5th, 2020 AT 10:07 AM (Merged)
Tiny
MLONG0790
  • MEMBER
  • 1 POST
  • 2005 CHEVROLET SILVERADO
  • 4.8L
  • V8
  • 2WD
  • AUTOMATIC
  • 170,000 MILES
Engine will crank fuel will pump but no spark changed crankshaft position sensor changed battery check ignition coil putting thorough 10 volts alternator puts out 12 volts relays and doses are all ok can't find problem it started and ran one day and hasn't started swapped around plug wires and ignition coils need help really need to get back to work help me
Was this
answer
helpful?
Yes
No
+1
Monday, October 5th, 2020 AT 10:08 AM (Merged)
Tiny
KEN L
  • MASTER CERTIFIED MECHANIC
  • 55,512 POSTS
Hello,

Two things come to mind, first is the security light flashing when you try to start it? This means the security system in engaged and it wont allow the engine ignition system to operate. This guide will help set it if its blinking.

https://www.2carpros.com/articles/how-to-reset-a-security-system

If not you may have an PCM1 fuse that is blow due to a shorted coil or injector. Please check the fuse for power and get back to me.

https://www.2carpros.com/articles/how-to-check-a-car-fuse

Here are the fuse locations and the engine wiring diagrams so you can see how the system works. If the fuse is blown unplug each coil and injector then plug them in one at time until the fuse blows.

This guide can helps as well

https://www.2carpros.com/articles/car-cranks-but-wont-start

Check out the diagrams (Below). Please run this test and get back to us.

Cheers, Ken

Was this
answer
helpful?
Yes
No
+7
Monday, October 5th, 2020 AT 10:08 AM (Merged)
Tiny
MLONG0790
  • MEMBER
  • 1 POST
Yep you were right it was the BCM I took it to the dealer and it cost me $550.00 for everything. Thanks for your help I love this site.
Was this
answer
helpful?
Yes
No
+3
Monday, October 5th, 2020 AT 10:08 AM (Merged)
Tiny
NAKITA67062
  • MEMBER
  • 0 POST
I had this problem as well the dealer had to initialize the crankshaft sensor cost me $130.00
Was this
answer
helpful?
Yes
No
+1
Monday, October 5th, 2020 AT 10:08 AM (Merged)
Tiny
RONDULSKE92
  • MEMBER
  • 1 POST
I have. 2004 Chevy Silverado 1500 5.3 v8 flex fuel I have good compression good fuel and new battery but no spark at all I need help can’t figure it out
Was this
answer
helpful?
Yes
No
Monday, October 5th, 2020 AT 10:08 AM (Merged)
Tiny
KEN L
  • MASTER CERTIFIED MECHANIC
  • 55,512 POSTS
9 times out of 10 its the crankshaft angle sensor here is a guide to yelp you replace it. You may need to do the relearn which I have included below.

https://www.2carpros.com/articles/crankshaft-angle-sensor-replacement

Check out the diagrams (Below). Please let us know what happens.

Was this
answer
helpful?
Yes
No
Monday, October 5th, 2020 AT 10:08 AM (Merged)

Please login or register to post a reply.