Aloha,
I have checked: koeo
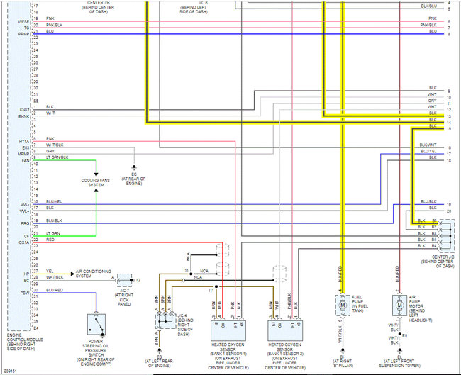
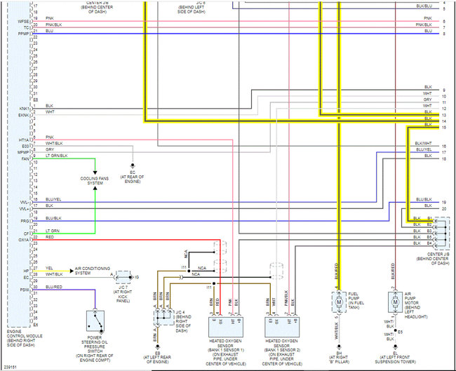
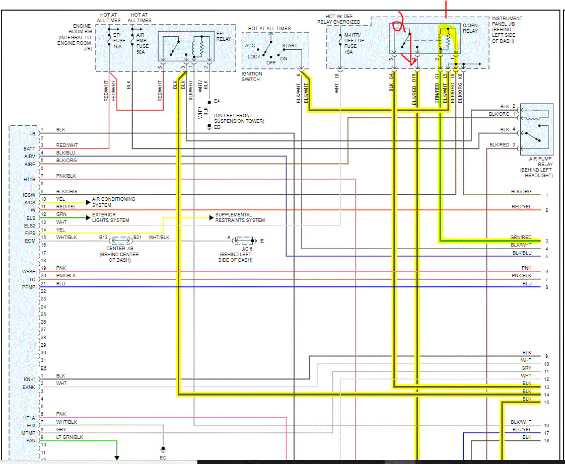
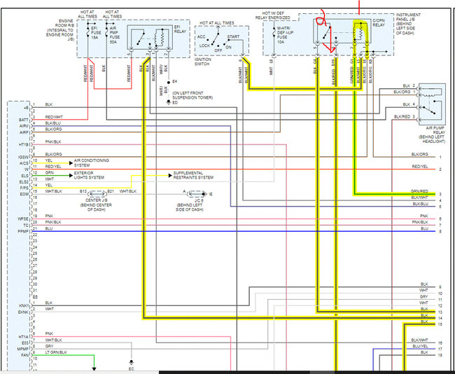
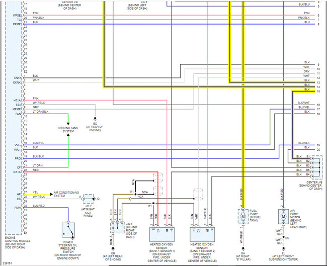
No power to the fuel pump connector BLK/R wire.
Good Ground WHT/Blk wire
Cranking voltage to the connector is approximately 5+/- V.
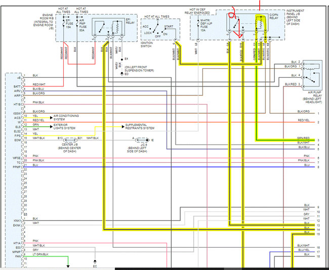
Both relays are checked and good (JB under the hood and under the dash.
With the key off to on- I also feel the relays being energized.
C/B for the EFI 20 amp is good.
The pump runs when by-passed.
The blinking security lights goes out when the key is inserted into the ignition.
This car was in a front-end accident with some damage to the radiator support. The airbags did not deploy.
I am a do it yourselfer with some engine repair knowledge but at this point I'm out of ideas.
I have checked: koeo
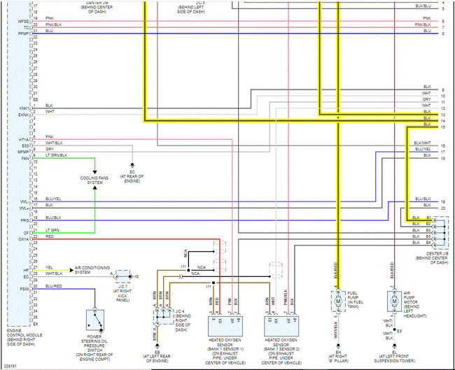
No power to the fuel pump connector BLK/R wire.
Good Ground WHT/Blk wire
Cranking voltage to the connector is approximately 5+/- V.
Both relays are checked and good (JB under the hood and under the dash.
With the key off to on- I also feel the relays being energized.
C/B for the EFI 20 amp is good.
The pump runs when by-passed.
The blinking security lights goes out when the key is inserted into the ignition.
This car was in a front-end accident with some damage to the radiator support. The airbags did not deploy.
I am a do it yourselfer with some engine repair knowledge but at this point I'm out of ideas.
Oct 29, 2021 at 2:22 PM








