Headlights are not working

Tiny
LEE LEE KNIGHT
  • MEMBER
  • 2002 FORD CROWN VICTORIA
  • 4.3L
  • V8
  • 2WD
  • AUTOMATIC
  • 190,765 MILES
My headlights don't come on, but my tail/brake lights do. Also, my windshield wipers are not working and if my headlight switch is on then my turn signal will not work, but if my switch is off and I turn my turn signal on, both indicators on my dashboard flash along with the bright light indicator.
Sunday, March 13th, 2022 AT 2:49 PM

2 Replies

Tiny
WENDY W
  • MECHANIC
  • 86 POSTS
Hello!

It sounds like there may possibly be a fault within the multifunction switch.

Have you been able to check the fuses and test for power at the headlamp connectors?

I've attached the testing procedure below for the multifunction switch and diagrams showing how to access the headlamp connectors.

These repair guides may also help you with the diagnosis:

https://www.2carpros.com/articles/how-to-check-wiring

https://youtu.be/Hlna_kUt7As

https://www.2carpros.com/articles/turn-signal-switch-replacement

Hope this helps! Wendy W.
Was this
answer
helpful?
Yes
No
Monday, March 14th, 2022 AT 9:34 AM
Tiny
BORIS K
  • MECHANIC
  • 836 POSTS
Hello,

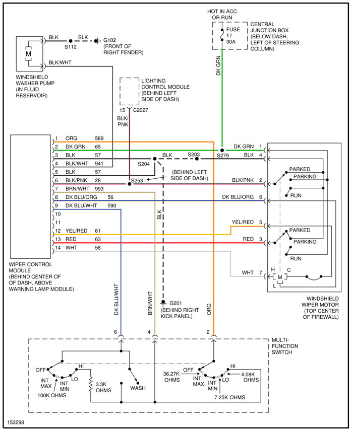
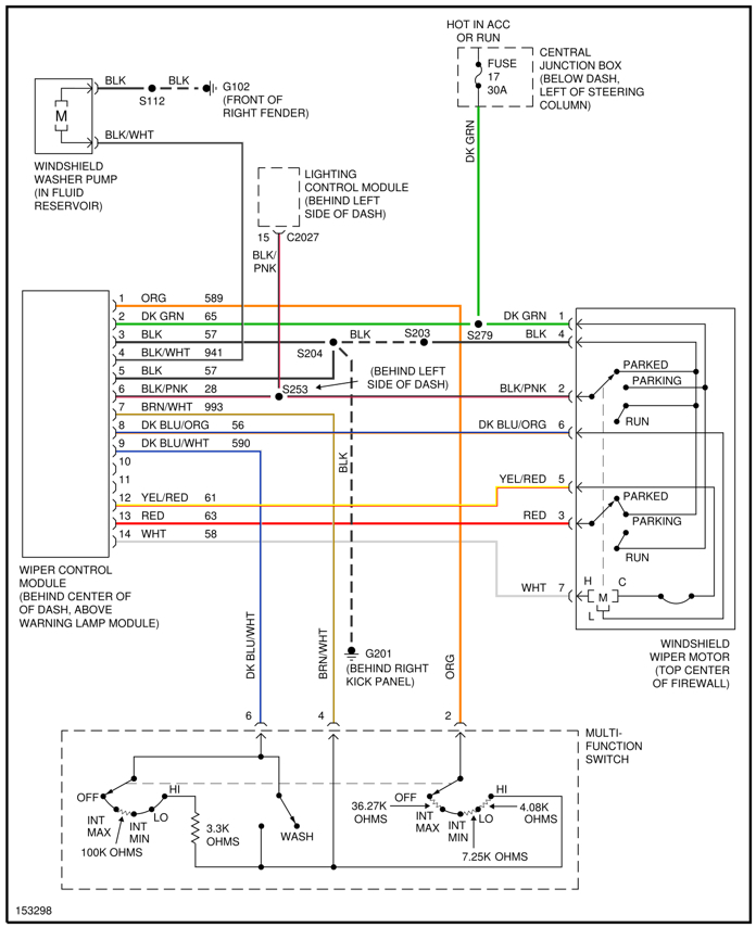
Regarding the wipers please first check that fuse 17, 30A, in the central junction box is still intact.
See image 1 below

How to test a fuse:
https://www.2carpros.com/articles/how-to-check-a-car-fuse

If the fuse is intact then next check that there is 12V present at pin 1, dark green wire, at the wiper motor. This can be done by either using a multi meter or a test light.

How to use a multi meter:
https://www.2carpros.com/articles/how-to-use-a-voltmeter

How to use a test light:
https://www.2carpros.com/articles/how-to-use-a-test-light-circuit-tester

Regarding the head lights first check that all fuses are intact. There are five fuses in total located in the central junction box.
The fuses supply ignition and battery voltage to the Lighting Control Module-LCM
See image 2 below.

The LCM is prone to fail, there was a recall issued for these for 2003-2005 models.
The solder joints on the main board of the LCM would crack or the head light relay fails.
There are companies which offer a repair to the LCM.

Link to a recall being carried out.
https://youtu.be/hUEJwmigHmQ

LCM repair.
https://youtu.be/Vr7aR8b45V8

Please let us know how you get along.

Cheers, Boris

Was this
answer
helpful?
Yes
No
Monday, March 14th, 2022 AT 10:08 AM

Please login or register to post a reply.