Saturday, May 16th, 2020 AT 6:49 PM
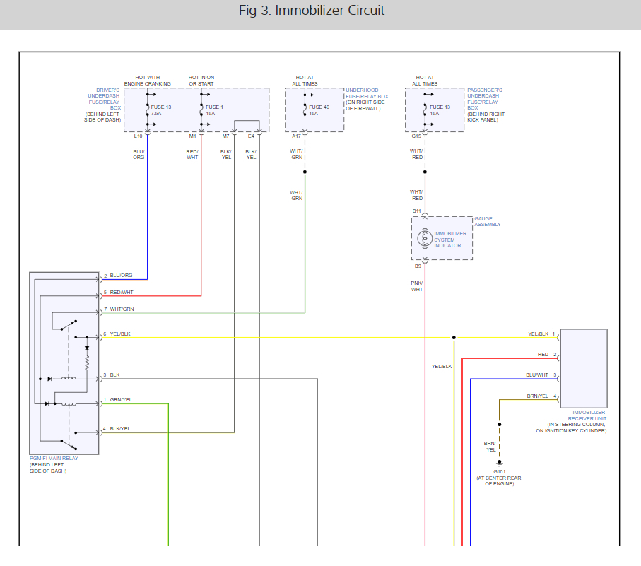
Winter stored vehicle. 4 year old battery went dead during storage. Charged but would not hold charge. When attempting to start car with 12.38v charged battery, it would turn over but not start. Noticed there was no green key in dash when key was turned to start car. Normally it will blink a few times and go out. Replaced battery thinking the low charge affected security/immobilizer system. Still no green key icon in dash when attempting to start car. Tried your suggestions in the "how to reset a security system" article to no avail. Ready to have car towed to Acura dealer 150 miles away. Any ideas what the problem might be? Will call Acura dealer Monday to see if they know some trick, but probably will refuse without seeing the car.















