No fuel pressure before and after new pump

Tiny
OBSADDICT8898
  • MEMBER
  • 1997 CHEVROLET SILVERADO
  • 5.0L
  • V8
  • 4WD
  • AUTOMATIC
  • 110,000 MILES
Truck listed above is a K1500 that has been sitting for 10 years.

With the key in the "run" position, I hear no pump whatsoever. I thought I could throw a pump in and be fine but to no success. If I jump terminal 30 and 87, I can hear the pump running, but with the relay in and key on, I get nothing.

New battery (charged), fuel pump, tank, and line to fuel filter.
Fresh gas and runs on starting fluid.

Is it high resistance in the wiring? Should I have 12v at the pump plug?
Saturday, March 20th, 2021 AT 4:06 PM

5 Replies

Tiny
ASEMASTER6371
  • MECHANIC
  • 52,796 POSTS
Good morning,

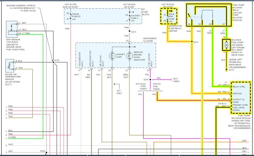
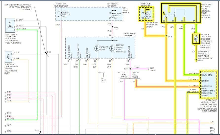
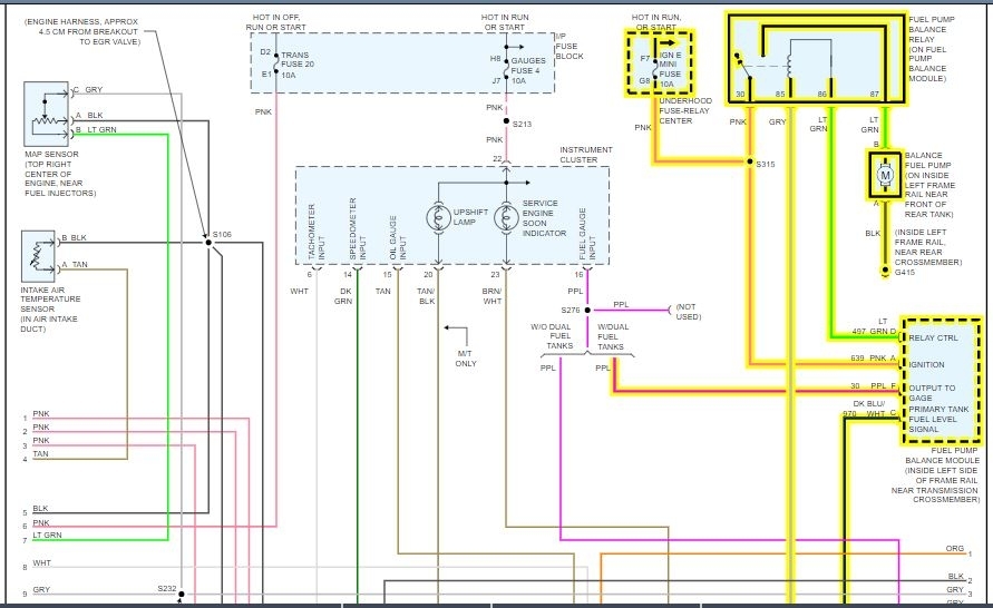
I attached the diagram for you to view the system.

https://www.2carpros.com/articles/how-to-check-wiring

When you tested for power, was there power to pin 86 on the control side of the relay with the key on for 2 seconds?

https://www.2carpros.com/articles/how-to-check-an-electrical-relay-and-wiring-control-circuit

Roy

REMOVAL PROCEDURE

WARNING: To reduce the risk of fire and personal in jury that may result from a fuel leak, always replace O-ring seals exposed during component service.

1. Disconnect the negative battery cable.
2. Loosen the filler cap(s) to Relieve fuel tank pressure. Refer to Fuel Pressure Release.
3. Disconnect the electrical connector.
4. Clean both fuel pipe connections and surrounding areas at the fuel pump before disconnecting to avoid possible contamination of the fuel system.
5. Disconnect both fuel pipes from the pump.
6. Slide the pump out of the bracket.

INSTALLATION PROCEDURE
1. Install the new fuel pipe O-rings.
2. Position the new pump in the pump bracket.
3. Connect the fuel feed pipe and suction pipe to the fuel pump.

Tighten
- Use a backup wrench to prevent the pump from turning. Tighten the fittings to 3O Nm (22 lb. ft.).
Was this
answer
helpful?
Yes
No
Monday, March 22nd, 2021 AT 6:31 AM
Tiny
DANNY L
  • MECHANIC
  • 5,648 POSTS
Hello, I'm Danny.

It sounds like you might be having a ground issue at the fuel pump-fuel tank area. The 88-98 obs trucks are notorious for this happening. Here is a tutorial showing how to check wiring:

https://www.2carpros.com/articles/how-to-check-wiring

I've attached the fuel pump wiring diagram below for your truck. I've cut the picture into 2 pieces so you can view larger. The first thing I would suggest is to check the fuel pumps ground to make sure its not loose, broken, corroded, or otherwise damaged. Get back to us and let us know what you find and we'll go from there. Attached a picture of my 1989 K1500 below. Hope this helps and thanks for using 2CarPros.
Was this
answer
helpful?
Yes
No
Monday, March 22nd, 2021 AT 6:40 AM
Tiny
OBSADDICT8898
  • MEMBER
  • 2 POSTS
I used a wire brush to clean up the area around the ground wire, bare metal and a brand new wire, ground is good.
Was this
answer
helpful?
Yes
No
Tuesday, March 23rd, 2021 AT 2:43 PM
Tiny
ASEMASTER6371
  • MECHANIC
  • 52,796 POSTS
Since you jumped 30 and 87 and the pump ran, the ground was not the issue.

Did you check the control side of the relay as I suggested?

Roy
Was this
answer
helpful?
Yes
No
Tuesday, March 23rd, 2021 AT 4:22 PM
Tiny
DANNY L
  • MECHANIC
  • 5,648 POSTS
Hello again.

I agree. I would keep looking into the wiring issue dealing with the relay. Keep us updated as to what you find or if you have any further questions on this issue. Hope this helps and thanks again for using 2CarPros.

Danny-
Was this
answer
helpful?
Yes
No
Thursday, March 25th, 2021 AT 8:05 PM

Please login or register to post a reply.