No fuel

Tiny
BOSSMAN54
  • MEMBER
  • 2006 CHRYSLER PACIFICA
  • 3.6L
  • 4WD
  • AUTOMATIC
  • 180,000 MILES
Replaced fuel pumps twice, runs two or three day then wont start and no fuel. Sounds like fuel pumps running when key is on.
Sunday, October 13th, 2019 AT 12:35 PM

3 Replies

Tiny
SCGRANTURISMO
  • MECHANIC
  • 4,897 POSTS
Hello,

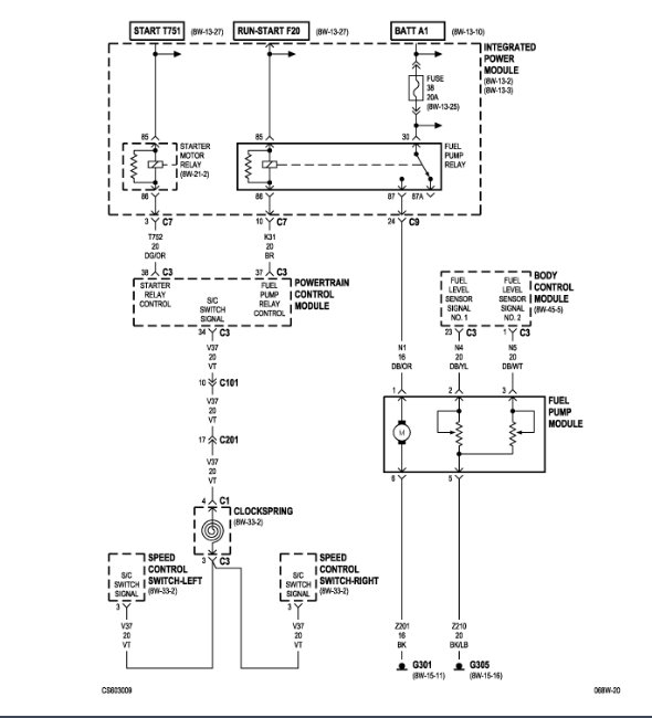
This could be a problem with fuse 38[20A] in the Integrated Power Module in the engine compartment of your vehicle. Here is a link describing how to check a fuse below, if needed:

https://www.2carpros.com/articles/how-a-car-fuse-works

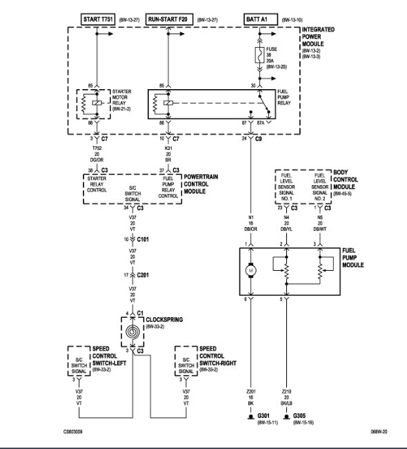
In the diagrams down below I have included a wiring diagram of your vehicle's fuel pump circuit for reference as well. Please get back to us with what you find out and we can go from there.

Thanks,
Alex
2CarPros
Was this
answer
helpful?
Yes
No
Sunday, October 13th, 2019 AT 1:41 PM
Tiny
MAJ123
  • MEMBER
  • 1 POST
If there was a problem with the fuse, the fuel pump would not prime. Bossman54 clearly says that he can hear the fuel pumps "running" when he turns the key. I have this exact issue and this answer was not helpful.
Was this
answer
helpful?
Yes
No
Tuesday, December 24th, 2024 AT 11:32 AM
Tiny
CARADIODOC
  • MECHANIC
  • 34,489 POSTS
There's a number of problems here. First, you had better not hear the fuel pump running with the ignition switch on. To do so would create a serious fire hazard if a fuel line got ruptured in a crash. Instead, the pump will indeed run when you turn the ignition switch on, but only for one second. That is not meant for priming the pump. That's done in case fuel pressure dropped off over days or weeks. The fuel pump will not turn back on until the Engine Computer sees engine rotation, (cranking or running).

The bigger problem here is, as is too common, no one followed up with the solution or how they reached it. That doesn't help people like you who are researching a similar problem. In addition, unlike on other forums where anyone can chime in to confuse the issue, here this becomes a private conversation that can go on for weeks or months if necessary, between just two or three people. When you add a reply to it, none of the other experts are going to see it or have a chance to help. That leaves you with just me, (because I happened to notice your comment), and that may not get you the help you need. The better approach is to start a new question specific to your vehicle. I'll try to help here, but if you need to start a new question, this link will take you there:

https://www.2carpros.com/questions/new

Before you complain about the lack of an answer, consider that we have no idea of the person's skill level or knowledge of cars or electrical systems. Some people get angry when we dare to ask those questions so we can solve this most efficiently. Some get mad when we go into detail on how to use a voltmeter. Some people seem to consider many details as top secret and they don't share their observations, test results, or clues. Some people are barely proficient at putting in gas, yet we can walk them through the diagnosis and repair if given the chance.

If you have "the exact same problem", what have you done or tried so far? Have you replaced the fuel pump multiple times? How long might the vehicle go between gas fill-ups? Could it sit for weeks at a time? How long do the pumps last? Has anything been done to diagnose the cause of the failures? Almost any details you can provide will be more to go on than was originally posted.

Please tell me which engine you have too in case I need to find and post a wiring diagram. Most are the same, but there can be differences between engines and other options.
Was this
answer
helpful?
Yes
No
Tuesday, December 24th, 2024 AT 12:52 PM

Please login or register to post a reply.