Saturday, October 5th, 2019 AT 5:48 AM
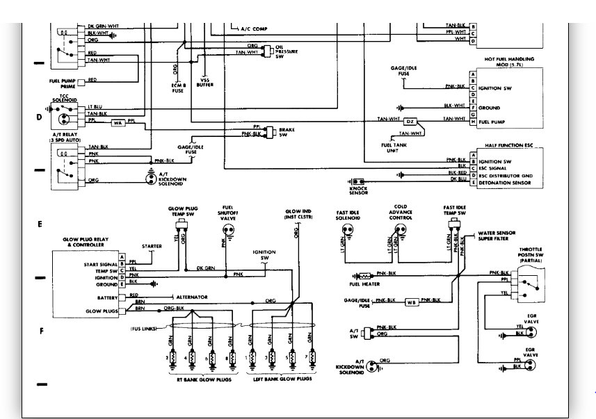
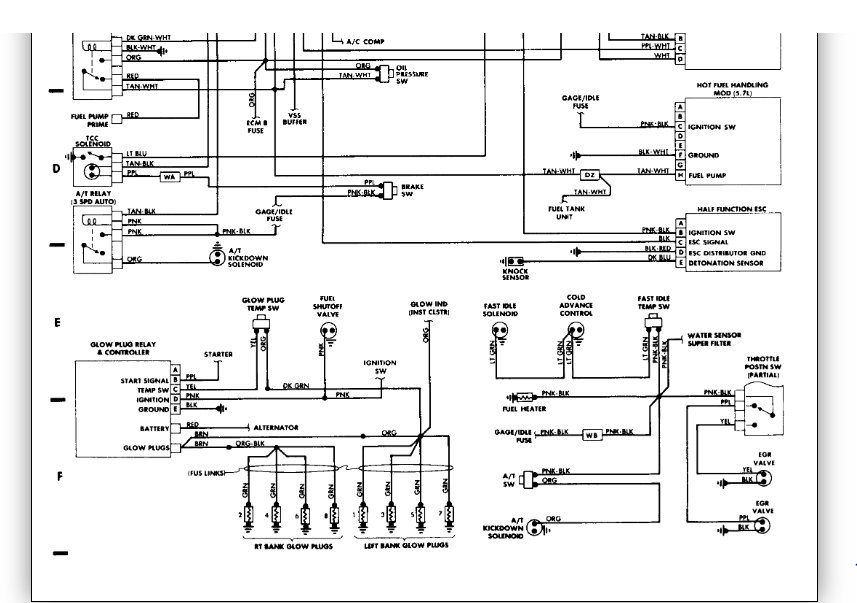
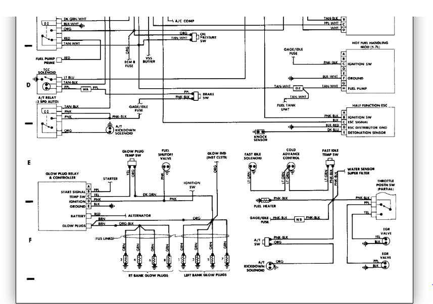
Truck was running fine when parked. Sat up for a couple years went to crank it won't crank, no fuel. Had someone put a fuel pump in oh and I have dual tanks. Had someone to put fuel pump in main tank. I was at work. Came home it was running. Went to start driving it couple months later and still crank right up and idles fine but mash down on gas and it sputters like not enough fuel. Check fuel filter was little dirty. Changed it. Cranked runs right for about a mile started back. Changed fuel filter again but wasn't dirty this time. Still new one still sputters when mashing the gas. Checked throttle body took apart cleaned put back gasket got broken causing access fuel to go in throttle body but ran perfect. Bought kit changed all gaskets cranked it back to the sputtering. Decided to start from the beginning. Dropped tank and finds out no fire to fuel pump the guy ran a hot wire from fuse box to harness of fuel pump sending unit. Don't know if that caused the sputtering. But wanted it fixed right. Bought new fuel pump and sending unit seals for tank and all. Still no fire on fuel pump sending unit side at the connector connector on harness side I got 7.7 volts key on plug fuel pump sending unit in it on fps side no fire. 12 volts going to fuel pump relay and oil pressure sensor were could I be losing fire. Help please driving me crazy not to familiarize with that throttle body system.




