No crank no start, I connected my battery up backwards?

Tiny
MELANIE JACKSON
  • MEMBER
  • 2006 JEEP LIBERTY
  • 3.7L
  • V6
  • AUTOMATIC
  • 144,477 MILES
I hooked my battery up backwards one day and since then things started malfunctioning. I’ve replaced the alternator, the serpentine belt, the starter, the ignition actuator fuses relays and wiring. The car finally quit starting won’t even crank. I ordered a new ECM that was preprogrammed once installed there is still no change. What is wrong?
Tuesday, December 19th, 2023 AT 3:29 PM

1 Reply

Tiny
JACOBANDNICKOLAS
  • MECHANIC
  • 110,194 POSTS
Hi,

If you have a no-crank condition, it is usually related to a relay, power supply, neutral safety switch, or a PCM problem.

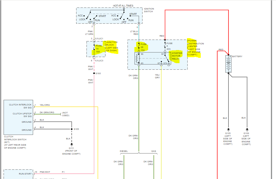
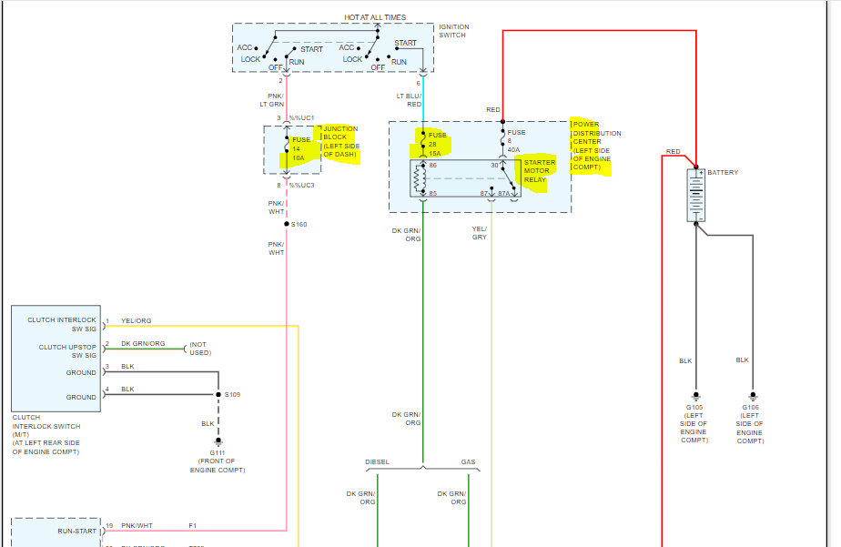
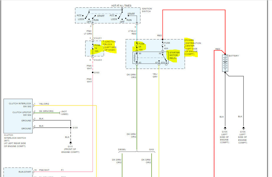
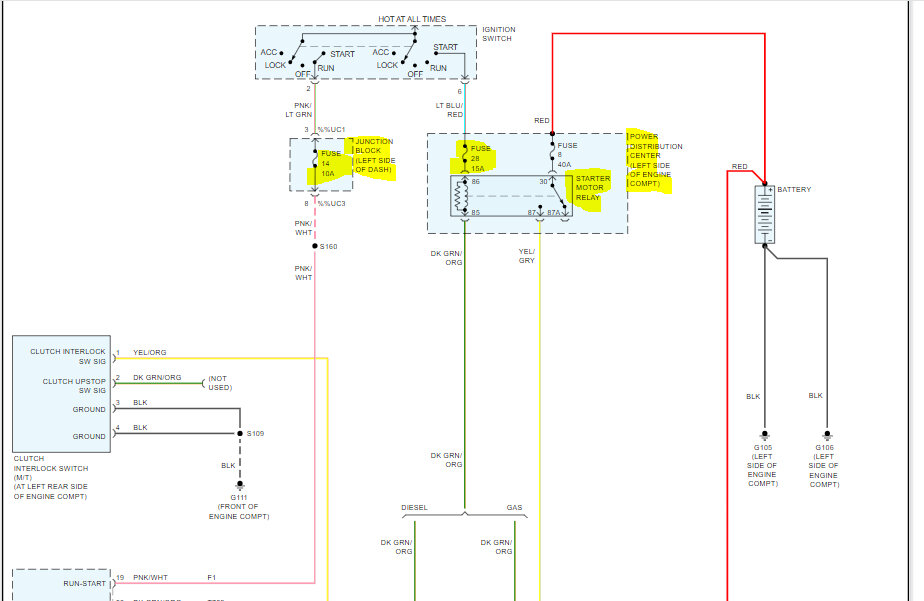
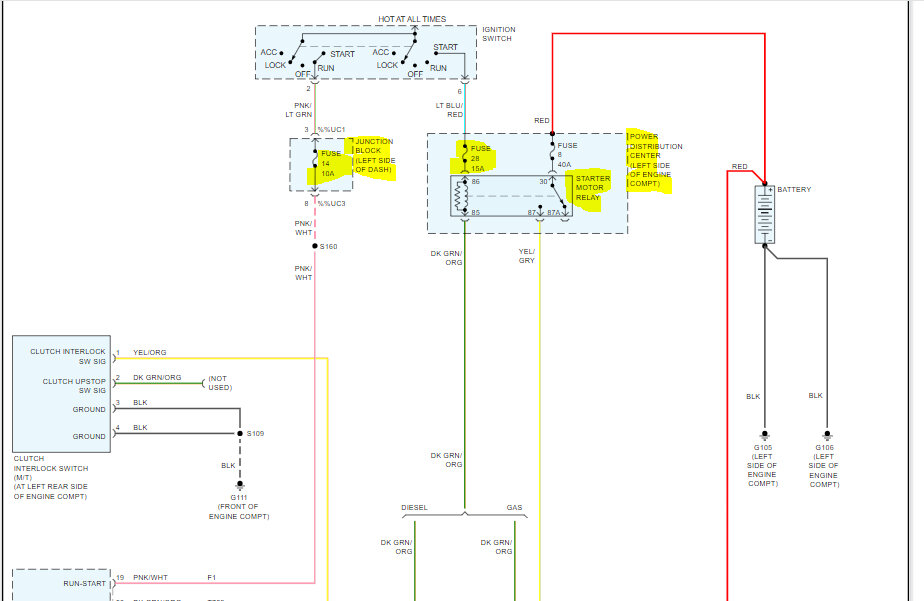
You have already replaced the PCM, so we need to start with the power supply. First, see if it will start if you place it in neutral. If there is no change, inspect the fuses and the relay I highlighted below. (see wiring schematic below)

When you check the fuses, make sure there is power to and from them.

Here is a link you may find helpful:

https://www.2carpros.com/articles/how-to-check-a-car-fuse

Next, if the fuses are good, switch the relay with a different one having the same part number. If there is still no change, we need to confirm the relay circuit is working.

Here is a link that explains how to check one:

https://www.2carpros.com/articles/how-to-check-an-electrical-relay-and-wiring-control-circuit

Let me know what you find.

Take care,

Joe

See pics below.
Was this
answer
helpful?
Yes
No
Tuesday, December 19th, 2023 AT 9:18 PM

Please login or register to post a reply.