Engine cranks, but does not start at times

Tiny
TROY2006
  • MEMBER
  • 2006 JEEP LIBERTY
  • 3.7L
  • 6 CYL
  • 4WD
  • AUTOMATIC
  • 144,000 MILES
2006 Jeep Liberty Sport with 3.7L engine. I recently replaced the fuel pump (not assembly) because of no pressure. Now have trouble starting at times, but once running does not cut out or cut off. Measured the pressure at fuel rail and was 36 psi with engine running (should be 56-60 psi).

When I turn the engine off the pressure gradually increases to 58 psi after about 5 minutes. What would cause the pressure to increase after the engine is turned off? As a separate note, is the regulator, fuel filter, and the fuel pump all contained in the "assembly"?


Please advise. Thanks.

.
Monday, November 17th, 2014 AT 4:02 PM

38 Replies

Tiny
JACOBANDNICKOLAS
  • MECHANIC
  • 110,192 POSTS
That is interesting. I think the fuel pressure gauge might not be plugged onto the fuel rail all the way causing the gauge not to read right.

As far as the regulator and filter, yes, the filter is in the tank and the regulator could be based on which set up you have. It sounds more like a fuel pump relay is failing.
Was this
answer
helpful?
Yes
No
-1
Tuesday, November 18th, 2014 AT 5:10 AM
Tiny
TROY2006
  • MEMBER
  • 10 POSTS
There was only one place to connect the hose. The other was for the electrical connector. Could it have something to do with the check valve?
Was this
answer
helpful?
Yes
No
-1
Tuesday, November 18th, 2014 AT 5:48 AM
Tiny
JACOBANDNICKOLAS
  • MECHANIC
  • 110,192 POSTS
No, a check valve wouldn't cause an increase in pressure. I feel it has something to do with the regulator. Since you just did the pump and not the entire assembly they can be the problem.
Was this
answer
helpful?
Yes
No
+1
Tuesday, November 18th, 2014 AT 6:49 AM
Tiny
TROY2006
  • MEMBER
  • 10 POSTS
Thanks for your tip about the fuel pump relay. One I took the car into the garage that is what they found.

Thanks for the tip I wish I would have listened to you earlier, $160.00 earlier lol
Was this
answer
helpful?
Yes
No
Tuesday, November 18th, 2014 AT 10:54 AM
Tiny
JACOBANDNICKOLAS
  • MECHANIC
  • 110,192 POSTS
Glad you could get it fixed, that kind of problem can be tough. Please use 2CarPros anytime we are here to help

Cheers
Was this
answer
helpful?
Yes
No
+1
Tuesday, November 18th, 2014 AT 6:09 PM
Tiny
CME92
  • MEMBER
  • 1 POST
  • 2006 JEEP LIBERTY
  • 3.7L
  • V6
  • 2WD
  • AUTOMATIC
  • 68,000 MILES
Won't start/ crank. First time I tried starting it since issue, it would start no problem then cut off after 2-3 seconds (this happened 3 times). Now it will not start or crank at all. No noises area de when key is turned in the ignition.
Was this
answer
helpful?
Yes
No
Tuesday, January 1st, 2019 AT 6:45 PM (Merged)
Tiny
HMAC300
  • MECHANIC
  • 48,601 POSTS
Have battery checked for condition including load test. If battery ok then have a pro scan it for a bad tpim module. It sounds like it may have a communication error with the computer if it says "No Bus" in the drivers info center. This will require a scan tool to see whats going on
Was this
answer
helpful?
Yes
No
Tuesday, January 1st, 2019 AT 6:45 PM (Merged)
Tiny
MOD2069
  • MEMBER
  • 1 POST
  • 2006 JEEP LIBERTY
  • 114,000 MILES
Jeep will not turn over with the key. I have checked the starter and fuses
Was this
answer
helpful?
Yes
No
Tuesday, January 1st, 2019 AT 6:45 PM (Merged)
Tiny
JDL
  • MECHANIC
  • 16,098 POSTS
How did you check the starter? Did you check for voltage at the starter? Any testing at the starter, make sure tranny is in park or neutral and the parking brake is set.

Battery has a full charge and connections all clean and tight?
Was this
answer
helpful?
Yes
No
Tuesday, January 1st, 2019 AT 6:45 PM (Merged)
Tiny
JDL
  • MECHANIC
  • 16,098 POSTS
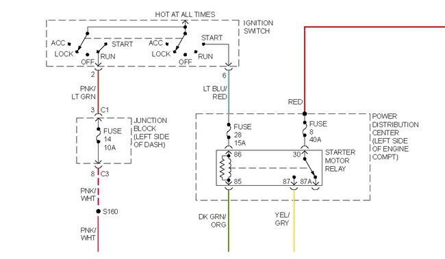
This is part of starter circuit. The yellow wire with gray tracer at the starter goes hot when the relay is energized. The red wire at starter is battery voltage, hot all the time.
Was this
answer
helpful?
Yes
No
Tuesday, January 1st, 2019 AT 6:45 PM (Merged)
Tiny
JUSTDOIT8
  • MEMBER
  • 4 POSTS
  • 2006 JEEP LIBERTY
  • 6 CYL
  • 4WD
  • AUTOMATIC
  • 94,000 MILES
My 2006 Jeep Liberty Sport 3.7L starts just fine in the morning and at night when the weather and/or vehicle are cool. During the day I turn the key and get one starter relay click and no starter cranking at all.
During the past 2 weeks or so I had noticed that the vehicle would not start until I turned the key all the way to the stop, rather than just past the detent where the spring loaded resistance begins. I eliminated the starter relay by swapping it out with one of the wiper relays (same part #). I am assuming that the ignition switch is good since the starter relay is activating. Pretty sure my battery is good since all electrical systems seem normal. I tried moving the steering wheel and the shifter to exercise the neutral switch. Is it possible that I could have a bad ignition switch and still be sending some juice (but not enough) to the relay?
Was this
answer
helpful?
Yes
No
-1
Tuesday, January 1st, 2019 AT 6:45 PM (Merged)
Tiny
DOCFIXIT
  • MECHANIC
  • 18,828 POSTS
Suspect starter motor possible worn bushings. When it won't start get to starter put test light on small wire at starter have helper turn key if it lights every time the motor faulty.
Was this
answer
helpful?
Yes
No
Tuesday, January 1st, 2019 AT 6:45 PM (Merged)
Tiny
JUSTDOIT8
  • MEMBER
  • 4 POSTS
It started fine this morning, allowing me to drive it up on ramps.
I used the test light to probe the wire. No light when attempting to start. I tried all angles of the conductor (slide-on end of connector, and crimp end of connector). The thick red wire running down from battery lights up nicely as expected. I re-affirmed that the starter relay inside the PDC clicks on every start attempt.
Was this
answer
helpful?
Yes
No
Tuesday, January 1st, 2019 AT 6:45 PM (Merged)
Tiny
JUSTDOIT8
  • MEMBER
  • 4 POSTS
I re-traced all electrical connections again with a voltmeter. Everything seems to check out fine. I noticed in my Haynes repair manual that my Jeep has a battery temperature sensor located under the battery in the bottom of the tray. Sounds like a candidate for causing this type of temperature related failure. I removed the battery and set a bag of ice on top of the sensor for about 5 minutes. I then re-installed the battery and the vehicle started with no problem. Now I think I have it narrowed down to either the temp sensor or the battery itself. Maybe my battery is marginally functional?
Was this
answer
helpful?
Yes
No
Tuesday, January 1st, 2019 AT 6:45 PM (Merged)
Tiny
DOCFIXIT
  • MECHANIC
  • 18,828 POSTS
Have a load test done on BATT local parts store will do
Was this
answer
helpful?
Yes
No
Tuesday, January 1st, 2019 AT 6:45 PM (Merged)
Tiny
JUSTDOIT8
  • MEMBER
  • 4 POSTS
I gave up and took it to my mechanic. They found that the ignition switch/steering column had a short in it somewhere. They had to replace the steering column with the switch.
Was this
answer
helpful?
Yes
No
+1
Tuesday, January 1st, 2019 AT 6:45 PM (Merged)
Tiny
GERRI
  • MEMBER
  • 1 POST
  • 2006 JEEP LIBERTY
I have a 2006 Jeep Liberty. It was running fine yesterday, went out to start it today. It wont turnover. Just clicks. Everything lights up though.
Was this
answer
helpful?
Yes
No
Tuesday, January 1st, 2019 AT 6:45 PM (Merged)
Tiny
CJ MEDEVAC
  • MECHANIC
  • 11,005 POSTS
Just to kinda see if your battery is way down or alternator ain't chargin' it. Sorta a test, without using a voltmeter (let me know if you have one and know how to use it)

Turn you headlights on, have your buddy watch 'em. You try to crank it up. If they dim to nothingness or go completely out, you may want to check your battery/ charging system.

If they stay bright, check every mechanical connection from the battery to the starter on the Pos side, and also the same on the Neg side. Test as you go, this may let you know which connection was the problem. Leave nothing out, saying, "That looks good", as that's usually the one that will bite you in the butt!

The Medic
Was this
answer
helpful?
Yes
No
Tuesday, January 1st, 2019 AT 6:45 PM (Merged)
Tiny
PERRY31
  • MEMBER
  • 1 POST
  • 2006 JEEP LIBERTY
  • 6 CYL
  • 4WD
  • AUTOMATIC
  • 126,000 MILES
My Jeep will not start. I have replaced the starter still nothing. The car is getting power but will not turn over.
Was this
answer
helpful?
Yes
No
Tuesday, January 1st, 2019 AT 6:46 PM (Merged)
Tiny
RASMATAZ
  • MECHANIC
  • 75,992 POSTS
No crank when key is turn to the starting position:

Could be the starter relay, transmission position switch and ignition switch assuming the battery and connections are good.
Was this
answer
helpful?
Yes
No
Tuesday, January 1st, 2019 AT 6:46 PM (Merged)

Please login or register to post a reply.