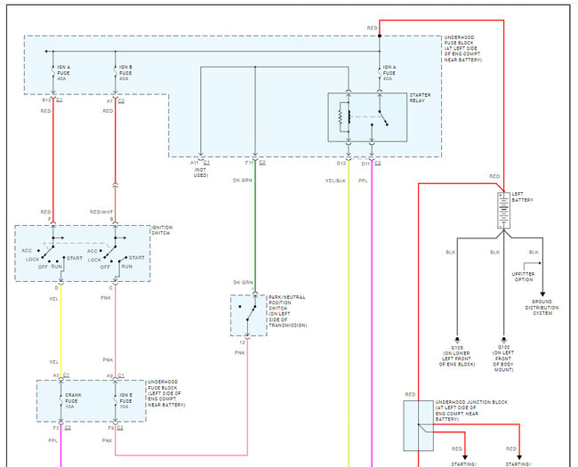
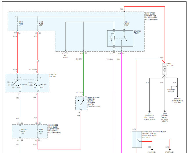
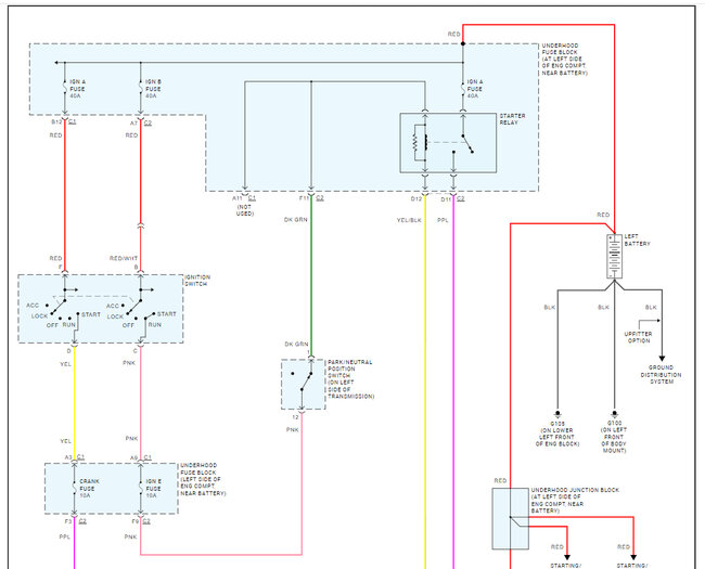
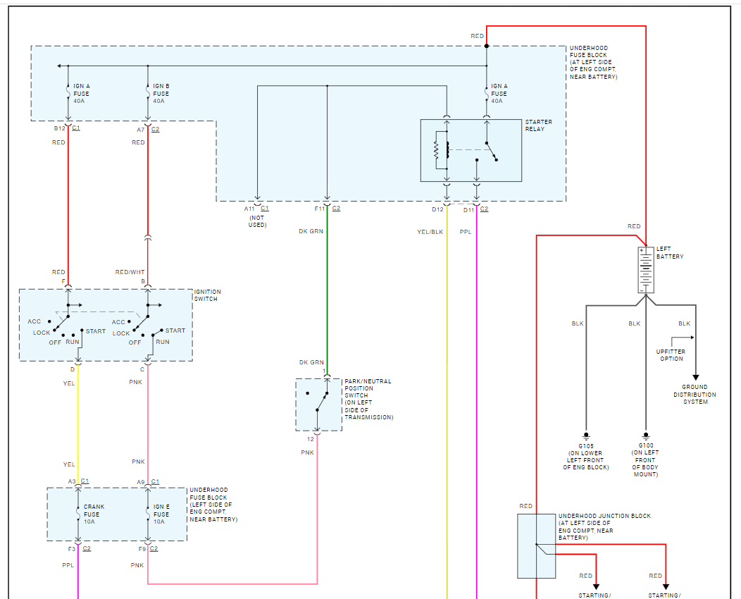
put it in, and now it's not even cranking. I tried to just bypass the starter solenoid just to get it home and I could get it to crank that way but will not start up. Oh, and the fuel is gushing out at the rails now so that problem is fixed. Why won't it start up? I've been stuck here for 5 days now. Maybe the neutral safety switch? I just don't have any experience with those. Please help.
Tuesday, June 25th, 2024 AT 9:14 AM












