No crank, dashboards stays lit after key has been removed

Tiny
IMJUSTDARE
  • MEMBER
  • 2001 VOLKSWAGEN GOLF
  • 2.0L
  • AUTOMATIC
  • 156,000 MILES
I was out driving around and stopped at a parking lot when I went to turn the car back on, there was no crank or start, all I could here is the click from the ignition switch from the attempt to start the car. I removed the key and saw the battery light and check engine light stayed lit while the wrong key light indicator on the dashboard flashed.
Do I need to reprogram my key chip and why do the those warning lights remain while the key is removed from the car? I checked the ignition switch to see if that was the case but no and the battery seemed fine. Strange that the dashboard lights don't show when the key is turned to the first position either. Any thoughts?
Monday, May 23rd, 2022 AT 2:28 PM

11 Replies

Tiny
KASEKENNY
  • MECHANIC
  • 18,907 POSTS
There are a couple things that can cause this, so we need to start with the basics.

First, we need to check for codes.

https://www.2carpros.com/articles/checking-a-service-engine-soon-or-check-engine-light-on-or-flashing

If we have codes, then that is going to point us in the right direction.

If there are no codes, then we need to check the battery and make sure it can carry the load. It doesn't sound like a battery issue, but we must rule this out or it will burn us.

Trust me, I have been burned enough to know we need to check these things even when we are pretty sure it is not the issue.

https://www.2carpros.com/articles/car-battery-load-test

A parts store can check for codes and the battery if the vehicle can get to a parts store. If not, remove the battery and take it in and have them test it.

Let me know what you find with this, and we can go from there, but the next step would be tracking power through the starting system.

This is all assuming that the theft light is not remaining on or flashing. If it is then we should have some codes. Let me know what you find. Thanks
Was this
answer
helpful?
Yes
No
Tuesday, May 24th, 2022 AT 5:31 PM
Tiny
IMJUSTDARE
  • MEMBER
  • 6 POSTS
I previously tested the battery with a test light and showed it had 12.5-Volts with the engine off so I disregarded it as a faulty/low battery, I could still get the load tested I suppose. I plugged in a Autophix 3210 Bluetooth scanner, and I checked for any trouble codes, but I got none. However, for I/M readiness I got some unfinished things that came up and two O2 bank codes (I'll link a screenshot) When I disconnect and reconnect the battery the wrong key light still flashes, and the check engine/battery stay lit (I even disconnected the battery overnight and reconnected the next day to see if it would restart the system but no).

I keep the battery disconnected because the dashboard lights remain on even if the key isn't in and I don't want the battery to be used up. My key doesn't respond to the car when I go to lock and unlock my doors either. Maybe it's a sensor or something but I'd like to hear your feedback thanks!
Was this
answer
helpful?
Yes
No
Wednesday, May 25th, 2022 AT 2:45 PM
Tiny
KASEKENNY
  • MECHANIC
  • 18,907 POSTS
Getting the battery load tested is a good idea because they can have 12 volts and still fail to start the engine.

However, this doesn't sound like a battery issue with this info.

Just to be clear, you put the key in the ignition and turn the key and the ignition does not do anything? You hear a clicking but does the cluster come on like normal and the engine is supposed to start?

Then when you remove the key, the cluster stays on with the lights that you show in your picture?

If this is the case, then I am thinking we have a cluster issue or an issue with the comfort control system/BCM.

Do you have power windows?

We may have no other choice but to program new keys to see if this is our issue, but I would expect you to have codes with incorrect keys.
Was this
answer
helpful?
Yes
No
Wednesday, May 25th, 2022 AT 4:21 PM
Tiny
IMJUSTDARE
  • MEMBER
  • 6 POSTS
I will get the battery load tested when I get the chance just in case it is the problem for some reason.

Correct on the cluster, the lights do not turn on, only the lights that are shown in the picture remain and it's the same throughout the key removal or even attempts of cranking the engine. I have manual roll down windows by the way. I'm not sure why it's not giving me a fault code either when the light is flashing. The key is the same one I've always used for the car and never used a spare or anything either.
Was this
answer
helpful?
Yes
No
Wednesday, May 25th, 2022 AT 4:55 PM
Tiny
KASEKENNY
  • MECHANIC
  • 18,907 POSTS
If this is happening, then we need to start with removing fuses one at a time to see which one causes the cluster lights to cut off.

I suspect the comfort system central module is the issue but let's cut power to it and see if the cluster lights will turn off.

If that is the case, then we can zero in on the CSCCM. Take a look at the wiring diagram to get the fuses for this module.
Was this
answer
helpful?
Yes
No
Thursday, May 26th, 2022 AT 9:29 AM
Tiny
IMJUSTDARE
  • MEMBER
  • 6 POSTS
All right, so I cut the power to the fuses for the csccm and the cluster instrument, When I cut the power to the csccm (5 and 6) nothing happened and the cluster remained on, However I did remove and place back the cluster instrument (11) (I'll attach an image)

When I put it back, the other lights came on for like 2 seconds and then turned off, the wrong key flashing with the check engine/battery stays the same as before. The ABS also came on and stayed lit as well as the braking light is now flashing with the warning beep even though my emergency brake is up. In hindsight, I should have probably just tested the cluster instrument instead.
So, since the ccssm didn't turn off the cluster could it be something else? Also, if I did anything incorrect let me know, there are always mistakes that can be made and I can own up to.
Was this
answer
helpful?
Yes
No
Thursday, May 26th, 2022 AT 3:06 PM
Tiny
KASEKENNY
  • MECHANIC
  • 18,907 POSTS
Okay. Based on all this the only thing I can think that would cause all this is the ignition switch.

What does not give me confidence is that I don't know why these select lights would remain on. However, it would explain the no start and the lights not turning off like the ignition is still in the on position.
Was this
answer
helpful?
Yes
No
Thursday, May 26th, 2022 AT 7:54 PM
Tiny
IMJUSTDARE
  • MEMBER
  • 6 POSTS
Alright, so I changed the ignition switch with a new one, checked if there were any bad wires and even the old ignition switch didn't look so bad. I went to go crank the engine and nothing, all I here is the click. I'm not sure where to go from here, I mean it could be the starter but even then, I really doubt it because it doesn't explain why the lights stay lit on the cluster, my car truly has a mind of its own.
Was this
answer
helpful?
Yes
No
Friday, May 27th, 2022 AT 4:55 AM
Tiny
KASEKENNY
  • MECHANIC
  • 18,907 POSTS
Maybe we made the mistake of thinking these issues are caused by the same thing.

Lets back track and address them separately. Starting with the no start concern.

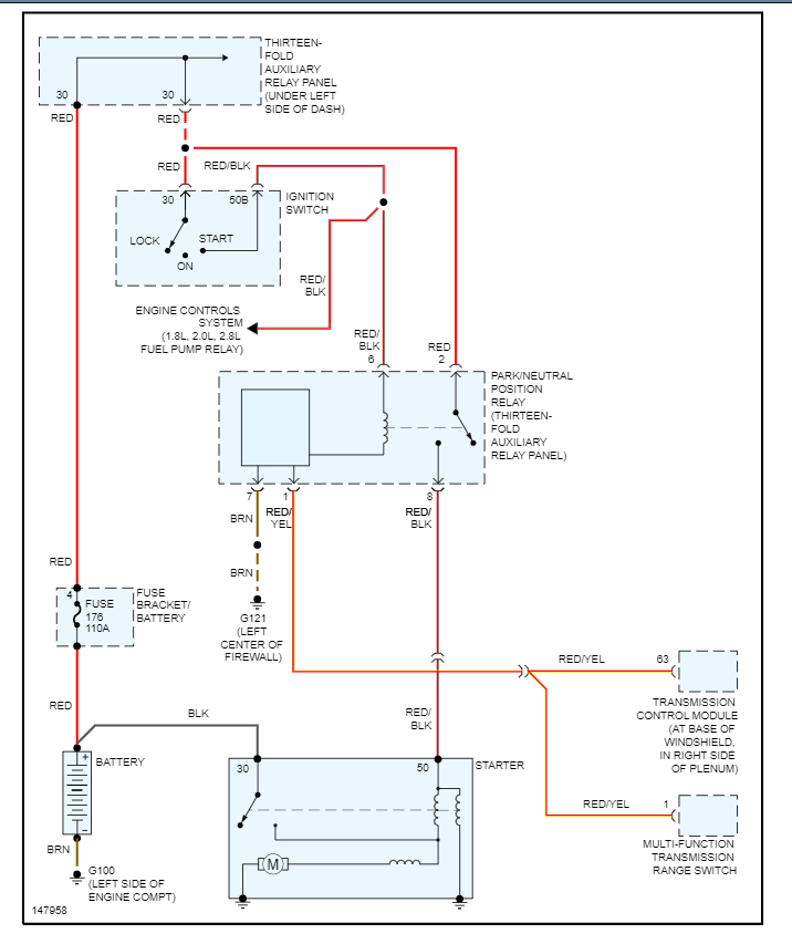
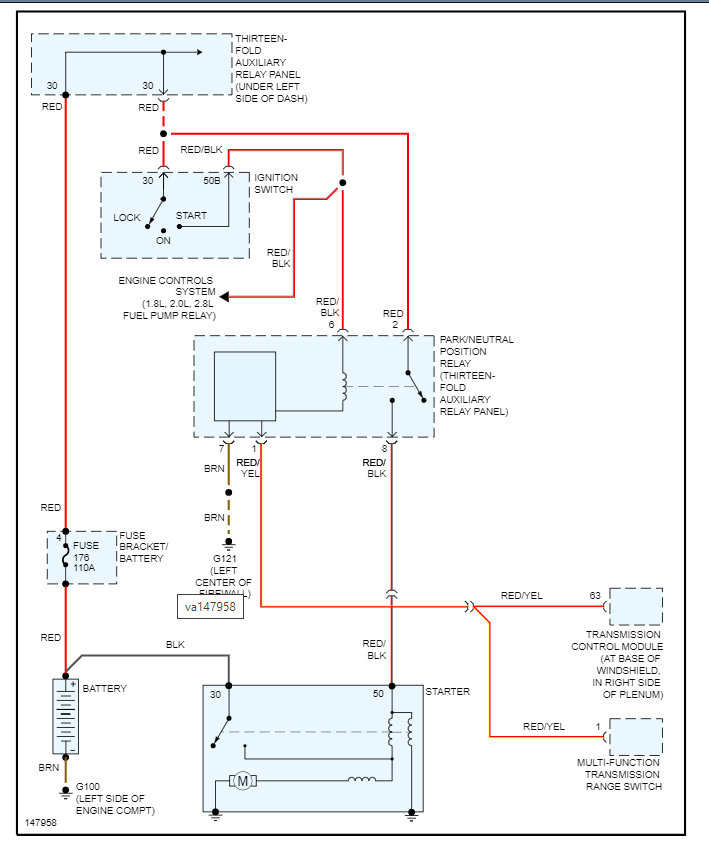
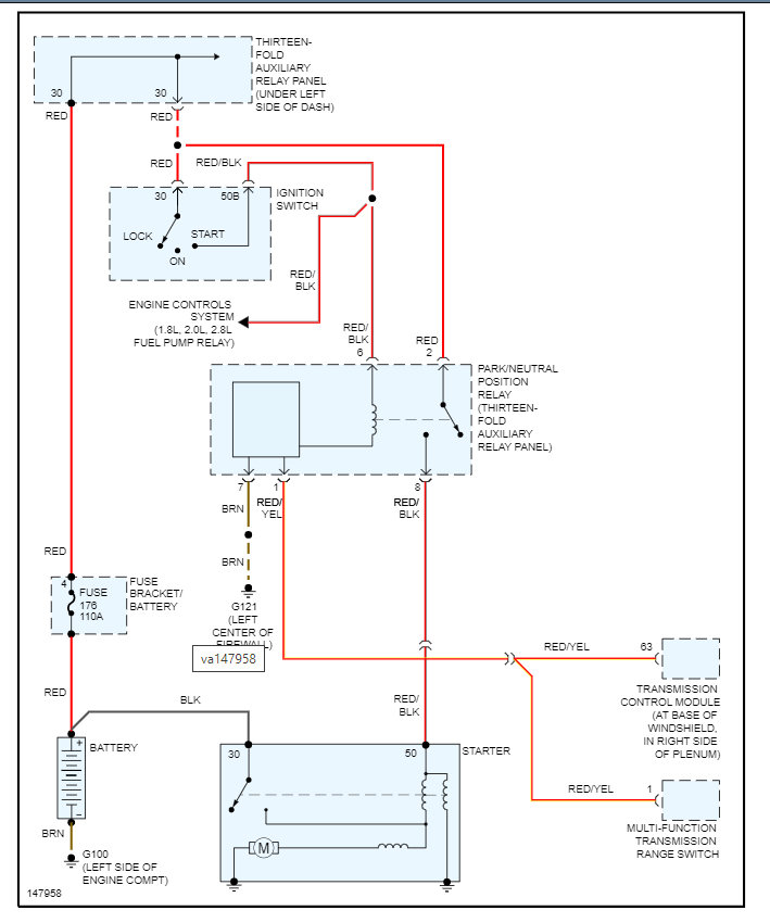
Let's check power at the starter and find out if we are even getting 12 volts to it when cranking the engine. You have two wires and when cranking the engine, they will both have 12 volts.

https://www.2carpros.com/articles/how-to-check-wiring

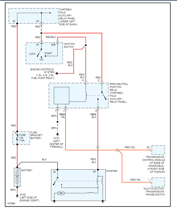
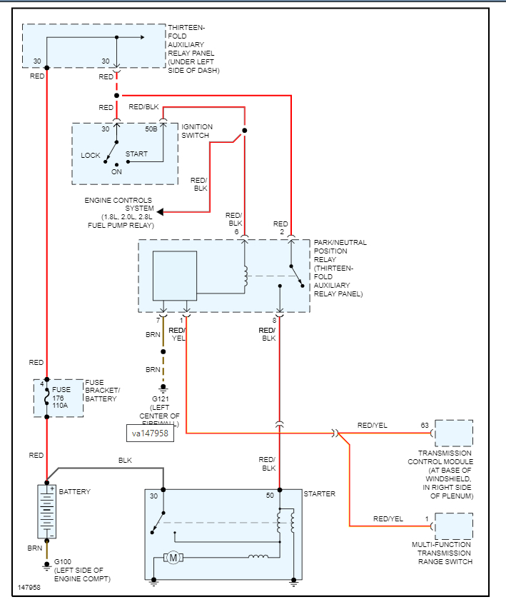
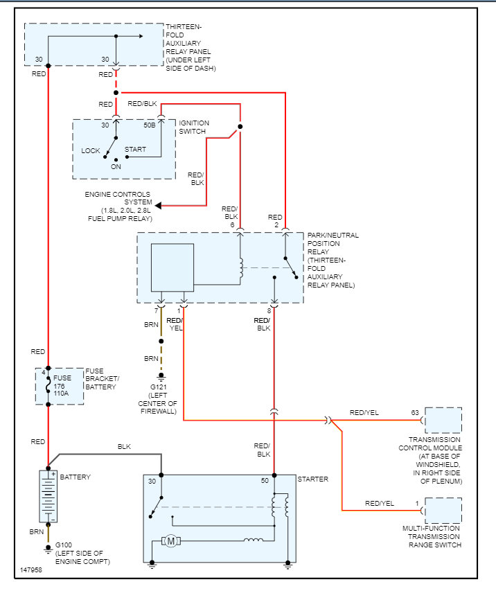
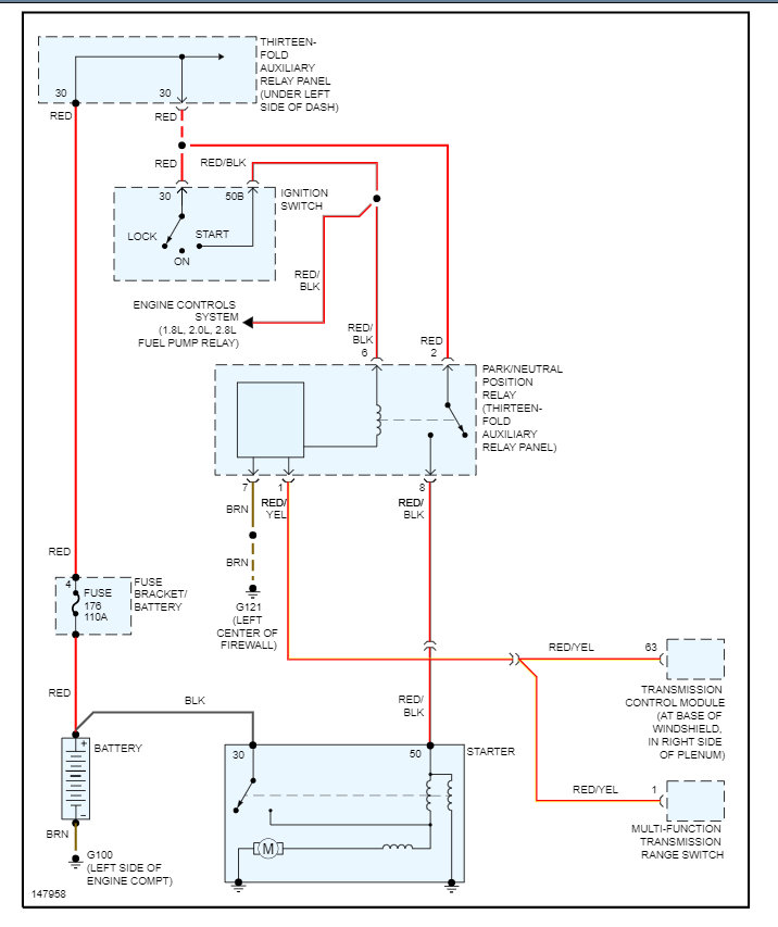
Take a look at the wiring diagram and let me know what you find.

Thanks
Was this
answer
helpful?
Yes
No
Friday, May 27th, 2022 AT 7:30 AM
Tiny
IMJUSTDARE
  • MEMBER
  • 6 POSTS
I can look into it, you think there could be a bad relay somewhere?
Was this
answer
helpful?
Yes
No
Friday, May 27th, 2022 AT 3:57 PM
Tiny
KASEKENNY
  • MECHANIC
  • 18,907 POSTS
Yes. It could be the park neutral relay, so we need to find out what voltage is there and then trace it back.

Take a look at the wiring diagram and if you have no voltage on the trigger wire then jump the relay and see if the starter turns.
Was this
answer
helpful?
Yes
No
Friday, May 27th, 2022 AT 4:08 PM

Please login or register to post a reply.