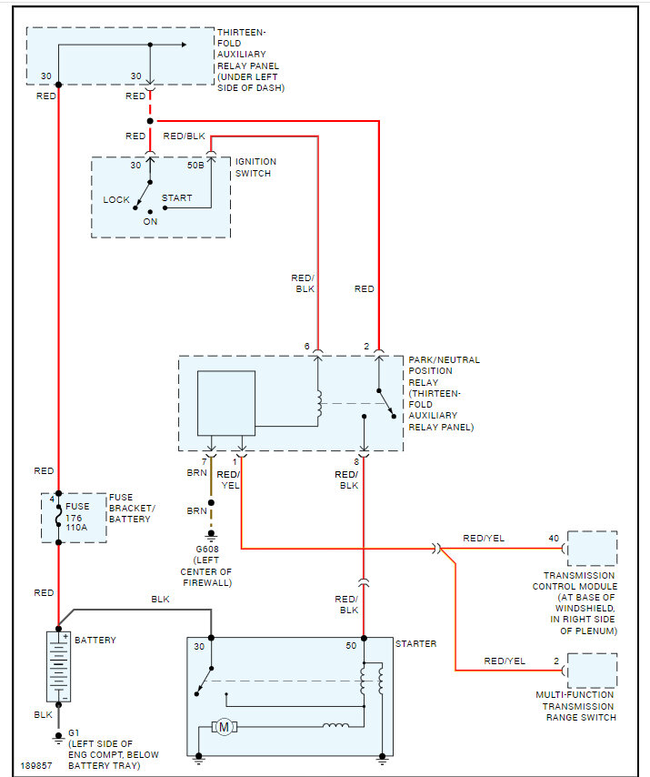
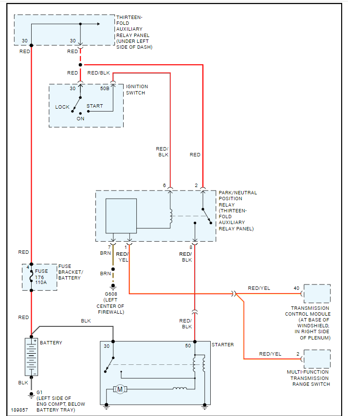
By turning the key, putting my foot on the brake, and putting the shifter into neutral, and then pulling up on the lever I have been able to start the car.
Does this sound like something you have encountered in other Golfs.
Is their a switch or relay in the shifter that is failing?
I thought I would ask for your advice before I starting taking more things apart.
Any info would be appreciated.
Tuesday, February 3rd, 2015 AT 4:40 PM




