Friday, December 2nd, 2022 AT 1:52 PM
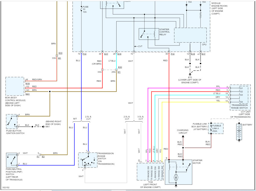
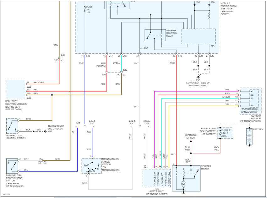
Hey there. So, my father and I replaced the connectors to the ignition coils after doing so we got a no crank no start. We then waited till the next day and looked at our wiring and fixed all the wires using a diagram and all. We still get no crank no start. We have now replaced all the ignition coils and replaced the 15-amp engine control fuse. Still no crank. We looked at the dash and we saw a light on. It's a little red car with a key in the window. Other than that we can't figure out what's going on.





