Hello -
First, I am sorry to hear your father passed away.
If you need to get back with me I, to better assist you please let me know if your model is a LS or LT. Also, I only show your model having a 6 cylinder engine not 4.
As for the repair of replacing the engine cooling fan motors that does seem excessively high to me. Based off my estimation about double. I have attached my estimate.
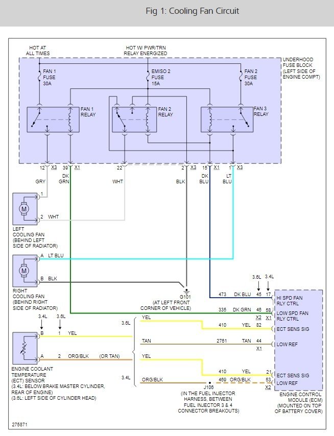
As for the fans, no they don't take the engine apart - they just remove the cooling fan shroud that is by the radiator. I have attached a pic of what the fans look like.
For the engine light, if you would like guidance on that then please go to Auto Zone (AZ) or O'Reilly's (OR) and for FREE they can pull the codes to the car. Most important: Once they check your codes, if they find something and you don't get it fixed and need to get back with us, please make sure you tell us exactly what the code was, number and all. Example, if the code was E0568 O2 Sensor bad. Then make sure you give us all of that. While there for FREE also they can bring their tester out and check your battery and alternator.
It doesn't seem like you will be doing these repairs yourself so my suggestion is to ask around and find a couple of good reputable mechanic shops. Not all things need to go to the dealer. I would check with my local church to see if they have mechanics in the congregation that own or work on vehicles.
You might consider getting a warranty for your vehicle if you are unsure about doing these types of things. Again, I would definitely check and find a local mechanic and you can even check with the Better Business Bureau for recommendations.
Again, I am sorry to hear of your father. He seems like he was a great father to take care of these things for you. I am sure he would be proud you are attempting these things on your own now. With automotive just do like you are doing. Ask advice and check around. Make sure you do the normal maintenance on your vehicle, oil changes etc and plan ahead by getting several good mechanics lined up for times like these.
Of course we are always here to assist as we can.


Tuesday, April 20th, 2021 AT 1:51 PM
(Merged)