No clicking sound from A/C

Tiny
MARK87
  • MEMBER
  • 2006 HONDA CIVIC
  • 1.8L
  • 4 CYL
  • 2WD
  • MANUAL
  • 80,000 MILES
All of a sudden then A/C doesn't work, usually there would be that clicking sound when I put the A/C on. Now there is no click sound and the A/C is not coming on, but the blower is working.

I need an assistance as where to start off my troubleshooting, is there relay or fuses to be check?
Sunday, January 31st, 2021 AT 11:55 PM

3 Replies

Tiny
KASEKENNY
  • MECHANIC
  • 18,907 POSTS
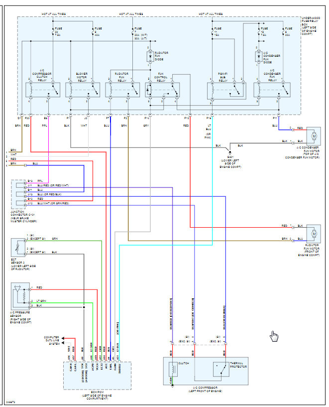
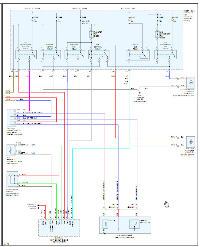
This could be a couple things from the compressor clutch has failed or the relay, or there is an issue with the thermal switch in the compressor.

Here are a couple guides that will help with this:

https://www.2carpros.com/articles/car-air-conditioner-not-working-or-is-weak

Basically, we need to find out if the compressor is getting power when the switch is on. If it is then the relay, wiring and fuse are fine.

https://www.2carpros.com/articles/how-to-check-an-electrical-relay-and-wiring-control-circuit

If not then we need to go to the relay and jump power to terminal 2 from 3 and see if the compressor comes on. If it does then the relay is most likely the issue.

Let's run through this material and we can go from there. Thanks
Was this
answer
helpful?
Yes
No
Monday, February 1st, 2021 AT 7:18 PM
Tiny
MARK87
  • MEMBER
  • 61 POSTS
While doing a bit of troubleshooting, I found that there is no gas in the system, seems to be a leak on one of the pressure hoses, maybe need to change or re grimp, the compressor is all cover in black colour dust.
I think that is the issue, troubleshooting still in progress though.

From what I understand if there is no gas in the system compressor will not work.
Was this
answer
helpful?
Yes
No
Friday, February 5th, 2021 AT 6:13 AM
Tiny
KASEKENNY
  • MECHANIC
  • 18,907 POSTS
Yep. That is great. That was the next step once we checked for power because you would have found no power there so that means it is not getting turned on. That is normally caused by low or no charge of freon in the system. You jumped right to it so that is great. Let us know where you find the leak. Thanks
Was this
answer
helpful?
Yes
No
Friday, February 5th, 2021 AT 5:55 PM

Please login or register to post a reply.