A/C does not turn on?

Tiny
AKASMOKEY
  • MEMBER
  • 2002 HYUNDAI ACCENT
  • 1.6L
  • 4 CYL
  • 2WD
  • AUTOMATIC
  • 69,000 MILES
The light isn't coming on when you push the AC button, and the compressor isn't working.
Saturday, May 20th, 2023 AT 2:19 PM

1 Reply

Tiny
JACOBANDNICKOLAS
  • MECHANIC
  • 110,194 POSTS
Hi,

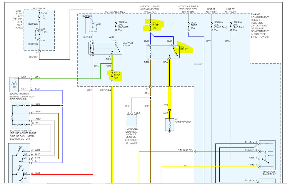
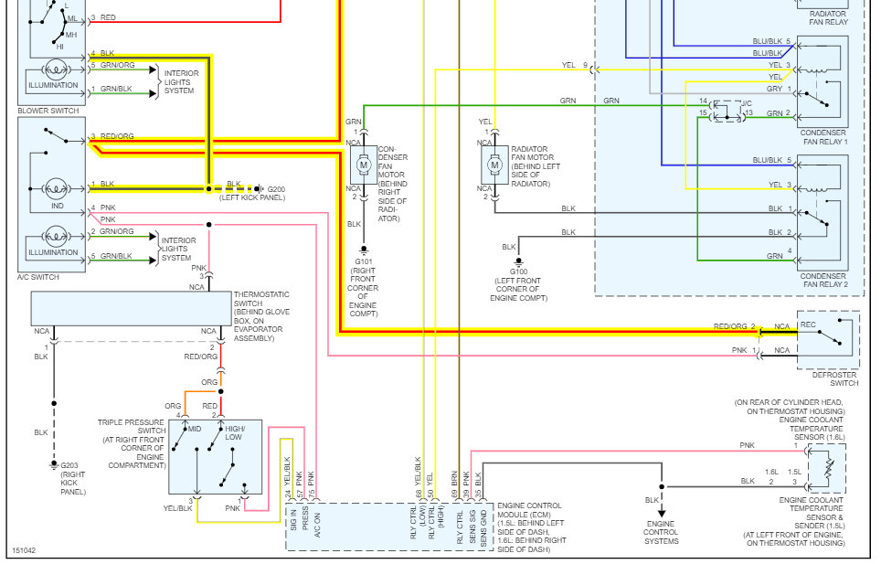
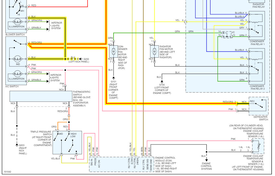
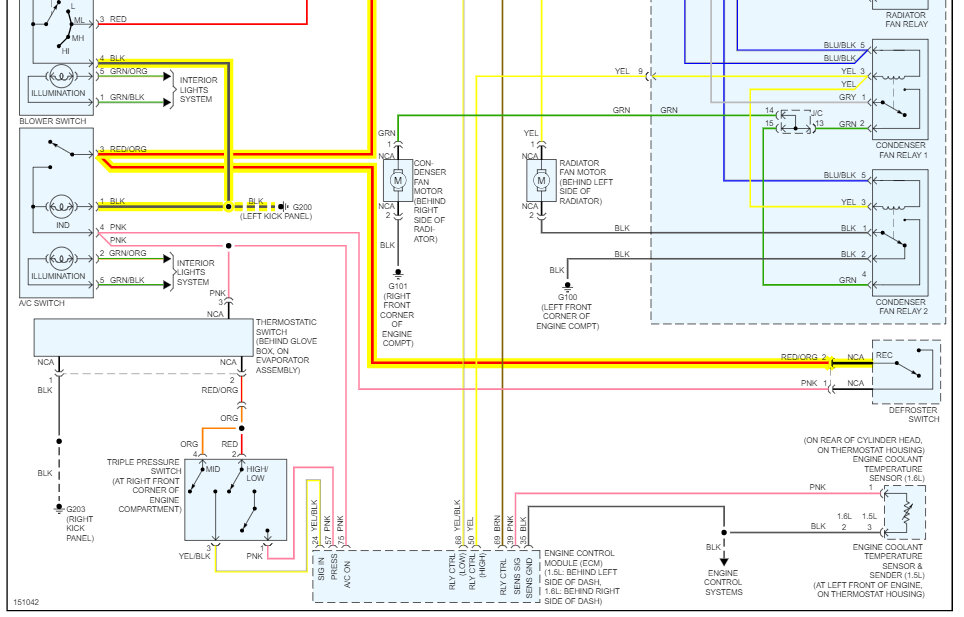
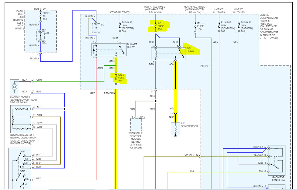
This could be the result of a few different things. I attached the wiring schematic for the circuit below so that you have a reference.

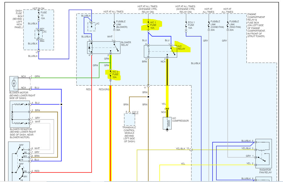
First, make sure there is power to and from the relevant fuses. I highlighted them in pic 1. If they are good, switch the relays with different ones in the box having the same part numbers. If there aren't any that are the same, here are links that explain how to test a relay and fuses:

https://www.2carpros.com/articles/how-to-check-an-electrical-relay-and-wiring-control-circuit

https://www.2carpros.com/articles/how-to-check-a-car-fuse

If all checks good, take a look at this link to see if anything helps:

https://www.2carpros.com/articles/car-air-conditioner-not-working-or-is-weak

In most cases, if there is power to the system and it doesn't work, it is caused by low refrigerant in the system.

Here is a link that explains how to add freon to the system:

https://www.2carpros.com/articles/air-conditioner-how-to-add-freon

Let me know what you find or if you have questions.

Take care,

joe

See pics below. Note: Pic 3 is the under-hood fuse box. I highlighted the relays and fuses to check.

Was this
answer
helpful?
Yes
No
Saturday, May 20th, 2023 AT 11:38 PM

Please login or register to post a reply.