Engine cranks but does not start

Tiny
CHRISTA DICKSON
  • MEMBER
  • 2004 VOLKSWAGEN JETTA
  • 2.0L
  • 4 CYL
  • AUTOMATIC
  • 160,000 MILES
I have taken the battery, starter, and alternator, all three of those tested good. Replaced the crankshaft sensor and fuel pump assembly and fuel filter have all been changed. I hear the fuel pump running so pretty sure it's doing its job and have of course checked fuses and relays. I don't know much about Volkswagen, this is the first one I have ever owned and not really sure where to go from here.
Friday, March 25th, 2022 AT 11:11 AM

26 Replies

Tiny
JACOBANDNICKOLAS
  • MECHANIC
  • 110,194 POSTS
Christa,

There are four things needed for the engine to run, fuel, ignition spark, compression, and correct ignition timing.

In most cases, either fuel or ignition spark is likely missing. You hear the fuel pump, but it may not be producing what is needed. If the engine sounds normal when cranking, try this. See if it starts for a couple of seconds using starting fluid and then stalls. If it does, then we know it is a fuel-related issue. If there is no change, I need you to check for ignition spark to the plugs. Here is a link that explains how that is done:

https://www.2carpros.com/articles/how-to-test-an-ignition-system

Try this first and let me know the results. Also, if you can record the engine cranking and upload it for me to hear, it may be helpful. I can usually tell if it is a timing issue or low compression.

Take care and I'll watch for your reply.

Joe
Was this
answer
helpful?
Yes
No
Friday, March 25th, 2022 AT 3:20 PM
Tiny
CHRISTA DICKSON
  • MEMBER
  • 148 POSTS
Okay. So, sorry for the late reply. I accidentally messed up the crank sensor harness and had to replace that. I'm not having a no crank issue as well, I turn the key and nothing. I jumped the ignition wire off of the starter to battery positive and it cranks fine. But with it connected it will not. Do anything I did check with starter fluid and it started for a couple seconds so it's got to be fuel related, I guess. Any further advice would be appreciated. Also, by chance I was trying to figure out where the opposite end of the crankshaft position sensor is. It goes into a big bundle and way up into the engine I have it crimped and taped up well hoping that will be okay.
Was this
answer
helpful?
Yes
No
-1
Monday, March 28th, 2022 AT 4:27 AM
Tiny
JACOBANDNICKOLAS
  • MECHANIC
  • 110,194 POSTS
Hi,

You indicated, "I'm not having a no crank issue as well, I turn the key and nothing. I jumped the ignition wire off of the starter to battery positive and it cranks fine. But with it connected it will not." When you say you're not having a no crank issue, does the starter engage or do you mean it does nothing at all?

As far as the crankshaft position sensor, I believe on this one it is behind the timing belt. However, if it started with starting fluid, the sensor should be fine.

So, we need to confirm what the fuel pressure is. To me, it sounds either weak or not working at all.

However, before we jump to testing pressure, I would like to check fuses and relays. However, I need to know the engine code. There are four different codes related to 2.0L. See pic 1 below. Each code provides me with a different wiring schematic, so I need to have the correct one.

To locate the code, you can check for a metal tab at the front of the cylinder head or a sticker on the timing cover. If they are not available, see pic 2 to locate it on the rear of the engine.

Let me know which one it is.

Take care,

Joe

See pics below.
Was this
answer
helpful?
Yes
No
Monday, March 28th, 2022 AT 5:51 PM
Tiny
CHRISTA DICKSON
  • MEMBER
  • 148 POSTS
Sorry for late reply it's the bbw engine and I'm sorry that was a typo did not make much sense I meant it started as a crank no start but now it is no crank no start, meaning when I turn the key I do hear and feel a click from a relay (not positive it's the right one), but that is all that happens when I turn the key. Besides that, nothing happens at all. I took the one ignition wire off of the starter and connected it briefly to battery positive and it will crank the engine that way but I'm not even positive what exactly that means could it still be the solenoid? Or what? However, when I plug it back into the starter how it is supposed to be and I turned the key to start I get nothing, no cranking.
Was this
answer
helpful?
Yes
No
Wednesday, March 30th, 2022 AT 7:33 AM
Tiny
CHRISTA DICKSON
  • MEMBER
  • 148 POSTS
Oh, and I know the cam sensor is behind the timing cover but I did the crank it behind oil filter on that car kind of hard to get to. I did push in on Shrader valve off of the fuel line and got a decently strong stream out of it if that helps at all but then again i'm not a gauge, lol.
Was this
answer
helpful?
Yes
No
Wednesday, March 30th, 2022 AT 7:36 AM
Tiny
JACOBANDNICKOLAS
  • MECHANIC
  • 110,194 POSTS
Hi Christa,

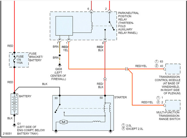
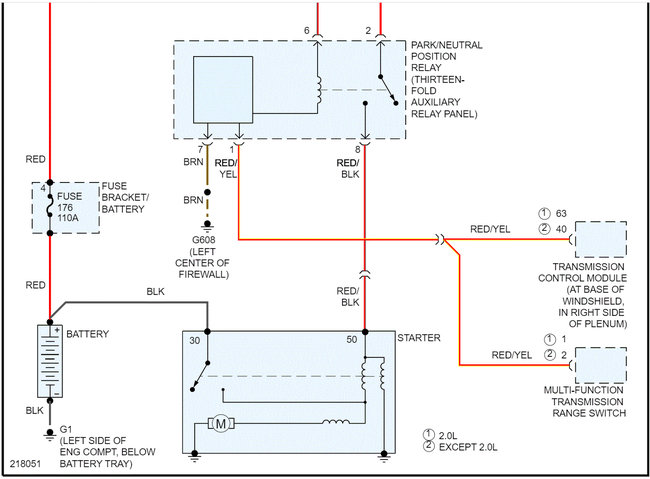
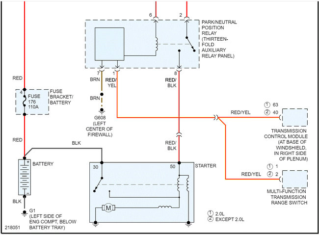
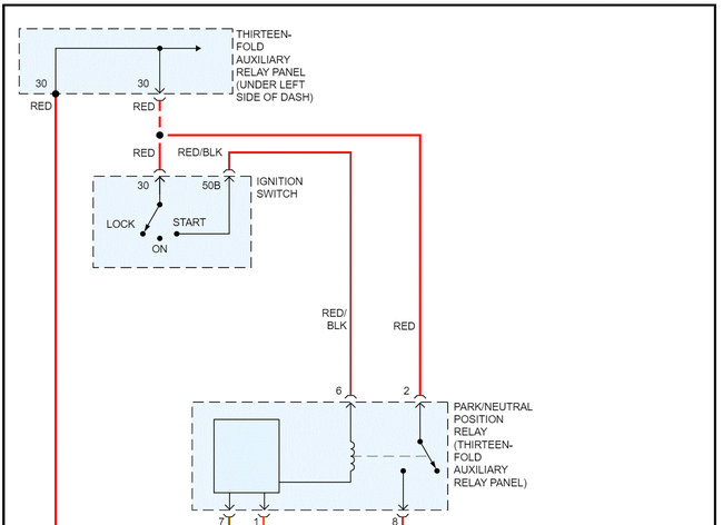
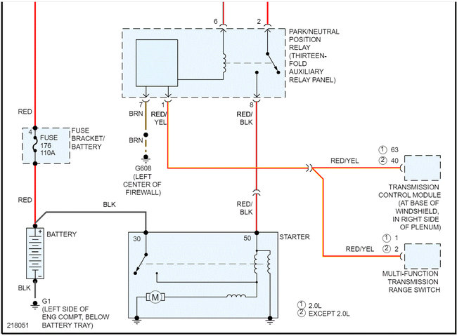
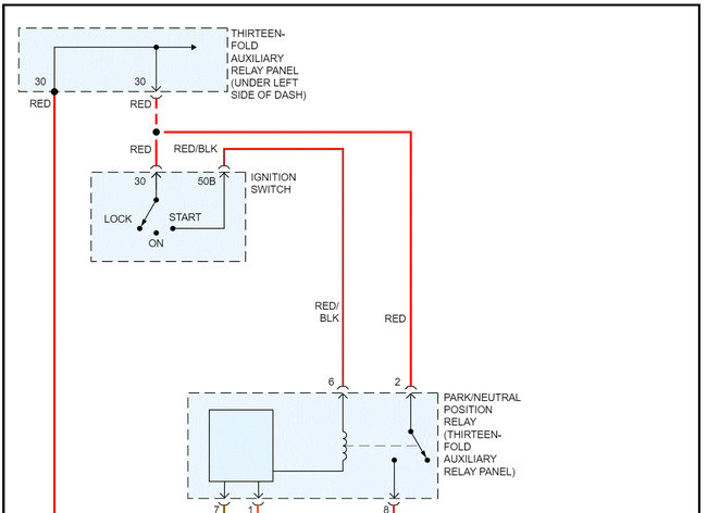
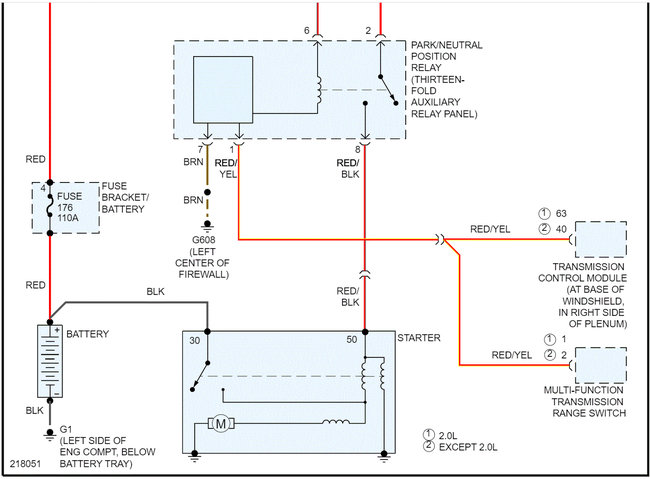
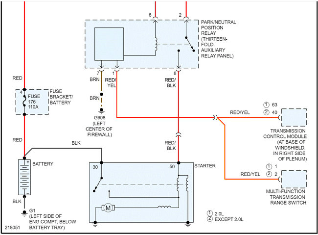
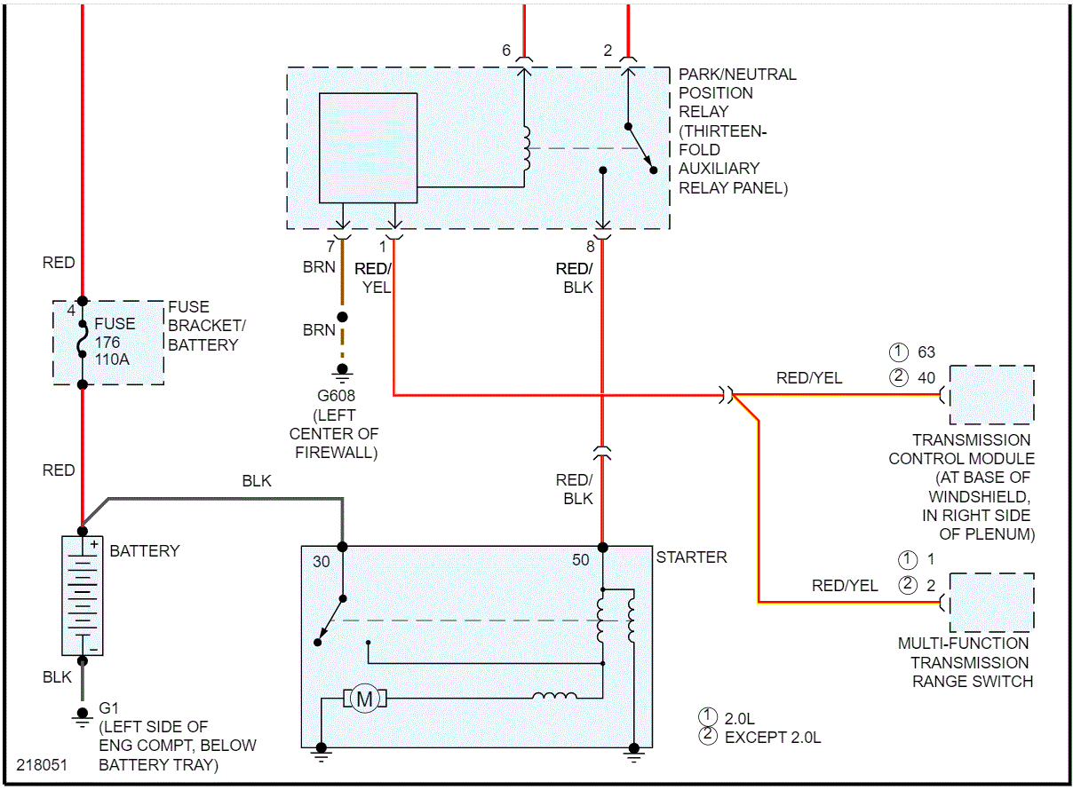
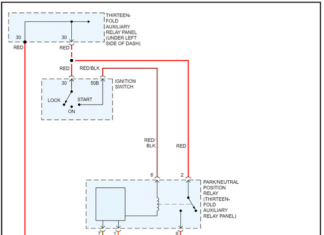
If it isn't cranking, we need to focus on that first before we move ahead. I attached the starting system wiring schematic below, so you have a reference.

First, see if it will start in neutral. If it doesn't, we need to check if there is power at the starter.

If you note in the pic, there is a black wire to the starter that has 12v at all times. The red wire with a black tracer should only get power when the key is in the start position. Get a helper to turn the key for you and confirm if there is power or not on the red/black wire.

Here is a link you may find helpful:

https://www.2carpros.com/articles/starter-not-working-repair

Let me know what you find.

Joe

See pics below.
Was this
answer
helpful?
Yes
No
Wednesday, March 30th, 2022 AT 7:42 PM
Tiny
CHRISTA DICKSON
  • MEMBER
  • 148 POSTS
Okay, neutral didn't help, it is getting power. Something is draining the battery fast though like I'm sitting there watching the volts drop and it's drained within a few minutes. Which is strange since battery alternator and start all tested good at Orielly's, it really makes it harder to diagnose when I keep having to put cables on it. I did how ever get a better scanner and two codes popped up which I'm pretty sure is related just not sure what to fix or how to go about testing. The codes I got this morning were p0705 transmission range sensor A circuit (PRNDL input) I also got one for circuit B but forgot to get a pic. It said the same thing just B circuit. It also said A was a pending code and B was current for some reason. Pretty sure it's related but if you could explain how or what I need to replace, would greatly be appreciated. Thanks
Was this
answer
helpful?
Yes
No
Thursday, March 31st, 2022 AT 11:43 AM
Tiny
JACOBANDNICKOLAS
  • MECHANIC
  • 110,194 POSTS
Hi,

I really don't like the voltage draining that fast. Is there anything as far as wiring near or around the battery that looks damaged?

As far as the code is concerned, it is related to the transmission range sensor. When I asked if it started in neutral, that is what I was trying to determine. If there was a problem with that sensor.

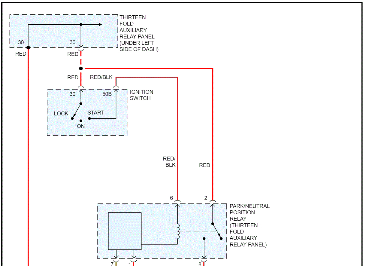
If you look at the pic below, I included a pic showing the sensor location and the sensor.

Start there and check to see if anything is shorten or damaged.

Next, if you are drawing that much power that quickly, something is getting hot. Pay really close attention to this, heat. When the battery is connected, feel the battery cables, open the fuse box and feel the fuses and relays, and note if any are hot.

Let me know what you find. Also, please be careful at this point. This heavy of a battery draw can lead to a circuit overheating and causing a fire.

If you are finished for the day and haven't found the cause, disconnect the battery.

Let me know.

Joe
Was this
answer
helpful?
Yes
No
Thursday, March 31st, 2022 AT 2:13 PM
Tiny
CHRISTA DICKSON
  • MEMBER
  • 148 POSTS
Does not make difference in neutral and no I'm not seeing any damage. And will be disconnecting battery every time not in use so is it going to be that sensor that I need to replace?
Was this
answer
helpful?
Yes
No
Thursday, March 31st, 2022 AT 5:06 PM
Tiny
JACOBANDNICKOLAS
  • MECHANIC
  • 110,194 POSTS
Christa,

I would like to say yes, but in most cases, the code provides a starting point. Here is what I suggest. Take a look through the diagnostics below. (Pics 1-4) Is this something you feel comfortable doing? Also, the remaining pics explain how to both remove and replace the range sensor and how to adjust it. See if the adjustment is the issue.

Again, when you have the battery attached, check for electrical wires, relays, fuses, and modules to see if any are hot.

Let me know.

Joe
Was this
answer
helpful?
Yes
No
Thursday, March 31st, 2022 AT 5:58 PM
Tiny
CHRISTA DICKSON
  • MEMBER
  • 148 POSTS
Okay, I will hook up multimeter and update a little later on. Only this is I definitely don't have that tool but yes, I'm sure if I needed to I can switch it out. That would/could definitely be the cause of problem, right? I mean it makes sense to me but have never had to change one or delt with one going out.
Was this
answer
helpful?
Yes
No
Friday, April 1st, 2022 AT 6:57 AM
Tiny
CHRISTA DICKSON
  • MEMBER
  • 148 POSTS
Oh, and I felt the fuses relays and cables and didn't feel anything getting hot but will keep it on mind and keep checking until I figure it out will leave unplugged.
Was this
answer
helpful?
Yes
No
Friday, April 1st, 2022 AT 6:58 AM
Tiny
JACOBANDNICKOLAS
  • MECHANIC
  • 110,194 POSTS
Christa,

It makes sense that the sensor could be bad, but please understand, I can't guarantee it. As far as the battery goes, how long does it take to go from fully charged and drained?

Let me know.

Joe
Was this
answer
helpful?
Yes
No
Friday, April 1st, 2022 AT 1:34 PM
Tiny
CHRISTA DICKSON
  • MEMBER
  • 148 POSTS
If I'm trying to crank it when it was cranking maybe 15/20 of cranking seems to last little longer because it not trying to crank maybe 30 before it seems like lights are starting to dim or obd will cut off. I checked with multimeter nothing seemed out of those specs, so I guess getting that sensor will be next step.
Was this
answer
helpful?
Yes
No
Sunday, April 3rd, 2022 AT 3:09 PM
Tiny
JACOBANDNICKOLAS
  • MECHANIC
  • 110,194 POSTS
Christa,

When you say 15/20, are you referring to seconds before the battery fails? If that is the case, please make sure to disconnect the battery when you finish for the night.

As far as the sensor is concerned, if the testing indicates all is good, then the sensor must be bad. I attached the directions below for the removal and installation of the transmission range switch. Let me know if you have any questions.

Also, don't be upset with me, but I am very concerned about the battery failing that quickly. Are you certain there was nothing getting hot? Did anything have a hot smell to it?

Let me know.

Joe

See pics below.
Was this
answer
helpful?
Yes
No
Sunday, April 3rd, 2022 AT 6:55 PM
Tiny
CHRISTA DICKSON
  • MEMBER
  • 148 POSTS
Thanks for your concern and no, not seconds I meant minutes. I have and will continue disconnecting the battery whenever I'm not working on it. No, I did not feel anything hot. I will check again when replacing the switch and haven't smelled anything burning up to this point. I have to get some money together but will be getting the switch and tool to replace it ASAP and I will let you know what happens. Thanks
Was this
answer
helpful?
Yes
No
Monday, April 4th, 2022 AT 10:05 PM
Tiny
CHRISTA DICKSON
  • MEMBER
  • 148 POSTS
Okay, now I'm confused, am I going to need that t10091 tool or not?
Was this
answer
helpful?
Yes
No
Tuesday, April 5th, 2022 AT 1:21 AM
Tiny
JACOBANDNICKOLAS
  • MECHANIC
  • 110,194 POSTS
Christa,

That is just a torque wrench, and really nothing special. VW loves to show everything needed and then give them a part number. I swear they do it on purpose. LOL

If you don't have one, a parts store will lend one to you. Or we can just make sure all the bolts are tight.

Let me know if you have other questions, and don't worry. We'll get through this.

Take care,

Joe
Was this
answer
helpful?
Yes
No
Tuesday, April 5th, 2022 AT 5:32 PM
Tiny
CHRISTA DICKSON
  • MEMBER
  • 148 POSTS
Okay, so, got the switch fixed it franking fine now. Replaced bad battery so constantly draining is resolved it is definitely fuel related because with starter fluid it starts for a second then shuts off, but I have quadruple checked work and pretty sure it's in correctly. There is this small white plastic canaster inside the tank to the right I noticed popped apart i'd like to know what this is if you know. I put it back and it seemed to snap into place fine. What else could be causing this?
Was this
answer
helpful?
Yes
No
Saturday, April 16th, 2022 AT 5:13 PM
Tiny
CHRISTA DICKSON
  • MEMBER
  • 148 POSTS
Also, if I could get a specific good relay diagram that would be great so many conflicting ones online.
Was this
answer
helpful?
Yes
No
Saturday, April 16th, 2022 AT 5:16 PM

Please login or register to post a reply.