Engine cranks but does not start

Tiny
JACOBANDNICKOLAS
  • MECHANIC
  • 110,194 POSTS
Hi,

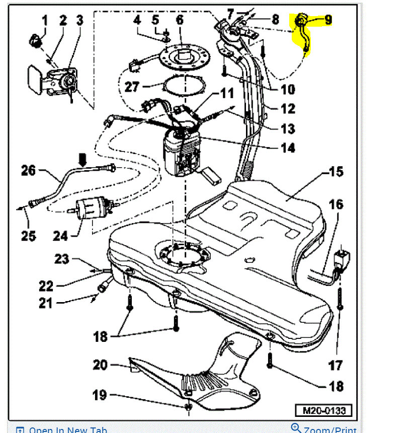
I believe that is a non-return valve, but it is difficult for me to orient myself with the pic. Take a look below, I attached an exploded view of things. Can you tell if the highlighted part is what you are referring to?

Also, I attached info on the relay panel. See pics 2 and 3. Let me know if that is what you needed.

Take care of yourself and I hope you have a great Easter.

Joe

See pics below.
Was this
answer
helpful?
Yes
No
Saturday, April 16th, 2022 AT 6:57 PM
Tiny
CHRISTA DICKSON
  • MEMBER
  • 148 POSTS
Yes, yes great. I think that is what it is. I think I snapped it back together correctly, but any ideas of what else would cause this besides pump or filter? I guess injectors but wouldn't that throw a code? Or not? I'm not really sure where to go from here but I really need to get it running because it's now my only vehicle. What would be your next move here? And thanks, hope you have a great Easter too.
Was this
answer
helpful?
Yes
No
Saturday, April 16th, 2022 AT 7:15 PM
Tiny
JACOBANDNICKOLAS
  • MECHANIC
  • 110,194 POSTS
Hi,

It could be an injector issue, but the pump is the most common. Is the pump now operating properly? If it is, see if that took care of the issue. If it doesn't, we will start checking for issues with the injectors.

Take care and I look forward to hearing from you.

Joe
Was this
answer
helpful?
Yes
No
Saturday, April 16th, 2022 AT 7:28 PM
Tiny
CHRISTA DICKSON
  • MEMBER
  • 148 POSTS
Yes, the fuel pump seems to be working fine. I forgot to mention yesterday before getting the new battery I put scanner on and 10 pending codes popped up! I unplugged battery, ended up having to replace it and when I looked again they were gone I don't know if that relevant but the pending codes I got were p0264, p0445, p0261, p0270, p0267 ( I think injector codes) p2401, p0043, p0037, p2257 and p0230, but I have since replaced battery and pump out and there not coming up anymore but seems like something wigged out pretty bad. I only had this car a few weeks before it started giving me these problems as far as first few weeks went I knew when I bought it had an exhaust leak so ran a little loud for sure I was able to locate a tear between the engine and cat in the metal "braided" area. At this point in regretting buying it. First VW ever, not off to good start.
Was this
answer
helpful?
Yes
No
Saturday, April 16th, 2022 AT 10:58 PM
Tiny
CHRISTA DICKSON
  • MEMBER
  • 148 POSTS
Here's video.
Was this
answer
helpful?
Yes
No
Sunday, April 17th, 2022 AT 5:34 PM
Tiny
JACOBANDNICKOLAS
  • MECHANIC
  • 110,194 POSTS
Christa,

The codes are gone because the battery was disconnected. Interestingly, many of them are related to low voltage, which may or may not have to deal with the battery. Also, four of the codes are directed to the fuel injectors (low voltage).

Tell me, is there anything different since the battery and pump were replaced? Does it give any indication of trying to start?

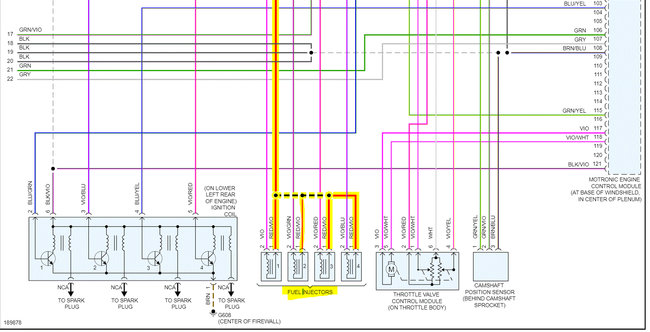
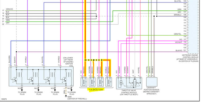
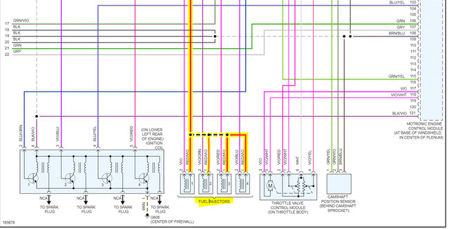
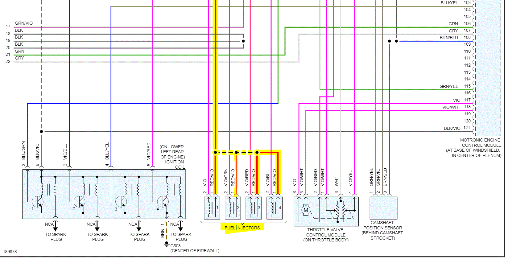
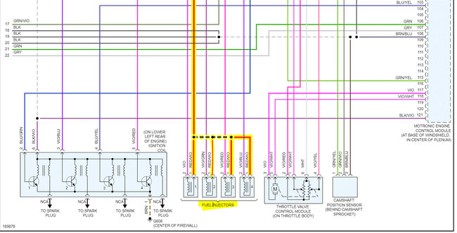
Let me know. Also, I need you to check for power to the injectors. At each fuel injector, there will be two wires. Each injector will have a wire that is red with a violet stripe. The second wire at each injector will be a different color.

The red/violet wire gets 12v from fuse 32 in the fuse panel when the key is in the start or run position. The wires which are different colors are the grounds for each. A ground path is provided via the PCM at a specific time and for a specific amount of time. At that point, the injector allows fuel to enter the engine.

So, I need you to get out the multimeter and check to see if the red/violet wires have power at each injector. Do this with the key in the run position. If there is nothing, check fuse 32 in the fuse panel and also make sure the fuse has power.

Let me know what you find. Also, if you could record the engine cranking in the video, it may be helpful for me. I attached a pic below that you can use as a reference.

Take care,

Joe

See pic below.
Was this
answer
helpful?
Yes
No
Sunday, April 17th, 2022 AT 8:39 PM

Please login or register to post a reply.