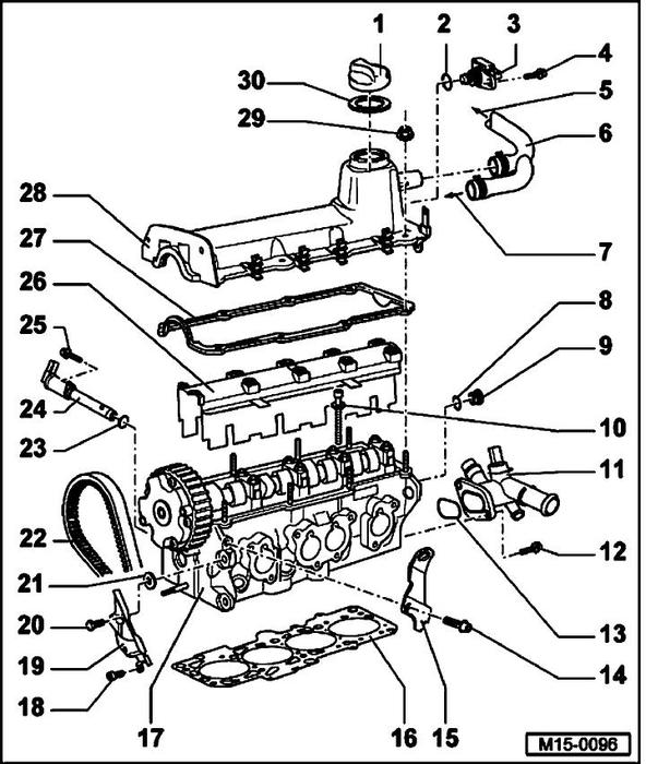
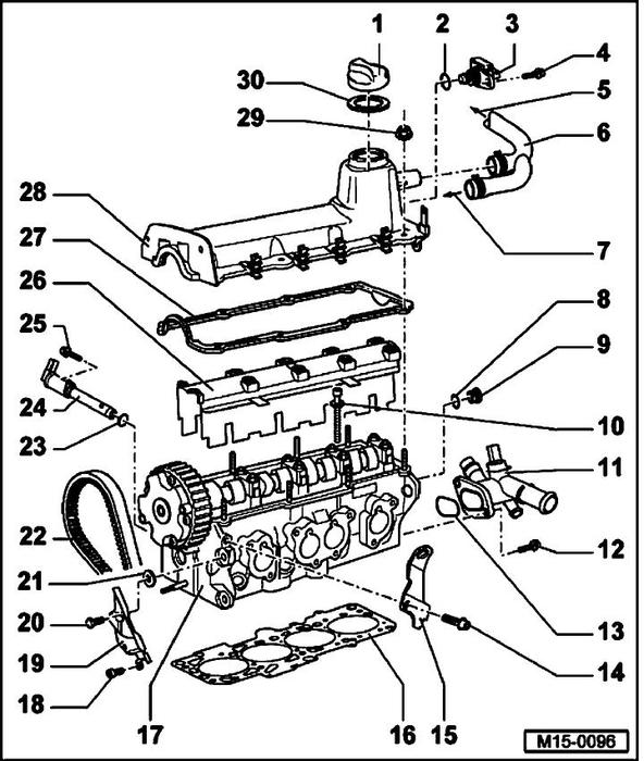
Furthermore, I went ahead and purchased the sensor from O'Riely Auto Parts (closest thing to an Autozone or Pepboys in Hawaii). But the part looks nothing like the one on the car. Mechanic told me the sensor needed is one typically used on an Audi. The part number needed is 06A 907 601.
I have spent $1500 taking the car from dealer to dealer and noone knows what to do. I have put a new computer in it, a new crankshaft sensor just in case and nothing works and now I cant find the correct camshaft position sensor. This car makes me want to pull my hair out!
Any thoughts, ideas, or places I could find the new sensor would be greatly appreciated thank you!
Sunday, March 10th, 2013 AT 11:19 PM

