Engine not cranking over?

Tiny
SAMPSON7
  • MEMBER
  • 3 POSTS
After reading your suggestion, The solenoid was double checked today and it is on the right post.

The starter doesnt have a relay.

There is No Alarm installed, and there is NO remote starter.

Thank you for the suggestion, anything else you think it could be?
Was this
answer
helpful?
Yes
No
Monday, March 8th, 2021 AT 5:51 PM (Merged)
Tiny
2CARPRO JACK
  • MECHANIC
  • 11,533 POSTS
If it didnt do it before the starter replacement, the starter is the logical place to begin.
Was this
answer
helpful?
Yes
No
Monday, March 8th, 2021 AT 5:51 PM (Merged)
Tiny
SAMPSON7
  • MEMBER
  • 3 POSTS
After going over everything, the solenoid was again taken out and replaced with another new solenoid and it works perfect, what I am guessing is that the first solenoid was a bad part that was bought new! I guess this can happen! Thanks alot for your time!
Was this
answer
helpful?
Yes
No
Monday, March 8th, 2021 AT 5:51 PM (Merged)
Tiny
2CARPRO JACK
  • MECHANIC
  • 11,533 POSTS
Glad to be of help. Sometimes cant see the forest for all the trees!
Was this
answer
helpful?
Yes
No
Monday, March 8th, 2021 AT 5:51 PM (Merged)
Tiny
FORD RANGER OWNER
  • MEMBER
  • 1 POST
  • 1987 FORD RANGER
  • 2.9L
  • V6
  • 4WD
  • AUTOMATIC
  • 145,000 MILES
When you turn the key nothing happens but all accessories work ( all lights and radio).

To start the truck you have to use a screwdriver and connect the two posts on the solenoid. But once you get it running it runs for about ten to fifteen seconds then shuts off.
Was this
answer
helpful?
Yes
No
Monday, March 8th, 2021 AT 5:52 PM (Merged)
Tiny
JACOBANDNICKOLAS
  • MECHANIC
  • 110,192 POSTS
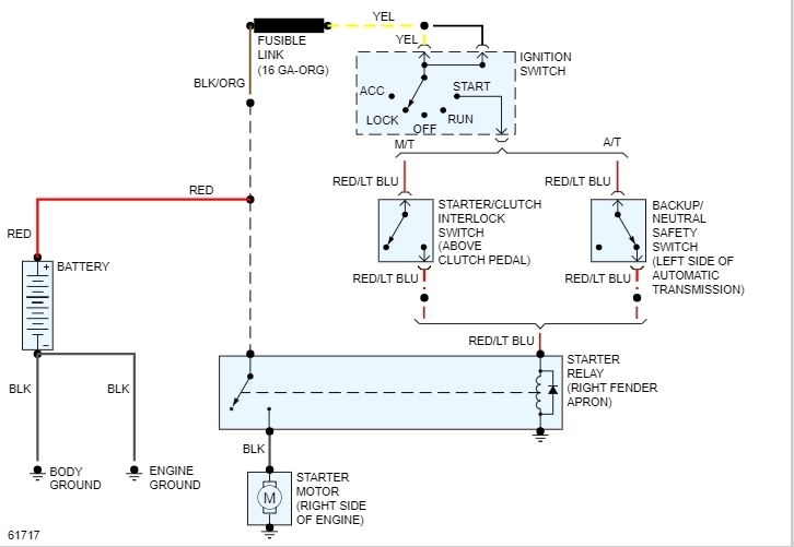
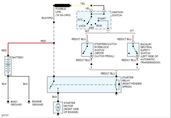
Hi and thanks for using 2CarPros.

I need you to check a couple things. First, the starter relay needs ground for the system to operate. Check the relay first. Switch it with a different relay with the same part number.
or check this link.
https://www.2carpros.com/articles/how-to-check-an-electrical-relay-and-wiring-control-circuit

Next, there could be a problem with the neutral safety switch. See if the starter will engage if you put the shifter in neutral. Also, if it does not, put it in park, parking brake on, and slid under the truck to see if the switch is disconnected or damaged. The switch is on the left side of the transmission.

If all of that fails, I want you to try this test:

https://www.2carpros.com/articles/starter-not-working-repair

I attached a schematic of the starter system for you to review. Let me know what you find.

Joe
Was this
answer
helpful?
Yes
No
Monday, March 8th, 2021 AT 5:52 PM (Merged)
Tiny
DEVIN BRISKEY
  • MEMBER
  • 3 POSTS
I'm having a no crank no start as well. I hear a click when I attempt to start. Tried to jump at the fender mounted solenoid but I can't get an arc. Tested the battery and got 12.3 volts.

1995 Ranger 2.3l.
Starter and Battery are 6-8 months old.
Was this
answer
helpful?
Yes
No
Wednesday, March 31st, 2021 AT 3:22 AM
Tiny
DEVIN BRISKEY
  • MEMBER
  • 3 POSTS
Update. Only getting 4 volts to the solenoid from the battery. But the battery is reading 12.3 and no issues with it.
Was this
answer
helpful?
Yes
No
Wednesday, March 31st, 2021 AT 7:31 PM
Tiny
JACOBANDNICKOLAS
  • MECHANIC
  • 110,192 POSTS
If you are only getting 4v, and it starts out at the battery with 12.3v, you have a lot of resistance in the wire. If there is nothing loose or corroded, replace the wire.

Let me know if that takes care of the problem.

Joe
Was this
answer
helpful?
Yes
No
Friday, April 2nd, 2021 AT 8:32 PM
Tiny
DEVIN BRISKEY
  • MEMBER
  • 3 POSTS
Hey I appreciate the response. Just figured out the issue today. The ground was busted on the starter and causing the issue. Replaced it and good to go.
Was this
answer
helpful?
Yes
No
Friday, April 2nd, 2021 AT 9:52 PM
Tiny
KEN L
  • MASTER CERTIFIED MECHANIC
  • 55,150 POSTS
Nice work, we are here to help, please use 2CarPros anytime.
Was this
answer
helpful?
Yes
No
Saturday, April 3rd, 2021 AT 12:05 PM

Please login or register to post a reply.