Engine will not idle?

Tiny
TRAVISGILLETTE77
  • MEMBER
  • 1997 CHEVROLET SILVERADO
  • 5.7L
  • V8
  • 4WD
  • AUTOMATIC
  • 148,000 MILES
Okay, I pulled the engine out of my 1500 truck (listed above) and took it and bored it thirty over and put it back in. Now it starts right up but will not idle or stay idling. Do I have to or why do I need to re-flash the ECM or some. Because it is thirty over 350 does the thirty over change that?
Saturday, June 16th, 2018 AT 11:22 PM

30 Replies

Tiny
KEN L
  • MASTER CERTIFIED MECHANIC
  • 55,481 POSTS
The thirty over should not make a difference in anything. It sound like you have a vacuum leak at the intake manifold or throttle body are there any trouble codes? Here are two guides to get you back going again:

https://www.2carpros.com/articles/how-to-use-an-engine-vacuum-gauge

and

https://www.2carpros.com/articles/checking-a-service-engine-soon-or-check-engine-light-on-or-flashing

Please run down these guides and report back.

Cheers, Ken
Was this
answer
helpful?
Yes
No
Monday, June 18th, 2018 AT 11:55 AM
Tiny
GODMADECHEVYS
  • MEMBER
  • 2 POSTS
  • 1995 CHEVROLET SILVERADO
  • 5.7L
  • V8
  • 4WD
  • AUTOMATIC
  • 231,000 MILES
I recently replaced my driver door on my truck and the next day it tried to shut off twice. Then it shut off and then it was hard to start and then it did it again. Then it would not start and my blinkers will not work. The door I put on was from a 1996 Suburban.
Was this
answer
helpful?
Yes
No
Thursday, February 18th, 2021 AT 12:57 PM (Merged)
Tiny
JDL
  • MECHANIC
  • 16,098 POSTS
Make sure the battery has a full charge and connections all good. If it cranks good but will not start, have a helper crank it while you check for spark at the spark plugs. If spark everywhere, use a gauge and check proper fuel pressure. Also, check fuel injector pulse. Fuel--air--spark--compression, the proper amounts at the proper time and it should start and run.
I do not know what testing you have done?
There is a repair guides link at the top of page, a lot of information.
Was this
answer
helpful?
Yes
No
Thursday, February 18th, 2021 AT 12:57 PM (Merged)
Tiny
GODMADECHEVYS
  • MEMBER
  • 2 POSTS
Most off fuses wasn't working after testing and found short in ignition switch
Was this
answer
helpful?
Yes
No
Thursday, February 18th, 2021 AT 12:57 PM (Merged)
Tiny
JDL
  • MECHANIC
  • 16,098 POSTS
Good job. Glad you got it going your way.
Was this
answer
helpful?
Yes
No
-1
Thursday, February 18th, 2021 AT 12:57 PM (Merged)
Tiny
TEXANMP
  • MEMBER
  • 2 POSTS
  • 1995 CHEVROLET SILVERADO
  • V8
  • 4WD
  • AUTOMATIC
  • 120,000 MILES
The engine runs great in park. As soon as you transfer it over to drive or reverse it stalls out and misfires. Here is a list of replaced parts. Spark plugs and wires distributor cap headers intake manifold o2 sensor water pump oil pump fuel sending unit with fuel pump and fuel filter. New head gaskets fuel injectors. This truck runs fine until it is under a engine load. My last option that I could think of was the transmission vacuum module. Could it have a vacuum leak. The aftermarket intake is pulling in 10 times more air than it should. Injectors are spraying healthy. Any help would be appreciated.
Was this
answer
helpful?
Yes
No
Thursday, February 18th, 2021 AT 12:57 PM (Merged)
Tiny
KHLOW2008
  • MECHANIC
  • 41,814 POSTS
Hi texanmp,

When engine stalls/misfires under load, it should not be caused by the trans. I believe the problem you are facing is engine performance related.

Did the problem occur before the head gasket replacement?
What is the idling rpm?
Does the engine idling rpm drop/fuctuate with AC turned on/off.
Did you
1. Do a compression test?
2. Check the ignition timing?
3. Check valve timing?

The trans is controlled by the PCM and operated by solenoid switches so there are no vacumn lines to cause idling problem.
Was this
answer
helpful?
Yes
No
Thursday, February 18th, 2021 AT 12:57 PM (Merged)
Tiny
TEXANMP
  • MEMBER
  • 2 POSTS
The motor was running fine before. I did a compression test and all 8 were running between 120 and 140. The idling rpm is right at 800. The timing has been checked several times and it is dead on. I will have to get back to you about the a/c running and the valve compression test. If the head gaskets were not properly sealed would that cause this problem? What would be the proper way to diagnose this problem? Could I just start with the heads off and work from thier? This is definately a performance problem. Could this be related to a sensor gone bad or the computer just not registering the changes?
Was this
answer
helpful?
Yes
No
Thursday, February 18th, 2021 AT 12:57 PM (Merged)
Tiny
KHLOW2008
  • MECHANIC
  • 41,814 POSTS
Hi texanmp,

Start with the compression test first. I have seen where the EGR valve pulls on too early stalling the engine out.

Improper sealing of the head gasket would cause compression problem. Insufficient valve clearance would cause compression losses as well.

Are there any coolant losses problem? That would indicate gasket problem.

Before removal of head you should confirm the source of any malfunctions.

If any sensors are bad, the Check Engine Lamp would illuminate. Get a scan done to confirm this.

Here is a guide.

https://www.2carpros.com/articles/checking-a-service-engine-soon-or-check-engine-light-on-or-flashing

Please run down this guide and report back.
Was this
answer
helpful?
Yes
No
Thursday, February 18th, 2021 AT 12:57 PM (Merged)
Tiny
JULYBUG
  • MEMBER
  • 1 POST
Thanks for this post I had this problem and had to get a new EGR valve cost me $98.00 all fixed! I love this site.
Was this
answer
helpful?
Yes
No
Thursday, February 18th, 2021 AT 12:57 PM (Merged)
Tiny
UPINSTYLE
  • MEMBER
  • 3 POSTS
  • 1994 CHEVROLET SILVERADO
  • V8
  • 4WD
  • AUTOMATIC
  • 26,300 MILES
1994 silverado dies when put in gear and push the accelerator. Otherwise runs fine, it is a 5.7L vortec. Have changed almost everything (complete tuneup plus the throttle possession sensor. The funny thing is that is the code it is reading. I have put 2 new ones on it, checked all the wireing and plugs to it. I have one person telling me it could be the MAS or the pick up coil. Any ideas?
Was this
answer
helpful?
Yes
No
Thursday, February 18th, 2021 AT 12:58 PM (Merged)
Tiny
JACOBANDNICKOLAS
  • MECHANIC
  • 110,194 POSTS
Interesting, to me it sounds like a weak fuel pump. You mentioned codes. What are they? Also, have you checked fuel pump pressure? Finally, did you mean the "MAF" and not the "MAS?

Let me know.

Joe
PS: Did you check for vacuum leaks?
Was this
answer
helpful?
Yes
No
Thursday, February 18th, 2021 AT 12:58 PM (Merged)
Tiny
UPINSTYLE
  • MEMBER
  • 3 POSTS
Well after LOTS of asking around we found the right guy! It was the Motor temp sensor! Who would have thought! Tanks!
Was this
answer
helpful?
Yes
No
Thursday, February 18th, 2021 AT 12:58 PM (Merged)
Tiny
DSPLACE2007
  • MEMBER
  • 1 POST
  • 1994 CHEVROLET SILVERADO
  • V8
  • 2WD
  • AUTOMATIC
  • 254,000 MILES
Hi, my 1994 chevy 2500 v8 K vin 5.7 liter stalls at cold idle and while driving, but esp when I first crank it up cold. I had this prob a couple wks back and it sent code 35 IAC valve. With throttle body exposed the TB makes loud hissing sound, as if vacuum leak or starved of fuel. Then when this sound goes away, the vehicle runs. I can run up to whatever speed, say 60 mph last night down highway and boom, vehicle dies. Started back up and got it home. This morning, same hissing and stall over and over, then ran fine, then stalled. Not sure IAC valve could cause this vehicle to stall like this at idle or driving at higher rpm. Hope that is what it is though. I disconnected fuel line and tested fuel flow and filter, and it seems that fuel flow is vast. Could it be a fuel pressure regulator, or intermittent fuel pump issue? I tested map sensor, and ignit module and they test fine. Spark or fuel, I don't know, or even a sensor? The hissing at TB is what puzzles me though. When it runs fine, hissing gone, then comes back and boom, vehicle stalls out. Could it be relay? I cannot find a fuel pump relay on this at all. I am just wondering why it sent code 35 IAC valve though. Could that cause vehicle to die at all speeds and idle? Maybe it is a weeks fuel pump. Prior to this problem, a day or two before, I ran out of fuel due to fuel gauge being inoperative. Please help as I would like to be able to see my little boy and girl. Thanks.
Was this
answer
helpful?
Yes
No
Thursday, February 18th, 2021 AT 12:58 PM (Merged)
Tiny
RASMATAZ
  • MECHANIC
  • 75,992 POSTS
This guide can help us fix it

https://www.2carpros.com/articles/stall-at-idle

Here's how to clean the IAC valve:

Disconnect the air intake ductwork from the throttle body.

Start the engine, then increase and hold the idle speed to 1,000 to 1,500 rpm.

Spray the throttle cleaner or engine cleaner into the throat of the throttle body, aiming for the idle air bypass port (usually located on the side or top of the throttle body opening). Give this area a good dose of cleaner (about 10 second's worth).

Turn the engine off to allow the cleaner to soak into the IAC passageway.

Wait about three minutes.

Restart the engine, rev and hold at 1,000 to 1,500 rpm, and repeat the cleaning process again.

Turn the engine off again, and reattach the air intake ductwork to the throttle body.

Start the engine and rev and hold to 1,500 to 2,000 rpm until no white smoke is coming out of the exhaust pipe.

If this fails to make any difference, you can remove the IAC valve from the throttle body and spray cleaner directly on the tip of the valve and/or into the ports in the throttle body. Let the cleaner soak awhile, repeat as needed, then reinstall the IAC valve, start the engine and run it at 1,500 to 2,000 rpm as before until no white smoke is seen in the exahust.

If the idle speed still surges after this, the IAC valve is defective and needs to be replaced.
Was this
answer
helpful?
Yes
No
Thursday, February 18th, 2021 AT 12:58 PM (Merged)
Tiny
CHAS662
  • MEMBER
  • 7 POSTS
  • 1994 CHEVROLET SILVERADO
  • 5.7L
  • V8
  • RWD
  • AUTOMATIC
  • 13,000 MILES
C-1500 after engine warms up starts to run rough and shuts off at low rpm. Get code 54 and have tried all the easy possible fixes.
Was this
answer
helpful?
Yes
No
Thursday, February 18th, 2021 AT 12:58 PM (Merged)
Tiny
HMAC300
  • MECHANIC
  • 48,601 POSTS
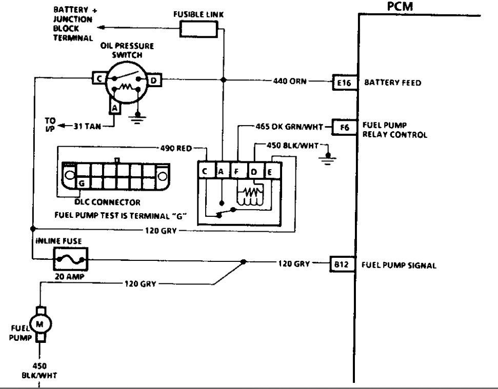
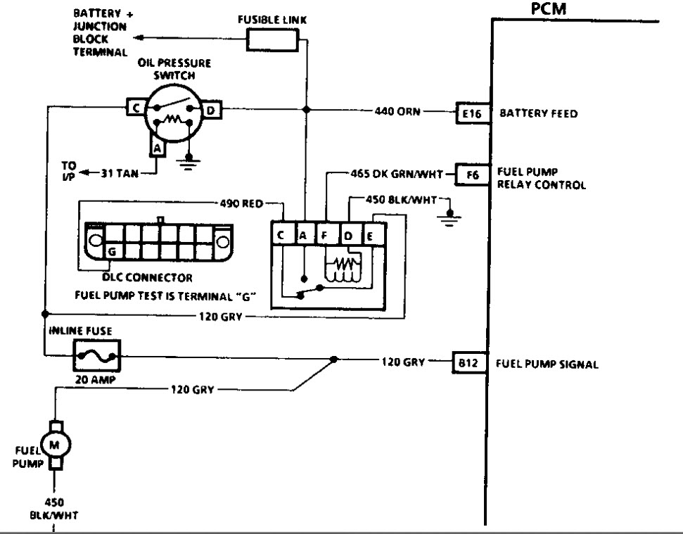
See picture. fuel pump circuit check the fusible link in picture at battery should be twelve volts both sides. then check ground for pump may be corroded. should be 9-11 PSI. also, check gasket at base of TBI they like to blow out use choke cleaner to check. can be a bad relay, oil pressure switch low oil pressure etc. This guide should help.

https://www.2carpros.com/articles/engine-stalls

Check out the diagrams (Below). Please let us know what you find.
Was this
answer
helpful?
Yes
No
+1
Thursday, February 18th, 2021 AT 12:58 PM (Merged)
Tiny
CHAS662
  • MEMBER
  • 7 POSTS
Thanks for the reply.
Was this
answer
helpful?
Yes
No
Thursday, February 18th, 2021 AT 12:58 PM (Merged)
Tiny
CHAS662
  • MEMBER
  • 7 POSTS
Sorry didn't back to sooner. This started out with me changing map, plugs and wires, dis cap, rotary button. Sense then I have changed egr, fpr and fuse, oil pressure sending unit, iac, tps. At that point it stopped firing so I changed coil pack and still no fire. I don't have a meter and get confused when I try to read one so I'm out of luck there. As you can tell at I only qualify as a shade tree. I do appreciate the help and still at a stand still.
Was this
answer
helpful?
Yes
No
Thursday, February 18th, 2021 AT 12:58 PM (Merged)
Tiny
HMAC300
  • MECHANIC
  • 48,601 POSTS
You'll have to check resistance of pickup coil 400-1000 ohm and take ignition module in dist to auto parts they can check it
Was this
answer
helpful?
Yes
No
+1
Thursday, February 18th, 2021 AT 12:58 PM (Merged)

Please login or register to post a reply.