Ignition No Spark?

Tiny
STEVE W.
  • MECHANIC
  • 15,676 POSTS
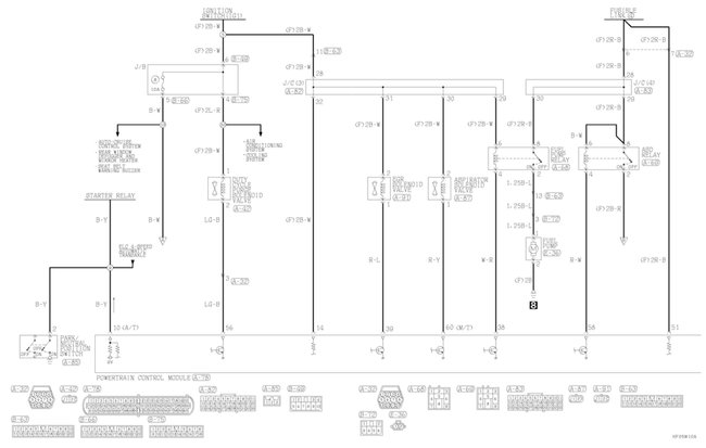
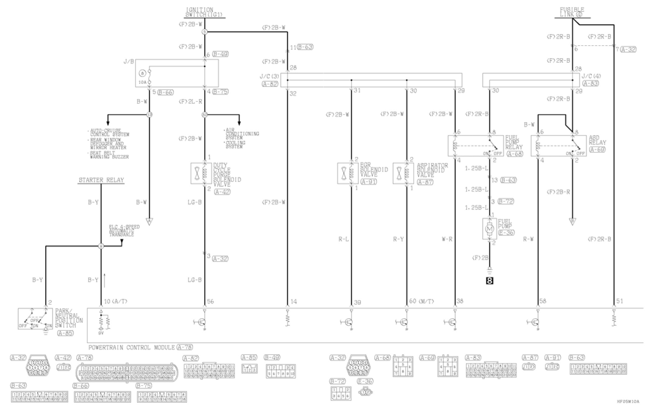
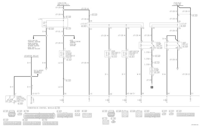
I would check the wiring and make sure that removing the alarm parts did not shut it down. Many are wired in so that they will shut off spark, fuel or both when tripped so if the wiring was just cut that could easily be the problem. I would first check that the ASD relay is activating, that would be the easiest item to disable with an alarm and it shuts off a large amount of the items the engine needs to run. The first image is the power-train feeds, the second is the items that receive power from the ASD relay. The coil and injectors are the big items.
Was this
answer
helpful?
Yes
No
Tuesday, October 20th, 2020 AT 12:32 PM (Merged)

Please login or register to post a reply.