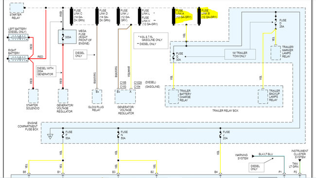
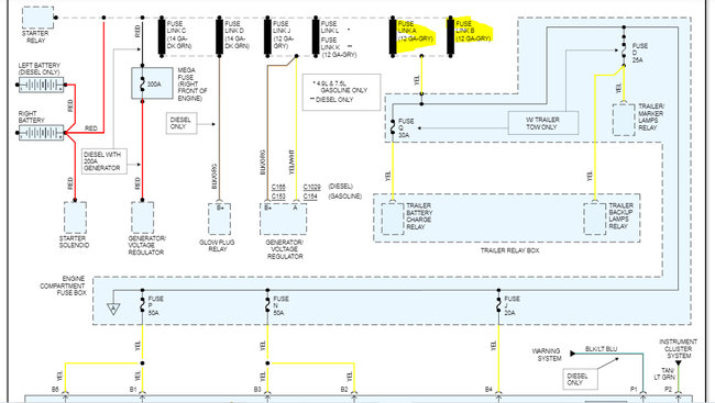
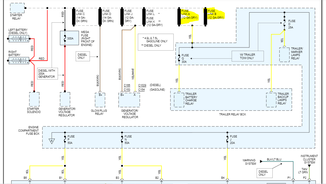
Wednesday, August 10th, 2022 AT 1:52 PM
The truck will not start. Not long ago the caution lights would not work but we got home, and they were randomly on, so guess they work when they wanted, same as starting. It would sometimes start when it wanted but more recently not in past hundred attempts. Battery was checked and fine, also disconnected positive and did voltage test so no short.


