MAF sensor voltages?

2006 FORD S-MAX
168,000 MILES • 1.8L • 4 CYL • TURBO • 2WD • MANUAL
Avatar
GéZA KOVáCS
  • MEMBER
  • 26 POSTS
Hi. If I unplug the MAF sensor connector, 5v can be measured on the signal line. According to Autodata, there should be 0 Volts in this case. If I reconnect it, 1.77 volts are displayed on the signal wire when the ignition is turned on. the 5-volt sensor supply drops from 5 volts to 2.57 volts with the engine running, the voltage of the signal line rises to 2.1 volts at full throttle. The MAF sensor has 4 wires. Signal - 12 Volt supply - ground - 5 Volt sensor supply

Wire break? ECU problem? Connection error?

Thank you
Aug 28, 2023 at 12:08 PM
Repair Safety Notice: This information is for general instructional purposes only. Vehicle repair can be dangerous. Verify all information, follow manufacturer service procedures, use proper tools and safety equipment, and consult a qualified repair shop when needed.
Advertisement
Avatar
STRAILER
  • CAR REPAIR CONTRIBUTOR
  • 54,193 POSTS
It sounds like the MAF sensor is bad causing the voltage discrepancies. I would swap it out to see if the problem goes away, did you have a code or?

https://www.2carpros.com/articles/checking-a-service-engine-soon-or-check-engine-light-on-or-flashing

Please go over this guide and get back to us.
Aug 28, 2023 at 12:26 PM
Advertisement
Avatar
GéZA KOVáCS
  • MEMBER
  • 26 POSTS
I forgot to write that the sensor is new. and there is voltage on the signal line even when the connector is disconnected. (5 Volts)
Aug 28, 2023 at 11:53 PM
Avatar
GéZA KOVáCS
  • MEMBER
  • 26 POSTS
there is no error code.
Aug 28, 2023 at 11:54 PM
Avatar
BORIS K
  • CAR REPAIR CONTRIBUTOR
  • 836 POSTS
Hello

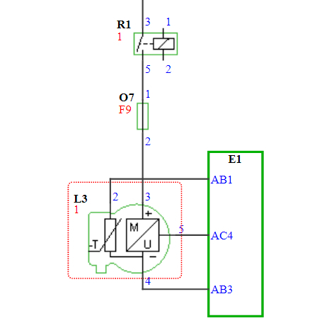
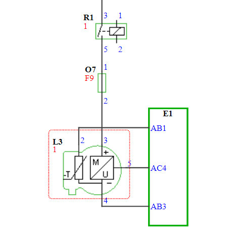
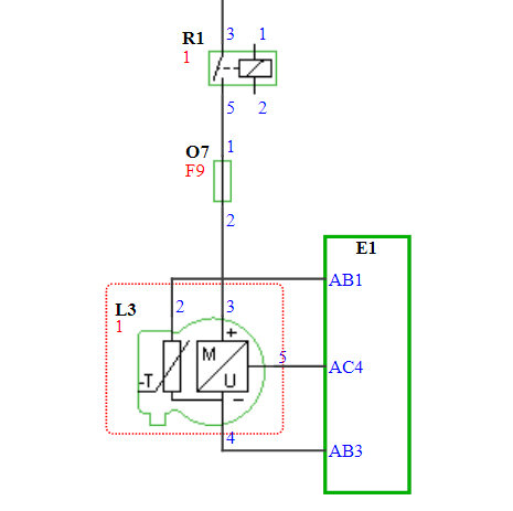
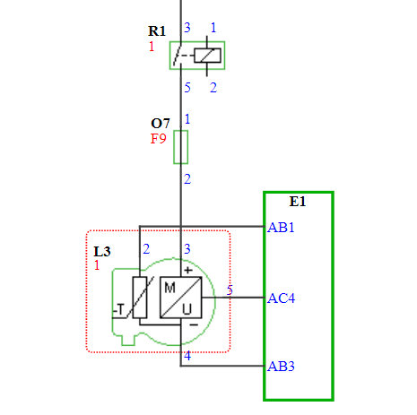
Pin out at MAF sensor(4 wire)

Pin 1, not occupied
Pin 2, grey/orange wire IAT signal to ECM pin AB1
Pin 3, violet/grey wire 12V MAF supply from fuse F9
Pin 4, blue wire ground to ECM pin AB3
Pin 5, yellow/violet wire MAF signal to ECM pin AC4

The MAF sensor incorporates the IAT(Intake Air temperature sensor)
With MAF disconnected and ignition on you should see between 4.8-5.2V on pin 2
If voltage is not ok next measure the voltage at pin AB1 at the ECM(Engine Control Module)
If voltage at ECM is in order next check the grey/orange pin to pin.
Expect to see less than 2 ohm resistance
This can be done using a voltmeter

How to use a voltmeter
https://www.2carpros.com/articles/how-to-use-a-voltmeter

How to check wire
https://www.2carpros.com/articles/how-to-check-wiring

There are 3 connectors on ECM, A-B-C
The pins are on connector A, small
The ECM is located in the engine compartment, left front
See image 3

Cheers, Boris
Aug 29, 2023 at 2:06 AM
Avatar
GéZA KOVáCS
  • MEMBER
  • 26 POSTS
Okay. I will check it tomorrow. Thanks
Aug 29, 2023 at 5:58 AM
Avatar
GéZA KOVáCS
  • MEMBER
  • 26 POSTS
Hi,

I measured the 3 wires from the MAF to the ECU (resistance), it showed 1-2 ohms. The resistance of pin2 and pin5 was 25k ohm. 21k ohms between pin2 and IAT. Is it possible that these wires are in contact with each other?
Aug 30, 2023 at 10:48 AM
Avatar
BORIS K
  • CAR REPAIR CONTRIBUTOR
  • 836 POSTS
Hello,

Did you measure these resistance value when measuring into the MAF?
These values sound plausible as they would have internal connection in the MAF.

Cheers, Boris
Aug 31, 2023 at 9:31 AM
Avatar
GéZA KOVáCS
  • MEMBER
  • 26 POSTS
No, I measured it when the wire was disconnected from the MAF and connected to the ECU.
Aug 31, 2023 at 10:57 AM
Avatar
GéZA KOVáCS
  • MEMBER
  • 26 POSTS
What I don't understand is that when the wire is disconnected from the MAF, why is there 5V on both pin2 and pin5? If it is connected, then pin2 is 2.57Volt, pin5 1.77Volt. In my first article, I wrote the voltage of the two wires interchangeably.
Aug 31, 2023 at 11:01 AM
Avatar
BORIS K
  • CAR REPAIR CONTRIBUTOR
  • 836 POSTS
Hello,

First back to basics.
What fault codes do you read using a suitable scan tool?

Next
Pin 2 is the signal wire for the IAT resistor. This will be a 5V supply when not connected.
Pin 5 is the signal wire for the MAF signal, this usually is a 5V reference voltage from the ECM when not connected.
When connected you are then reading a reduced voltage caused by the internal resistance of either sensor.
Suggest to disconnect ECM connector and MAF connector.
Check that neither wire has any voltage with ignition on.
Check each wire pin to pin for any resistance issues, you should get less than 2ohm when measured pin to pin.
Also check that neither wire has any continuity to any other wire.
This can be done using a voltmeter.

A good guide on testing MAF sensor output using live data from a suitable scan tool:
https://www.alldata.com/sites/default/files/file-attachments/maf_sensor_testing_110918.pdf

Cheers, Boris
Sep 1, 2023 at 4:12 AM
Avatar
GéZA KOVáCS
  • MEMBER
  • 26 POSTS
two error codes are written by the diagnostics (with VCX nano,ids software).
Sep 1, 2023 at 7:47 AM
Avatar
GéZA KOVáCS
  • MEMBER
  • 26 POSTS
the resistance of the wires was below 2 ohms and there was no continuity in relation to each other.
Sep 1, 2023 at 7:50 AM
Avatar
BORIS K
  • CAR REPAIR CONTRIBUTOR
  • 836 POSTS
Hello,

None of these fault codes are engine related.
BCM - Body Control Module
PDM - Passenger Door Module

What makes you think that there is a problem with the engine management system?
Do you have running issues?

Cheers, Boris
Sep 1, 2023 at 7:59 AM
Avatar
GéZA KOVáCS
  • MEMBER
  • 26 POSTS
Having startup problems after several hours of idle time. It is hard to start, when it starts, it stops immediately. After 4-6 starts, it does not stop. One day the power went out, it wouldn't accelerate even though I stepped on the pedal, after a while the power came back. The turbocharger already emits a "whooshing" sound above 2000 rpm, there is also a little oil under the blade in the housing.
The ones that were bad were replaced - injector, high pressure pump, glow plugs,leak off pipe, fuel filter, pipes and connectors. + hand pump - many people said that it gets air - but then why does it start once for the first time and sometimes after several attempts. e.g. I cleaned the intake manifold, put it back together - I even took out the fuel filter housing - and it started in first gear. it didn't start anymore, just a few times.....
Sep 1, 2023 at 8:33 AM
Avatar
BORIS K
  • CAR REPAIR CONTRIBUTOR
  • 836 POSTS
Hello,

Looking at the video you are back probing pin 5 which is the signal wire for the MAF.
A virtually static voltage of around 2.11V.

On live data, the previous post the air mass was at 11g/sec, which seems a bit low.

Have you checked the operation of the EGR valve? Not blocked and moving freely.
Another option would be to blank the EGR valve for testing purposes.
See image 1+2 below.

An eBay link:
https://www.ebay.co.uk/itm/121106889703

Cranking and non-starting on a diesel can be caused by a stuck open EGR valve.
Another aspect to check when vehicle is non start is the fuel rail pressure, ensure that while cranking the rail pressure is more than 200bar in live data. The ECM will not trigger the injectors if the rail pressure is below this value.

Cheers, Boris
Sep 3, 2023 at 1:06 AM
Avatar
GéZA KOVáCS
  • MEMBER
  • 26 POSTS
yes, the EGR is blanked. The rail pressure is more than 200 bar. "Air mass 11g/s at idle". Still not enough?

Thank you very much for your help so far.

Cheers, Géza
Sep 3, 2023 at 4:03 AM
Avatar
GéZA KOVáCS
  • MEMBER
  • 26 POSTS
can't a faulty MAP sensor produce such a symptom? Or IAT sensor?
Sep 3, 2023 at 1:19 PM
Avatar
BORIS K
  • CAR REPAIR CONTRIBUTOR
  • 836 POSTS
Hello,

A faulty MAP/Boost pressure sensor can cause all sorts of issues.
Check the sensor in live data.
Ignition on/engine off you should see ambient pressure, about 1000 mbar.
Engine idling the reading is usually slightly lower, around 920-950 mbar as there is no turbo boost at idle.
A faulty temperature sensor can cause starting and running issues.
The easiest way to check these sensors, IAT and ECT, is to check live data when the engine is cold.
Ideally stood over night. The live data values should equal ambient temperature.

Cheers, Boris
Sep 4, 2023 at 1:25 AM
Avatar
GéZA KOVáCS
  • MEMBER
  • 26 POSTS
Hi,

I watched it live data. I'm attaching pictures and video.The ECT is new. At idle pressure is 100kPa. (Is the IAT measured by the MAF or the IAT? because I disconnected the IAT and it didn't change intake air temp., but when I disconnected the MAF it showed 0°C on the intake air temperature)
Sep 5, 2023 at 1:17 AM
Avatar
BORIS K
  • CAR REPAIR CONTRIBUTOR
  • 836 POSTS
Hello,

The IAT sensor is part of the MAF, pins 2+4

Watching the video, the starting behavior is as if the glow plugs are not being activated.
As soon as there is a bit of combustion temperature the engine starts well.

A good video on testing:
https://youtu.be/fvSiZ5xtBwE?si=zCNFyLmI5u8Wwf3E

A good glow plug has an internal resistance of about 0.5ohm.

Cheers, Boris
Sep 6, 2023 at 12:53 AM
Avatar
GéZA KOVáCS
  • MEMBER
  • 26 POSTS
New glow plugs were installed a year ago... even after that it started with difficulty. they were replaced due to difficult starting... I removed them a few months ago... they glowed within 10 seconds... I don't remember any resistance... I'll check again tomorrow. The glow indicator lights up for several seconds even in such good weather, the glow is so important.

Thanks,

Cheers, Géza
Sep 6, 2023 at 7:46 AM
Avatar
BORIS K
  • CAR REPAIR CONTRIBUTOR
  • 836 POSTS
Hello,

With high ambient temperatures glow plugs become less important.
Depending on engine condition, compression, glow plug activation is still important.
The other thing you could try is to spray some Quick or Easy start into the intake and see if the starting behavior changes.
Also, as the engine fuel supply relies purely on vacuum suction to get the fuel from the tank to the high-pressure pump, you could try and bypass the fuel supply system.
Install a small, 2-5L, container filled with clean diesel at the high-pressure pump and run a clean rubber tube directly to the pump inlet. The pump will then suck directly from this container. If the starting improves then this would prove that we are having a possible vacuum leak from the supply side.
Have you carried out an injector leak off test?

How to:
https://youtu.be/U2ek-FwoT5w?si=QOPQIllW9q1vMcwY

Cheers, Boris
Sep 6, 2023 at 8:58 AM
Avatar
GéZA KOVáCS
  • MEMBER
  • 26 POSTS
One of the injectors is new, the other 3 have been tested for a few thousand km, with a report, and the high-pressure pump has been refurbished. The fuel pipes in the engine compartment are new, as are the connectors and seals.
Sep 6, 2023 at 9:17 AM
Avatar
BORIS K
  • CAR REPAIR CONTRIBUTOR
  • 836 POSTS
Hello,

I am just giving possible causes of hard starting for a diesel engine.
Suggestions to check certain components, if you are certain that these are in good condition then do not follow my suggestions.

A leak off test for the injectors will show if any require replacing, it is something you could do yourself, the equipment is inexpensive.

Cheers, Boris
Sep 6, 2023 at 9:27 AM
Avatar
GéZA KOVáCS
  • MEMBER
  • 26 POSTS
Is it possible that there is not enough compression in the cylinders? due to carbon deposits, compression is lost at the valve. can it start hard because of this? Thanks


Cheers Géza
Sep 7, 2023 at 12:37 PM
Avatar
STRAILER
  • CAR REPAIR CONTRIBUTOR
  • 54,193 POSTS
Yes, this is possible especially if you have an intake valve leaking is can mess with the MAF readings.

Here is a guide to help you:

https://www.2carpros.com/articles/how-to-test-engine-compression

Please go over this guide and get back to us.
Sep 9, 2023 at 9:29 AM
Avatar
GéZA KOVáCS
  • MEMBER
  • 26 POSTS
Hi,

Now I had time to measure the compression. and it seems quite little.12-13(~180 PSI) bar in each cylinder. How can it be determined that the rings are worn or that the valves are not closing properly? does the cylinder head always have to be ground flat when disassembling?
Sep 17, 2023 at 10:00 AM
Avatar
GéZA KOVáCS
  • MEMBER
  • 26 POSTS
It sounds like this when the engine is warm. I hear a little chirping in the background.
Sep 18, 2023 at 3:31 AM
Avatar
BORIS K
  • CAR REPAIR CONTRIBUTOR
  • 836 POSTS
Hello,

12-13 bar compression is very low for a diesel, expect to see around 20bar normally.
That blowing/chirping noise could be caused by an injector not seating properly.
To check if compression loss is caused by rings or valves there is a quick test you can perform.
With either injector or glow plugs removed squirt some engine oil into each cylinder, crank the engine a few times to spread the oil in the combustion chambers. Next carry out another compression test. This is called a "wet" compression test
If piston rings are leaking the oil will seal off the rings and improve the compression, if valves are leaking then the compression will remain the same or slightly higher

If the compression is equally low on all 4 cylinders, I would suspect a possible valve timing issue rather than a mechanical failure in a combustion chamber.

A good video:
https://youtu.be/8peTMD1RMF0?si=MqB-o-yYHdkC8W7_

Cheers, Boris
Sep 18, 2023 at 5:36 AM
Avatar
GéZA KOVáCS
  • MEMBER
  • 26 POSTS
I injected ~12 ml of oil into each cylinder and measured the compression with the engine at operating temperature.
1. cylinder: ~15 bar, 220 PSI.
2nd cylinder: ~17 bar, 245 PSI.
3rd cylinder: ~17 bar, 250 PSI.
4th cylinder: ~17bar, 250 PSI.

here, at 30-degree water, I can't hear the small chirping in the background, only when the engine is at operating temperature...
Sep 18, 2023 at 10:16 AM
Avatar
GéZA KOVáCS
  • MEMBER
  • 26 POSTS
a question. When I unscrew the coolant temperature sensor, shouldn't liquid flow from its place? Is this normal? in my other car (Focus mk2.5 2.0 petrol) it was leaking when I took out this sensor...
Sep 19, 2023 at 5:59 AM